0
BQ24382
  • BQ24382
  • BQ24382

BQ24382

ACTIVE

Overvoltage/Overcurrent Protection IC and Li+ Charger Front-End Protection IC with LDO Mode,10.5 OVP

Texas Instruments BQ24382 Product Info

1 April 2026 1

Parameters

Rating

Catalog

Number of series cells (max)

1

Number of series cells (min)

1

Features

LDO output, Overcurrent protection, Overvoltage, Short-circuit Discharge (SCD)

Function

Charger Front-End Protection

Operating current (typ) (µA)

300

Vin (max) (V)

30

Overvoltage protection

10.5

Operating temperature range (°C)

-40 to 125

Battery overvoltage protection (min) (V)

4.35

Battery overvoltage protection (max) (V)

4.35

Package

WSON (DSG)-8-4 mm² 2 x 2

Features

  • Input Overvoltage Protection
  • Accurate Battery Overvoltage Protection
  • Output Short-Circuit Protection
  • Soft-Start to Prevent Inrush Currents
  • Soft-Stop to Prevent Voltage Spikes
  • Maximum Input Voltage of 30 V
  • Supports up to 1.7-A Load Current
  • Thermal Shutdown
  • Enable Function
  • Fault Status Indication
  • Small 2 mm × 2 mm 8-Pin WSON Package
  • Input Overvoltage Protection
  • Accurate Battery Overvoltage Protection
  • Output Short-Circuit Protection
  • Soft-Start to Prevent Inrush Currents
  • Soft-Stop to Prevent Voltage Spikes
  • Maximum Input Voltage of 30 V
  • Supports up to 1.7-A Load Current
  • Thermal Shutdown
  • Enable Function
  • Fault Status Indication
  • Small 2 mm × 2 mm 8-Pin WSON Package

Description

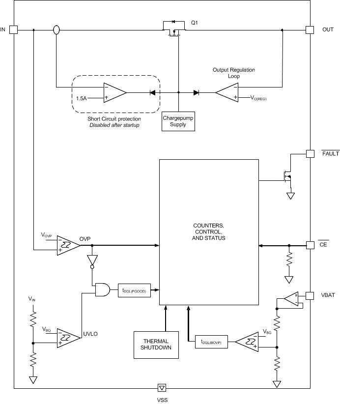
The bq2438x family of devices are charger front-end integrated circuits (ICs) designed to provide protection to Li-ion batteries from failures of the charging circuit. The device continuously monitors the input voltage and battery voltage. The device operates like a linear regulator, maintaining a 5.5-V (bq24380) or 5-V (bq24381, bq24382) output with input voltages up to the Input overvoltage threshold. During input overvoltage conditions, the device immediately turns off the internal pass FET disconnecting the charging circuit from the damaging input source. Additionally, if the battery voltage rises to unsafe levels while charging, power is removed from the system. The device checks for short-circuit or overload conditions at its output when turning the pass FET on, and if it finds unsafe conditions, it switches off and then rechecks the conditions. Additionally, the device also monitors its die temperature and switches off if it exceeds 140°C.

When the device is controlled by a processor, the device provides status information about fault conditions to the host.

The bq2438x family of devices are charger front-end integrated circuits (ICs) designed to provide protection to Li-ion batteries from failures of the charging circuit. The device continuously monitors the input voltage and battery voltage. The device operates like a linear regulator, maintaining a 5.5-V (bq24380) or 5-V (bq24381, bq24382) output with input voltages up to the Input overvoltage threshold. During input overvoltage conditions, the device immediately turns off the internal pass FET disconnecting the charging circuit from the damaging input source. Additionally, if the battery voltage rises to unsafe levels while charging, power is removed from the system. The device checks for short-circuit or overload conditions at its output when turning the pass FET on, and if it finds unsafe conditions, it switches off and then rechecks the conditions. Additionally, the device also monitors its die temperature and switches off if it exceeds 140°C.

When the device is controlled by a processor, the device provides status information about fault conditions to the host.

Subscribe to Welllinkchips !
Your Name
* Email
Submit a request