0
TIC12400
  • TIC12400
  • TIC12400

TIC12400

ACTIVE

24-input sensor monitor with integrated 1:1 (SPST), 10-channel ADC & SPI

Texas Instruments TIC12400 Product Info

1 April 2026 0

Parameters

Number of input channels

24

Operating voltage (min) (V)

6.5

Operating voltage (max) (V)

24

Input/output voltage (max) (V)

40

Input/output voltage (min) (V)

-24

IO current (mA)

1, 2, 5, 10, 15

Operating temperature range (°C)

-40 to 105

Interface type

SPI

Features

Configurable wetting current, Integrated 10-bit ADC, Interrupt wake-up operation, Overvoltage warning, Polling mode, SPI, Undervoltage warning, Withstands load dump condition and reverse polarity condition

Diagnostics

ADC self-diagnostic, Wetting current diagnostic

Logic voltage (min) (V)

3

Logic voltage (max) (V)

5.5

Rating

Catalog

Package

HTSSOP (DCP)-38-62.08 mm² 9.7 x 6.4

Features

  • Operates with Supply Voltage (VS) from 6.5 V to 35 V with Over-voltage and Under-voltage Warning
  • Monitors up 24 Direct Switch Inputs with 10 Inputs Configurable to Monitor Switches Connected to Either Ground or Supply
  • Switch Input Withstands 40 V and Reverse Supply Condition Down to -24 V
  • 6 Configurable Wetting Current Settings:
    (0 mA, 1 mA, 2 mA, 5 mA, 10 mA, and 15 mA)
  • Integrated 10-bit ADC for Multi-Position Analog Switch Monitoring
  • Integrated Comparator with 4 Programmable Threshold for Input Monitoring
  • Ultra-low Operating Current in Polling Mode:
    68 µA Typical (tPOLL = 64 ms, tPOLL_ACT = 128 µs,
    All 24 Inputs Active, Comparator Mode, All Switches Open)
  • Interfaces Directly to MCU Using 3.3 V/5 V Serial Peripheral Interface (SPI) Protocol
  • Interrupt Generation to Support Wake-Up Operation on All Inputs
  • Integrated Supply and Temperature Sensing
  • ±8 kV Contact Discharge ESD Protection on Input Pins per IEC 61000-4-2 With Appropriate External Components
  • 38-Pin TSSOP Package
  • Operates with Supply Voltage (VS) from 6.5 V to 35 V with Over-voltage and Under-voltage Warning
  • Monitors up 24 Direct Switch Inputs with 10 Inputs Configurable to Monitor Switches Connected to Either Ground or Supply
  • Switch Input Withstands 40 V and Reverse Supply Condition Down to -24 V
  • 6 Configurable Wetting Current Settings:
    (0 mA, 1 mA, 2 mA, 5 mA, 10 mA, and 15 mA)
  • Integrated 10-bit ADC for Multi-Position Analog Switch Monitoring
  • Integrated Comparator with 4 Programmable Threshold for Input Monitoring
  • Ultra-low Operating Current in Polling Mode:
    68 µA Typical (tPOLL = 64 ms, tPOLL_ACT = 128 µs,
    All 24 Inputs Active, Comparator Mode, All Switches Open)
  • Interfaces Directly to MCU Using 3.3 V/5 V Serial Peripheral Interface (SPI) Protocol
  • Interrupt Generation to Support Wake-Up Operation on All Inputs
  • Integrated Supply and Temperature Sensing
  • ±8 kV Contact Discharge ESD Protection on Input Pins per IEC 61000-4-2 With Appropriate External Components
  • 38-Pin TSSOP Package

Description

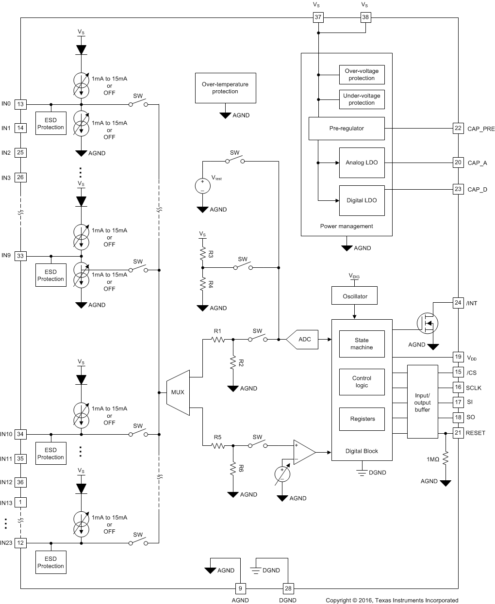
The TIC12400 is an advanced Multiple Switch Detection Interface (MSDI) device designed to detect external switch statuses. The TIC12400 supports 24 direct inputs, with 10 inputs configurable to monitor digital I/O switches. 6 wetting current settings can be programmed for each input to support different application scenarios. The TIC12400 features an integrated 10-bit ADC to monitor multi-position analog switches and a comparator to monitor digital switches independently of the MCU. The device supports wake-up operation on all switch inputs to eliminate the need to keep the MCU active continuously, thus reducing power consumption of the system. The TIC12400 supports 2 modes of operations: continuous and polling mode. In continuous mode, wetting current is supplied continuously. In polling mode, wetting current is turned on periodically to sample the input status based on a programmable timer, thus the system power consumption is significantly reduced. The TIC12400 also offers various fault detection and diagnostic features for improved system robustness.

The TIC12400 is an advanced Multiple Switch Detection Interface (MSDI) device designed to detect external switch statuses. The TIC12400 supports 24 direct inputs, with 10 inputs configurable to monitor digital I/O switches. 6 wetting current settings can be programmed for each input to support different application scenarios. The TIC12400 features an integrated 10-bit ADC to monitor multi-position analog switches and a comparator to monitor digital switches independently of the MCU. The device supports wake-up operation on all switch inputs to eliminate the need to keep the MCU active continuously, thus reducing power consumption of the system. The TIC12400 supports 2 modes of operations: continuous and polling mode. In continuous mode, wetting current is supplied continuously. In polling mode, wetting current is turned on periodically to sample the input status based on a programmable timer, thus the system power consumption is significantly reduced. The TIC12400 also offers various fault detection and diagnostic features for improved system robustness.

Subscribe to Welllinkchips !
Your Name
* Email
Submit a request