0
THVD1449
  • THVD1449
  • THVD1449
  • THVD1449

THVD1449

ACTIVE

3.3-V to 5-V, 12-Mbps, RS-485 transceiver with integrated 4-kV IEC surge and IEC ESD/EFT protection

Texas Instruments THVD1449 Product Info

1 April 2026 1

Parameters

Number of receivers

1

Number of transmitters

1

Duplex

Half

Supply voltage (nom) (V)

3.3, 5

Signaling rate (max) (Mbps)

12

IEC 61000-4-2 contact (±V)

15000

Fault protection (V)

-15 to 15

Common-mode range (V)

-12 to 12

Number of nodes

256

Features

IEC ESD protection, Surge protection

Isolated

No

Supply current (max) (µA)

5000

Rating

Catalog

Operating temperature range (°C)

-40 to 125

Package

SOIC (D)-8-29.4 mm² 4.9 x 6

Features

  • Meets or exceeds the requirements of the TIA/EIA-485A standard
  • 3-V to 5.5-V Supply Voltage
  • VIO Support from 1.65-V to VCC supply level (THVD1439V, THVD1449V)
  • Bus I/O protection
    • ± 4-kV IEC 61000-4-5 1.2/50-µs surge
    • ± 15-kV IEC 61000-4-2 Contact discharge
    • ± 15-kV IEC 61000-4-2 Air-gap discharge
    • ± 4-kV IEC 61000-4-4 Electrical fast transient
    • ± 15-kV HBM ESD
    • ± 15-V DC bus fault
  • Available in two speed grades
    • THVD1439, THVD1439V: 250 kbps
    • THVD1449, THVD1449V: 12 Mbps
  • Extended ambient temperature range: -40°C to 125°C
  • Extended operational common-mode range: ± 12 V
  • Large receiver hysteresis for noise rejection
  • Low Power Consumption
    • Standby supply current: < 3 µA
    • Current during operation: < 5 mA
  • Glitch-free power-up/down for hot plug-in capability
  • Open, short, and idle bus failsafe
  • 1/8 Unit load (up to 256 bus nodes)
  • Industry standard 8-pin SOIC for drop-in compatibility
  • Meets or exceeds the requirements of the TIA/EIA-485A standard
  • 3-V to 5.5-V Supply Voltage
  • VIO Support from 1.65-V to VCC supply level (THVD1439V, THVD1449V)
  • Bus I/O protection
    • ± 4-kV IEC 61000-4-5 1.2/50-µs surge
    • ± 15-kV IEC 61000-4-2 Contact discharge
    • ± 15-kV IEC 61000-4-2 Air-gap discharge
    • ± 4-kV IEC 61000-4-4 Electrical fast transient
    • ± 15-kV HBM ESD
    • ± 15-V DC bus fault
  • Available in two speed grades
    • THVD1439, THVD1439V: 250 kbps
    • THVD1449, THVD1449V: 12 Mbps
  • Extended ambient temperature range: -40°C to 125°C
  • Extended operational common-mode range: ± 12 V
  • Large receiver hysteresis for noise rejection
  • Low Power Consumption
    • Standby supply current: < 3 µA
    • Current during operation: < 5 mA
  • Glitch-free power-up/down for hot plug-in capability
  • Open, short, and idle bus failsafe
  • 1/8 Unit load (up to 256 bus nodes)
  • Industry standard 8-pin SOIC for drop-in compatibility

Description

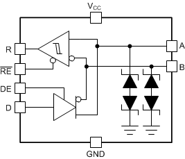
THVD14x9(V) devices are half-duplex RS-485 transceivers with integrated surge protection. Surge protection is achieved by integrating transient voltage suppressor (TVS) diodes in the standard 8-pin SOIC (D) package. This feature increases the reliability by providing better immunity to noise transients coupled to the data cable which eliminates the need for external protection components.

THVD1439 and THVD1449 operate from a single 3.3-V or 5-V supply. The THVD1439V and THVD1449V devices support an additional VIO supply to operate the IOs from as low as 1.65 V supply level. The devices in this family feature a wide common-mode voltage range making them suitable for multi-point applications over long cable runs.

THVD14x9(V) devices are half-duplex RS-485 transceivers with integrated surge protection. Surge protection is achieved by integrating transient voltage suppressor (TVS) diodes in the standard 8-pin SOIC (D) package. This feature increases the reliability by providing better immunity to noise transients coupled to the data cable which eliminates the need for external protection components.

THVD1439 and THVD1449 operate from a single 3.3-V or 5-V supply. The THVD1439V and THVD1449V devices support an additional VIO supply to operate the IOs from as low as 1.65 V supply level. The devices in this family feature a wide common-mode voltage range making them suitable for multi-point applications over long cable runs.

Subscribe to Welllinkchips !
Your Name
* Email
Submit a request