0
THVD1419
  • THVD1419
  • THVD1419

THVD1419

ACTIVE

3.3-V to 5-V RS-485 transceiver with surge protection

Texas Instruments THVD1419 Product Info

1 April 2026 2

Parameters

Number of receivers

1

Number of transmitters

1

Duplex

Half

Supply voltage (nom) (V)

3.3, 5

Signaling rate (max) (Mbps)

0.25

IEC 61000-4-2 contact (±V)

8000

Fault protection (V)

-15 to 15

Common-mode range (V)

-12 to 12

Number of nodes

256

Features

Extended common mode, IEC ESD protection, Surge protection

Isolated

No

Supply current (max) (µA)

3000

Rating

Catalog

Operating temperature range (°C)

-40 to 125

Package

SOIC (D)-8-29.4 mm² 4.9 x 6

Features

  • Meets or Exceeds the Requirements of the TIA/EIA-485A Standard
  • 3 V to 5.5 V Supply Voltage
  • Bus I/O Protection
    • ± 16 kV HBM ESD
    • ± 8 kV IEC 61000-4-2 Contact Discharge
    • ± 30 kV IEC 61000-4-2 Air-Gap Discharge
    • ± 4 kV IEC 61000-4-4 Electrical Fast Transient
    • ± 2.5 kV IEC 61000-4-5 1.2/50-µs Surge
  • Available in Two Speed Grades
    • THVD1419: 250 kbps
    • THVD1429: 20 Mbps
  • Extended Ambient
    Temperature Range: -40°C to 125°C
  • Extended Operational
    Common-Mode Range: ± 12 V
  • Receiver Hysteresis for Noise Rejection: 30 mV
  • Low Power Consumption
    • Standby Supply Current: < 2 µA
    • Current During Operation: < 3 mA
  • Glitch-Free Power-Up/Down for Hot Plug-in Capability
  • Open, Short, and Idle Bus Failsafe
  • 1/8 Unit Load (Up to 256 Bus Nodes)
  • Industry Standard 8-Pin SOIC
    for Drop-in Compatibility
  • Meets or Exceeds the Requirements of the TIA/EIA-485A Standard
  • 3 V to 5.5 V Supply Voltage
  • Bus I/O Protection
    • ± 16 kV HBM ESD
    • ± 8 kV IEC 61000-4-2 Contact Discharge
    • ± 30 kV IEC 61000-4-2 Air-Gap Discharge
    • ± 4 kV IEC 61000-4-4 Electrical Fast Transient
    • ± 2.5 kV IEC 61000-4-5 1.2/50-µs Surge
  • Available in Two Speed Grades
    • THVD1419: 250 kbps
    • THVD1429: 20 Mbps
  • Extended Ambient
    Temperature Range: -40°C to 125°C
  • Extended Operational
    Common-Mode Range: ± 12 V
  • Receiver Hysteresis for Noise Rejection: 30 mV
  • Low Power Consumption
    • Standby Supply Current: < 2 µA
    • Current During Operation: < 3 mA
  • Glitch-Free Power-Up/Down for Hot Plug-in Capability
  • Open, Short, and Idle Bus Failsafe
  • 1/8 Unit Load (Up to 256 Bus Nodes)
  • Industry Standard 8-Pin SOIC
    for Drop-in Compatibility

Description

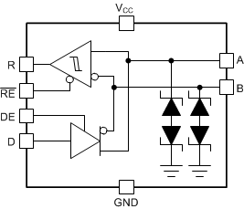
THVD1419 and THVD1429 are half-duplex RS-485 transceivers with integrated surge protection. Surge protection is achieved by integrating transient voltage suppressor (TVS) diodes in the standard 8-pin SOIC (D) package. This feature provides a substantial increase in reliability for better immunity to noise transients coupled to the data cable, eliminating the need for external protection components.

Each of these devices operates from a single 3.3 V or 5 V supply. The devices in this family feature a wide common-mode voltage range which makes them suitable for multi-point applications over long cable runs.

The THVD1419 and THVD1429 devices are available in the industry standard SOIC package for easy drop-in without any PCB changes. These devices are characterized over ambient free-air temperatures from –40°C to 125°C.

THVD1419 and THVD1429 are half-duplex RS-485 transceivers with integrated surge protection. Surge protection is achieved by integrating transient voltage suppressor (TVS) diodes in the standard 8-pin SOIC (D) package. This feature provides a substantial increase in reliability for better immunity to noise transients coupled to the data cable, eliminating the need for external protection components.

Each of these devices operates from a single 3.3 V or 5 V supply. The devices in this family feature a wide common-mode voltage range which makes them suitable for multi-point applications over long cable runs.

The THVD1419 and THVD1429 devices are available in the industry standard SOIC package for easy drop-in without any PCB changes. These devices are characterized over ambient free-air temperatures from –40°C to 125°C.

Subscribe to Welllinkchips !
Your Name
* Email
Submit a request