0
THVD1330
  • THVD1330
  • THVD1330
  • THVD1330

THVD1330

ACTIVE

32-Mbps 3.3-V half-duplex RS485 transceiver with IEC ESD protection

Texas Instruments THVD1330 Product Info

1 April 2026 0

Parameters

Number of receivers

1

Number of transmitters

1

Duplex

Half

Supply voltage (nom) (V)

3.3

Signaling rate (max) (Mbps)

32

IEC 61000-4-2 contact (±V)

8000

Fault protection (V)

-9 to 14

Common-mode range (V)

-7 to 12

Number of nodes

256

Features

IEC ESD protection

Isolated

No

Supply current (max) (µA)

2000

Rating

Catalog

Operating temperature range (°C)

-40 to 125

Package

SOIC (D)-8-29.4 mm² 4.9 x 6

Features

  • Meets or exceeds the requirements of the TIA/EIA-485A standard
  • 3 V to 3.6 V supply voltage
  • Half-Duplex RS-422/RS-485
  • High speed operation: 32 Mbps max data rate
  • Bus I/O protection
    • ± 16 kV HBM ESD
    • ± 8 kV IEC 61000-4-2 Contact Discharge
  • Extended industrial temperature range: −40°C to 125°C
  • Bus common mode range: −7 V to 12 V
  • Low shutdown current 5 µA max
  • Glitch-free power-up or down for hot plug-in capability
  • Open, short, and idle bus failsafe receiver
  • Meets or exceeds the requirements of the TIA/EIA-485A standard
  • 3 V to 3.6 V supply voltage
  • Half-Duplex RS-422/RS-485
  • High speed operation: 32 Mbps max data rate
  • Bus I/O protection
    • ± 16 kV HBM ESD
    • ± 8 kV IEC 61000-4-2 Contact Discharge
  • Extended industrial temperature range: −40°C to 125°C
  • Bus common mode range: −7 V to 12 V
  • Low shutdown current 5 µA max
  • Glitch-free power-up or down for hot plug-in capability
  • Open, short, and idle bus failsafe receiver

Description

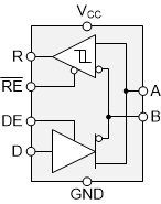
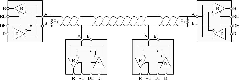
THVD1330 is a robust half-duplex RS-485 transceiver for industrial applications. The bus pins are immune to high levels of IEC Contact Discharge ESD events eliminating the need of additional system level protection components. Both the transmitter and receiver are capable of operating at maximum 32 Mbps signaling rate. The device is optimized for small propagation delay variation to support time-sensitive applications such as Baseband unit (BBU) and Remote radio unit (RRU).

The device operates from a single 3.3 V supply. The wide common-mode voltage range and low input leakage on bus pins make THVD1330 suitable for multi-point applications over long cable runs.

THVD1330 is available in industry standard 8-pin SOIC package for drop-in compatibility. The device is characterized from –40°C to 125°C.

THVD1330 is a robust half-duplex RS-485 transceiver for industrial applications. The bus pins are immune to high levels of IEC Contact Discharge ESD events eliminating the need of additional system level protection components. Both the transmitter and receiver are capable of operating at maximum 32 Mbps signaling rate. The device is optimized for small propagation delay variation to support time-sensitive applications such as Baseband unit (BBU) and Remote radio unit (RRU).

The device operates from a single 3.3 V supply. The wide common-mode voltage range and low input leakage on bus pins make THVD1330 suitable for multi-point applications over long cable runs.

THVD1330 is available in industry standard 8-pin SOIC package for drop-in compatibility. The device is characterized from –40°C to 125°C.

Subscribe to Welllinkchips !
Your Name
* Email
Submit a request