0
TLC5971
  • TLC5971
  • TLC5971
  • TLC5971

TLC5971

ACTIVE

12-channel, 16-bit ES-PWM RGB LED driver with 3.3V Linear Regulator

Texas Instruments TLC5971 Product Info

1 April 2026 0

Parameters

Number of channels

12

LED current per channel (mA)

60

Vin (min) (V)

3

Vin (max) (V)

17

Features

Constant current, PWM control, Thermal shutdown

Operating temperature range (°C)

-40 to 85

Rating

Catalog

Package

HTSSOP (PWP)-20-41.6 mm² 6.5 x 6.4

Features

  • 12 Constant-Current Sink Output Channels
  • Current Capability: 60 mA Per Channel
  • Grayscale (GS) Control With Enhanced Spectrum
    PWM:
    16-Bit (65536 Steps)
  • Global Brightness Control (BC):
    7-Bit (128 Steps) for Each Color Group
  • Power-Supply Voltage Range:
    • Internal Linear Regulator: 6 V to 17 V
    • Direct Power Supply: 3 V to 5.5 V
  • LED Supply Voltage: Up to 17 V
  • Constant-Current Accuracy:
    • Channel-to-Channel = ±1% (Typical)
    • Device-to-Device = ±1% (Typical)
  • Data Transfer Rate: 20 MHz
  • Linear Voltage Regulator: 3.3 V
  • Auto Display Repeat Function
  • Display Timing Reset Function
  • Internal and External Selectable GS Clock
  • Thermal Shutdown (TSD) With Auto Restart
  • Unlimited Device Cascading
  • Operating Temperature Range: –40°C to +85°C
  • APPLICATIONS
    • RGB LED Cluster Lamp Displays

All other trademarks are the property of their respective owners

  • 12 Constant-Current Sink Output Channels
  • Current Capability: 60 mA Per Channel
  • Grayscale (GS) Control With Enhanced Spectrum
    PWM:
    16-Bit (65536 Steps)
  • Global Brightness Control (BC):
    7-Bit (128 Steps) for Each Color Group
  • Power-Supply Voltage Range:
    • Internal Linear Regulator: 6 V to 17 V
    • Direct Power Supply: 3 V to 5.5 V
  • LED Supply Voltage: Up to 17 V
  • Constant-Current Accuracy:
    • Channel-to-Channel = ±1% (Typical)
    • Device-to-Device = ±1% (Typical)
  • Data Transfer Rate: 20 MHz
  • Linear Voltage Regulator: 3.3 V
  • Auto Display Repeat Function
  • Display Timing Reset Function
  • Internal and External Selectable GS Clock
  • Thermal Shutdown (TSD) With Auto Restart
  • Unlimited Device Cascading
  • Operating Temperature Range: –40°C to +85°C
  • APPLICATIONS
    • RGB LED Cluster Lamp Displays

All other trademarks are the property of their respective owners

Description

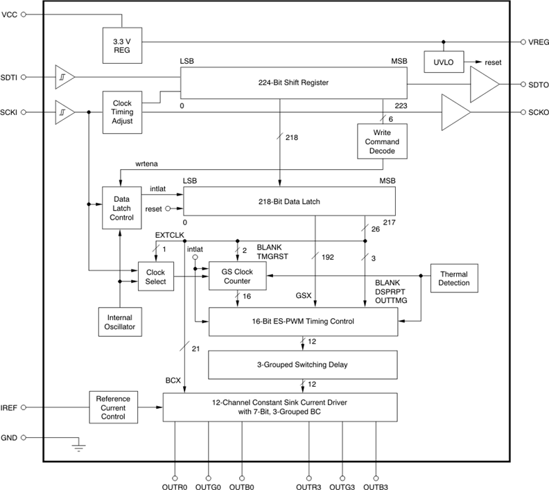
The TLC5971 device is a 12-channel, constant-current sink driver. Each output channel has individually adjustable currents with 65536 PWM grayscale (GS) steps. Also, each color group can be controlled by 128 constant-current sink steps with the global brightness control (BC) function. GS control and BC are accessible through a two-wire signal interface. The maximum current value for each channel is set by a single external resistor. All constant-current outputs are turned off when the IC is in an overtemperature condition.

The TLC5971 device is a 12-channel, constant-current sink driver. Each output channel has individually adjustable currents with 65536 PWM grayscale (GS) steps. Also, each color group can be controlled by 128 constant-current sink steps with the global brightness control (BC) function. GS control and BC are accessible through a two-wire signal interface. The maximum current value for each channel is set by a single external resistor. All constant-current outputs are turned off when the IC is in an overtemperature condition.

Subscribe to Welllinkchips !
Your Name
* Email
Submit a request