0
TDP142-Q1
  • TDP142-Q1
  • TDP142-Q1

TDP142-Q1

ACTIVE

Automotive 8.1Gbps DP1.4 linear redriver

Texas Instruments TDP142-Q1 Product Info

1 April 2026 2

Parameters

Type

Redriver

Rating

Automotive

Number of channels

6

Operating temperature range (°C)

-40 to 105

Package

VQFN (RGF)-40-35 mm² 7 x 5

Features

  • AEC-Q100 qualified for automotive applications:
    • Temperature: –40°C to 105°C, TA
  • DisplayPort™ 1.4 up to 8.1Gbps (HBR3)
  • Ultra-low-power architecture
  • Linear redriver with up to 12dB at 4.05GHz equalization
  • Transparent to DisplayPort™ link training
  • Configuration through GPIO or I2C
  • Hot-plug capable
  • Support DisplayPort™ dual-mode standard version 1.1 (AC-coupled HDMI)
  • Available in a 7mm × 5mm, 0.5mm pitch VQFN package
  • AEC-Q100 qualified for automotive applications:
    • Temperature: –40°C to 105°C, TA
  • DisplayPort™ 1.4 up to 8.1Gbps (HBR3)
  • Ultra-low-power architecture
  • Linear redriver with up to 12dB at 4.05GHz equalization
  • Transparent to DisplayPort™ link training
  • Configuration through GPIO or I2C
  • Hot-plug capable
  • Support DisplayPort™ dual-mode standard version 1.1 (AC-coupled HDMI)
  • Available in a 7mm × 5mm, 0.5mm pitch VQFN package

Description

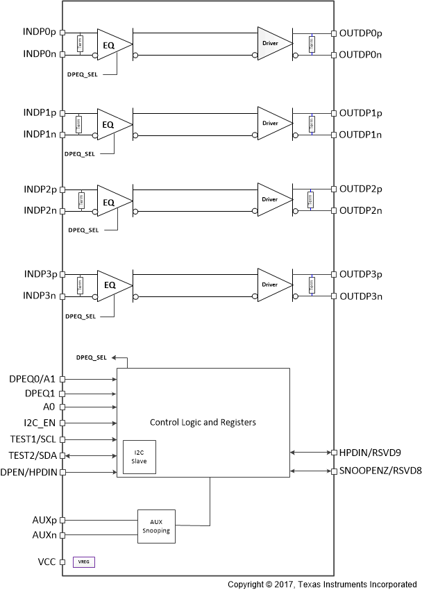
The TDP142-Q1 is a DisplayPort™ (DP) linear redriver that is able to snoop AUX and HPD signals. The device complies with the VESA DisplayPort™ standard Version 1.4, and supports a 1-lane to 4-lane Main Link interface signaling up to HBR3 (8.1Gbps per lane). Additionally, this device is position independent. The TDP142-Q1 can be placed inside source, cable or sink effectively providing a negative loss component to the overall link budget.

The TDP142-Q1 provides several levels of receive linear equalization to compensate for cable and board trace loss due to inter symbol interference (ISI). The TDP142-Q1 operates on a single 3.3V supply and comes in an Automotive Grade 2 temperature range.

The TDP142-Q1 is a DisplayPort™ (DP) linear redriver that is able to snoop AUX and HPD signals. The device complies with the VESA DisplayPort™ standard Version 1.4, and supports a 1-lane to 4-lane Main Link interface signaling up to HBR3 (8.1Gbps per lane). Additionally, this device is position independent. The TDP142-Q1 can be placed inside source, cable or sink effectively providing a negative loss component to the overall link budget.

The TDP142-Q1 provides several levels of receive linear equalization to compensate for cable and board trace loss due to inter symbol interference (ISI). The TDP142-Q1 operates on a single 3.3V supply and comes in an Automotive Grade 2 temperature range.

Subscribe to Welllinkchips !
Your Name
* Email
Submit a request