0
TCAL9538
  • TCAL9538
  • TCAL9538
  • TCAL9538
  • TCAL9538
  • TCAL9538
  • TCAL9538
  • TCAL9538

TCAL9538

ACTIVE

Low-voltage 8-bit I²C-bus/SMBus I/O expander with interrupt, reset and agile I/O configuration

Texas Instruments TCAL9538 Product Info

1 April 2026 0

Parameters

Number of I/Os

8

Features

1-MHz maximum frequency, Adjustable I/O level, Configuration registers, Interrupt pin, Reset pin

Supply voltage (min) (V)

1.08

Supply voltage (max) (V)

3.6

Addresses

4

Rating

Catalog

Frequency (max) (MHz)

1

Operating temperature range (°C)

-40 to 125

Package

TSSOP (PW)-16-32 mm² 5 x 6.4

Features

  • Operating power-supply voltage range of 1.08V to 3.6V
  • Low standby current consumption of 1µA typical at 1.8V
  • 1MHz fast mode plus I2C bus
  • Hardware address pin allows four devices on the same I2C, SMBus bus
  • Active-low reset input (RESET)
  • Open-drain active-low interrupt output (INT)
  • Input or output configuration register
  • Polarity inversion register
  • Configurable I/O drive strength register
  • Pull-up and pull-down resistor configuration register
  • Internal power-on reset
  • Noise filter on SCL or SDA inputs
  • Latched outputs with high-current drive maximum capability for directly driving LEDs
  • Latch-up performance exceeds 100mA per JESD 78, class II
  • ESD protection exceeds JESD 22
    • 4000V Human-body model (A114-A)
    • 1000V Charged-device model (C101)
  • Operating power-supply voltage range of 1.08V to 3.6V
  • Low standby current consumption of 1µA typical at 1.8V
  • 1MHz fast mode plus I2C bus
  • Hardware address pin allows four devices on the same I2C, SMBus bus
  • Active-low reset input (RESET)
  • Open-drain active-low interrupt output (INT)
  • Input or output configuration register
  • Polarity inversion register
  • Configurable I/O drive strength register
  • Pull-up and pull-down resistor configuration register
  • Internal power-on reset
  • Noise filter on SCL or SDA inputs
  • Latched outputs with high-current drive maximum capability for directly driving LEDs
  • Latch-up performance exceeds 100mA per JESD 78, class II
  • ESD protection exceeds JESD 22
    • 4000V Human-body model (A114-A)
    • 1000V Charged-device model (C101)

Description

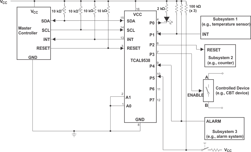
The TCAL9538 device provides general purpose parallel input/output (I/O) expansion for the two-line bidirectional I2C bus (or SMBus) protocol and is designed for 1.08V to 3.6V VCC operation.

The device supports 100kHz (Standard-mode), 400kHz (Fast-mode), and 1MHz (fast-mode-plus) I2C clock frequencies. I/O expanders such as the TCAL9538 provide a simple solution when additional I/Os are needed for switches, sensors, push-buttons, LEDs, fans, and so on.

The TCAL9538 has Agile I/O ports which include additional features designed to enhance the I/O performance in terms of speed, power consumption and EMI. The additional features are: programmable output drive strength, programmable pull-up and pull-down resistors, latchable inputs, maskable interrupt, interrupt status register, and programmable open-drain or push-pull outputs.

The TCAL9538 device provides general purpose parallel input/output (I/O) expansion for the two-line bidirectional I2C bus (or SMBus) protocol and is designed for 1.08V to 3.6V VCC operation.

The device supports 100kHz (Standard-mode), 400kHz (Fast-mode), and 1MHz (fast-mode-plus) I2C clock frequencies. I/O expanders such as the TCAL9538 provide a simple solution when additional I/Os are needed for switches, sensors, push-buttons, LEDs, fans, and so on.

The TCAL9538 has Agile I/O ports which include additional features designed to enhance the I/O performance in terms of speed, power consumption and EMI. The additional features are: programmable output drive strength, programmable pull-up and pull-down resistors, latchable inputs, maskable interrupt, interrupt status register, and programmable open-drain or push-pull outputs.

Subscribe to Welllinkchips !
Your Name
* Email
Submit a request