0
TCA9509
  • TCA9509
  • TCA9509
  • TCA9509
  • TCA9509

TCA9509

ACTIVE

2-bit level-translating 400-kHz I2C/SMBus buffer/repeater with internal 1-mA current source

Texas Instruments TCA9509 Product Info

1 April 2026 0

Parameters

Features

Buffer, Enable pin

Protocols

I2C

Frequency (max) (MHz)

0.4

VCCA (min) (V)

0.9

VCCA (max) (V)

5.5

VCCB (min) (V)

2.7

VCCB (max) (V)

5.5

Supply restrictions

VCCA <= (VCCB-1)

Rating

Catalog

Operating temperature range (°C)

-40 to 85

Package

VSSOP (DGK)-8-14.7 mm² 3 x 4.9

Features

  • Two-channel bidirectional buffer
  • I2C bus and SMBus compatible
  • Operating supply voltage range of 2.7V to 5.5V on B side
  • Operating voltage range of 0.9V to 5.5V on A side
  • Voltage-level translation from 0.9V to 5.5V and 2.7V to 5.5V
  • Active-high repeater-enable input
  • Requires no external pullup resistors on lower-voltage port-A
  • Open-drain I2C I/O
  • 5.5-V Tolerant I2C and enable input support mixed-mode signal operation
  • Lockup-free operation
  • Accommodates standard mode and fast mode I2C devices and multiple controllers
  • Supports arbitration and clock stretching across Repeater
  • Powered-off high-impedance I2C bus pins
  • Supports 400-kHz fast I2C bus operating speeds
  • Available in
    • 1.6mm × 1.6mm, 0.4mm height, 0.5mm pitch QFN package
    • 3mm × 3mm Industry standard MSOP package
  • Latch-up performance exceeds 100mA Per JESD 78, class II
  • ESD protection exceeds JESD 22
    • 2000V Human-body model (A114-A)
    • 1000V Charged-device model (C101)
  • Two-channel bidirectional buffer
  • I2C bus and SMBus compatible
  • Operating supply voltage range of 2.7V to 5.5V on B side
  • Operating voltage range of 0.9V to 5.5V on A side
  • Voltage-level translation from 0.9V to 5.5V and 2.7V to 5.5V
  • Active-high repeater-enable input
  • Requires no external pullup resistors on lower-voltage port-A
  • Open-drain I2C I/O
  • 5.5-V Tolerant I2C and enable input support mixed-mode signal operation
  • Lockup-free operation
  • Accommodates standard mode and fast mode I2C devices and multiple controllers
  • Supports arbitration and clock stretching across Repeater
  • Powered-off high-impedance I2C bus pins
  • Supports 400-kHz fast I2C bus operating speeds
  • Available in
    • 1.6mm × 1.6mm, 0.4mm height, 0.5mm pitch QFN package
    • 3mm × 3mm Industry standard MSOP package
  • Latch-up performance exceeds 100mA Per JESD 78, class II
  • ESD protection exceeds JESD 22
    • 2000V Human-body model (A114-A)
    • 1000V Charged-device model (C101)

Description

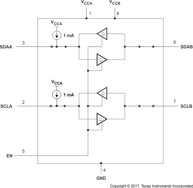
This TCA9509 integrated circuit is an I2C bus/SMBus Repeater for use in I2C/SMBus systems. It can also provide bidirectional voltage-level translation (up-translation/down-translation) between low voltages (down to 0.9V) and higher voltages (2.7V to 5.5V) in mixed-mode applications. This device enables I2C and similar bus systems to be extended, without degradation of performance even during level shifting.

The TCA9509 buffers both the serial data (SDA) and the serial clock (SCL) signals on the I2C bus, thus allowing 400pF bus capacitance on the B-side. This device can also be used to isolate two halves of a bus for voltage and capacitance.

The TCA9509 has two types of drivers – A-side drivers and B-side drivers. All inputs and B-side I/Os are overvoltage tolerant to 5.5V. The A-side I/Os are overvoltage tolerant to 5.5V when the device is unpowered (VCCB and/or VCCA = 0 V).

The bus port B drivers are compliant with SMBus I/O levels, while the A-side uses a current sensing mechanism to detect the input or output LOW signal which prevents bus lock-up. The A-side uses a 1 mA current source for pull-up and a 200Ω pull-down driver. This results in a LOW on the A-side accommodating smaller voltage swings. The output pull-down on the A-side internal buffer LOW is set for approximately 0.2V, while the input threshold of the internal buffer is set about 50mV lower than that of the output voltage LOW. When the A-side I/O is driven LOW internally, the LOW is not recognized as a LOW by the input. This prevents a lock-up condition from occurring. The output pull-down on the B-side drives a hard LOW and the input level is set at 0.3 of SMBus or I2C-bus voltage level which enables B side to connect to any other I2C-bus devices or buffer.

The TCA9509 drivers are not enabled unless VCCA is above 0.8V and VCCB is above 2.5V. The enable (EN) pin can also be used to turn the drivers on and off under system control. Caution should be observed to only change the state of the EN pin when the bus is idle.

This TCA9509 integrated circuit is an I2C bus/SMBus Repeater for use in I2C/SMBus systems. It can also provide bidirectional voltage-level translation (up-translation/down-translation) between low voltages (down to 0.9V) and higher voltages (2.7V to 5.5V) in mixed-mode applications. This device enables I2C and similar bus systems to be extended, without degradation of performance even during level shifting.

The TCA9509 buffers both the serial data (SDA) and the serial clock (SCL) signals on the I2C bus, thus allowing 400pF bus capacitance on the B-side. This device can also be used to isolate two halves of a bus for voltage and capacitance.

The TCA9509 has two types of drivers – A-side drivers and B-side drivers. All inputs and B-side I/Os are overvoltage tolerant to 5.5V. The A-side I/Os are overvoltage tolerant to 5.5V when the device is unpowered (VCCB and/or VCCA = 0 V).

The bus port B drivers are compliant with SMBus I/O levels, while the A-side uses a current sensing mechanism to detect the input or output LOW signal which prevents bus lock-up. The A-side uses a 1 mA current source for pull-up and a 200Ω pull-down driver. This results in a LOW on the A-side accommodating smaller voltage swings. The output pull-down on the A-side internal buffer LOW is set for approximately 0.2V, while the input threshold of the internal buffer is set about 50mV lower than that of the output voltage LOW. When the A-side I/O is driven LOW internally, the LOW is not recognized as a LOW by the input. This prevents a lock-up condition from occurring. The output pull-down on the B-side drives a hard LOW and the input level is set at 0.3 of SMBus or I2C-bus voltage level which enables B side to connect to any other I2C-bus devices or buffer.

The TCA9509 drivers are not enabled unless VCCA is above 0.8V and VCCB is above 2.5V. The enable (EN) pin can also be used to turn the drivers on and off under system control. Caution should be observed to only change the state of the EN pin when the bus is idle.

Subscribe to Welllinkchips !
Your Name
* Email
Submit a request