0
INA592
  • INA592
  • INA592
  • INA592
  • INA592
  • INA592
  • INA592

INA592

ACTIVE

High-precision (40-µV offset), 2-MHz, 88-dB CMRR, low-power, e-trim™ difference amplifier

Texas Instruments INA592 Product Info

1 April 2026 1

Parameters

Number of channels

1

Vs (min) (V)

4.5

Vs (max) (V)

36

CMRR (min) (dB)

88

Common-mode input low (min) (V)

-54.3

Common-mode input high (max) (V)

54

Input offset (±) (max) (V)

0.00004

Iq (typ) (mA)

1.1

Slew rate (typ) (V/µs)

18

Voltage gain (min) (V/V)

0.5

Voltage gain (max) (V/V)

2

Small-signal bandwidth (typ) (Hz)

2000000

Rating

Catalog

Operating temperature range (°C)

-40 to 125

Gain drift (max) (ppm/°C)

1

Gain error (±) (max) (%)

0.03

Package

SOIC (D)-8-29.4 mm² 4.9 x 6

Features

  • G = 1/2 amplifier
  • G = 2 amplifier
  • Low offset voltage: 40 µV (maximum)
  • Low offset voltage drift: ±2 µV/°C (maximum)
  • Low noise: 18 nV/√Hz at 1 kHz
  • Low gain error: ±0.03% (maximum)
  • High common-mode rejection: 88 dB (minimum)
  • Wide bandwidth: 2 MHz GBW
  • Low quiescent current: 1.1 mA per amplifier
  • High slew rate: 18 V/µs
  • High capacitive load drive capability: 500 pF
  • Wide supply range:
    • Single supply: 4.5 V to 36 V
    • Dual supply: ±2.25 V to ±18 V
  • Specified temperature range: –40°C to +125°C
  • Packages: 8-Pin MSOP and SOIC, 10-pin VSON
  • G = 1/2 amplifier
  • G = 2 amplifier
  • Low offset voltage: 40 µV (maximum)
  • Low offset voltage drift: ±2 µV/°C (maximum)
  • Low noise: 18 nV/√Hz at 1 kHz
  • Low gain error: ±0.03% (maximum)
  • High common-mode rejection: 88 dB (minimum)
  • Wide bandwidth: 2 MHz GBW
  • Low quiescent current: 1.1 mA per amplifier
  • High slew rate: 18 V/µs
  • High capacitive load drive capability: 500 pF
  • Wide supply range:
    • Single supply: 4.5 V to 36 V
    • Dual supply: ±2.25 V to ±18 V
  • Specified temperature range: –40°C to +125°C
  • Packages: 8-Pin MSOP and SOIC, 10-pin VSON

Description

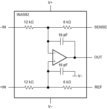
The INA592 device is a low-power, wide bandwidth difference amplifier consisting of a precision operational amplifier (op amp) and a precision resistor network. Excellent tracking of resistors (TCR) maintains gain accuracy and common-mode rejection over temperature. Unique features such as low offset 40 µV (maximum), low offset drift (2 µV/°C maximum) high slew rate (18 V/µs), and high capacitive load drive of up to 500 pF make the INA592 a robust, high-performance difference amplifier for high-voltage industrial applications. The common-mode range of the internal op amp extends to the negative supply, enabling the device to operate in single-supply applications. The device operates on single (4.5 V to 36 V) or dual supplies (±2.25 V to ±18 V).

The difference amplifier is the foundation of many commonly used circuits. The INA592 provides this circuit function without using an expensive precision resistor network.

The INA592 device is a low-power, wide bandwidth difference amplifier consisting of a precision operational amplifier (op amp) and a precision resistor network. Excellent tracking of resistors (TCR) maintains gain accuracy and common-mode rejection over temperature. Unique features such as low offset 40 µV (maximum), low offset drift (2 µV/°C maximum) high slew rate (18 V/µs), and high capacitive load drive of up to 500 pF make the INA592 a robust, high-performance difference amplifier for high-voltage industrial applications. The common-mode range of the internal op amp extends to the negative supply, enabling the device to operate in single-supply applications. The device operates on single (4.5 V to 36 V) or dual supplies (±2.25 V to ±18 V).

The difference amplifier is the foundation of many commonly used circuits. The INA592 provides this circuit function without using an expensive precision resistor network.

Subscribe to Welllinkchips !
Your Name
* Email
Submit a request