0
SN75C1168
  • SN75C1168
  • SN75C1168
  • SN75C1168
  • SN75C1168
  • SN75C1168

SN75C1168

ACTIVE

Dual Differential Drivers And Receivers

Texas Instruments SN75C1168 Product Info

1 April 2026 0

Parameters

Number of receivers

2

Number of transmitters

2

Duplex

Full

Supply voltage (nom) (V)

5

Signaling rate (max) (Mbps)

10

IEC 61000-4-2 contact (±V)

None

Fault protection (V)

-11 to 14

Common-mode range (V)

-7 to 7

Number of nodes

32

Isolated

No

Supply current (max) (µA)

9000

Rating

Catalog

Operating temperature range (°C)

0 to 70

Package

PDIP (N)-16-181.42 mm² 19.3 x 9.4

Features

  • Meet or exceed standards TIA/EIA-422-B and ITU recommendation V.11
  • BiCMOS process technology
  • Low supply-current requirements: 9mA maximum
  • Low pulse skew
  • Receiver input impedance: 17kΩ typical
  • Receiver input sensitivity: ±200mV
  • Receiver common-mode input voltage range of −7V to7 V
  • Operate from single 5V power supply
  • Glitch-free power-up and power-down protection
  • Receiver 3-state outputs active-low enable for SN65C1167 and SN75C1167 only
  • Improved replacements for the MC34050 and MC34051
  • Meet or exceed standards TIA/EIA-422-B and ITU recommendation V.11
  • BiCMOS process technology
  • Low supply-current requirements: 9mA maximum
  • Low pulse skew
  • Receiver input impedance: 17kΩ typical
  • Receiver input sensitivity: ±200mV
  • Receiver common-mode input voltage range of −7V to7 V
  • Operate from single 5V power supply
  • Glitch-free power-up and power-down protection
  • Receiver 3-state outputs active-low enable for SN65C1167 and SN75C1167 only
  • Improved replacements for the MC34050 and MC34051

Description

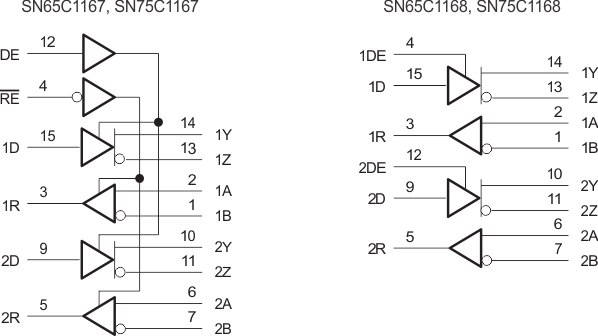
The SN65C1167, SN75C1167, SN65C1168, and SN75C1168 dual drivers and receivers are integrated circuits designed for balanced transmission lines. The devices meet TIA/EIA-422-B and ITU recommendation V.11.

The SN65C1167 and SN75C1167 combine dual 3-state differential line drivers and 3-state differential line receivers, both of which operate from a single 5V power supply. The driver and receiver have active-high and active-low enables, respectively, which can be connected together externally to function as direction control. The SN65C1168 and SN75C1168 drivers have individual active-high enables.

The SN65C1167, SN75C1167, SN65C1168, and SN75C1168 dual drivers and receivers are integrated circuits designed for balanced transmission lines. The devices meet TIA/EIA-422-B and ITU recommendation V.11.

The SN65C1167 and SN75C1167 combine dual 3-state differential line drivers and 3-state differential line receivers, both of which operate from a single 5V power supply. The driver and receiver have active-high and active-low enables, respectively, which can be connected together externally to function as direction control. The SN65C1168 and SN75C1168 drivers have individual active-high enables.

Subscribe to Welllinkchips !
Your Name
* Email
Submit a request