0
SN75ALS172A
  • SN75ALS172A
  • SN75ALS172A
  • SN75ALS172A
  • SN75ALS172A
  • SN75ALS172A

SN75ALS172A

ACTIVE

Quadruple Differential Line Driver

Texas Instruments SN75ALS172A Product Info

1 April 2026 0

Parameters

Number of receivers

0

Number of transmitters

4

Supply voltage (nom) (V)

5

Signaling rate (max) (Mbps)

20

IEC 61000-4-2 contact (±V)

None

Fault protection (V)

-10 to 15

Common-mode range (V)

-7 to 12

Number of nodes

32

Isolated

No

Supply current (max) (µA)

55000

Rating

Catalog

Operating temperature range (°C)

0 to 70

Package

PDIP (N)-16-181.42 mm² 19.3 x 9.4

Features

  • Meets or exceeds ANSI standards EIA/TIA-422-B and RS-485 and ITU recommendation V.11
  • High-speed advanced low-power Schottky circuitry
  • Designed for 20MBaud operation in both serial and parallel applications
  • Designed for multipoint transmission on long bus lines in noisy environments
  • Low supply-current requirements: 55mA max
  • Wide positive and negative input/output bus-voltage ranges
  • Driver output capacity: ±60mA
  • Thermal shutdown protection
  • Driver positive and negative current limiting
  • Logically interchangeable with SN75172
  • Meets or exceeds ANSI standards EIA/TIA-422-B and RS-485 and ITU recommendation V.11
  • High-speed advanced low-power Schottky circuitry
  • Designed for 20MBaud operation in both serial and parallel applications
  • Designed for multipoint transmission on long bus lines in noisy environments
  • Low supply-current requirements: 55mA max
  • Wide positive and negative input/output bus-voltage ranges
  • Driver output capacity: ±60mA
  • Thermal shutdown protection
  • Driver positive and negative current limiting
  • Logically interchangeable with SN75172

Description

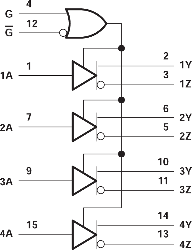
The SN75ALS172A comprises four line drivers with 3-state differential outputs. Which are designed to meet the requirements of ANSI Standards EIA/TIA-422-B and RS-485 and ITU Recommendation V.11. The device is optimized for balanced multipoint bus transmission at rates of up to 20Mbaud. Each driver features wide positive and negative common-mode output voltage ranges, making the driver suitable for party-line applications in noisy environments.

The SN75ALS172A provides positive- and negative-current limiting, and thermal shutdown for protection from line-fault conditions on the transmission bus line. Shutdown occurs at a junction temperature of approximately 150°C.

The SN75ALS172A is characterized for operation from 0°C to 70°C.

The SN75ALS172A comprises four line drivers with 3-state differential outputs. Which are designed to meet the requirements of ANSI Standards EIA/TIA-422-B and RS-485 and ITU Recommendation V.11. The device is optimized for balanced multipoint bus transmission at rates of up to 20Mbaud. Each driver features wide positive and negative common-mode output voltage ranges, making the driver suitable for party-line applications in noisy environments.

The SN75ALS172A provides positive- and negative-current limiting, and thermal shutdown for protection from line-fault conditions on the transmission bus line. Shutdown occurs at a junction temperature of approximately 150°C.

The SN75ALS172A is characterized for operation from 0°C to 70°C.

Subscribe to Welllinkchips !
Your Name
* Email
Submit a request