0
SN74LVCH16652A
  • SN74LVCH16652A
  • SN74LVCH16652A
  • SN74LVCH16652A
  • SN74LVCH16652A

SN74LVCH16652A

ACTIVE

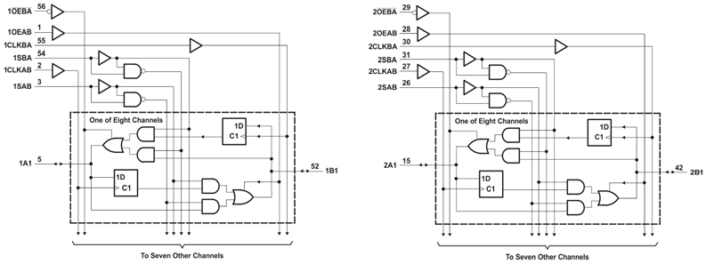
16-Bit Bus Transceiver And Register With 3-State Outputs

Texas Instruments SN74LVCH16652A Product Info

1 April 2026 0

Parameters

Supply voltage (min) (V)

1.65

Supply voltage (max) (V)

3.6

Number of channels

16

IOL (max) (mA)

24

IOH (max) (mA)

-24

Input type

TTL/CMOS

Output type

LVTTL

Features

Balanced outputs

Technology family

LVC

Rating

Catalog

Operating temperature range (°C)

-40 to 125

Package

SSOP (DL)-56-190.647 mm² 18.42 x 10.35

Features

  • Member of the Texas Instruments Widebus™
    Family
  • Operates From 1.65 V to 3.6 V
  • Inputs Accept Voltages to 5.5 V
  • Max tpd of 6.3 ns at 3.3 V
  • Typical VOLP (Output Ground Bounce)
    < 0.8 V at VCC = 3.3 V, TA = 25°C
  • Typical VOHV (Output VOH Undershoot)
    > 2 V at VCC = 3.3 V, TA = 25°C
  • Supports Mixed-Mode Signal Operation on All Ports
    (5-V Input/Output Voltage With 3.3-V VCC)
  • Ioff Supports Partial-Power-Down Mode Operation
  • Bus Hold on Data Inputs Eliminates the Need for
    External Pull-up or Pull-down Resistors
  • Latch-Up Performance Exceeds 250 mA Per
    JESD 17
  • ESD Protection Exceeds JESD 22
    • 2000-V Human-Body Model
    • 200-V Machine Model
    • 1500-V Charged-Device Model
  • Member of the Texas Instruments Widebus™
    Family
  • Operates From 1.65 V to 3.6 V
  • Inputs Accept Voltages to 5.5 V
  • Max tpd of 6.3 ns at 3.3 V
  • Typical VOLP (Output Ground Bounce)
    < 0.8 V at VCC = 3.3 V, TA = 25°C
  • Typical VOHV (Output VOH Undershoot)
    > 2 V at VCC = 3.3 V, TA = 25°C
  • Supports Mixed-Mode Signal Operation on All Ports
    (5-V Input/Output Voltage With 3.3-V VCC)
  • Ioff Supports Partial-Power-Down Mode Operation
  • Bus Hold on Data Inputs Eliminates the Need for
    External Pull-up or Pull-down Resistors
  • Latch-Up Performance Exceeds 250 mA Per
    JESD 17
  • ESD Protection Exceeds JESD 22
    • 2000-V Human-Body Model
    • 200-V Machine Model
    • 1500-V Charged-Device Model

Description

This 16-bit bus transceiver and register is designed for 1.65-V to 3.6-V VCC operation.

This 16-bit bus transceiver and register is designed for 1.65-V to 3.6-V VCC operation.

Subscribe to Welllinkchips !
Your Name
* Email
Submit a request