0
SN74LVC1G99-Q1
  • SN74LVC1G99-Q1
  • SN74LVC1G99-Q1

SN74LVC1G99-Q1

ACTIVE

Automotive Catalog Ultra-Configurable Multi-Function Gate With 3-State Outputs

Texas Instruments SN74LVC1G99-Q1 Product Info

1 April 2026 0

Parameters

Technology family

LVC

Supply voltage (min) (V)

1.65

Supply voltage (max) (V)

5.5

Number of channels

1

Inputs per channel

1

IOL (max) (mA)

32

IOH (max) (mA)

-32

Input type

Schmitt-Trigger

Output type

3-State

Features

Output enable, Over-voltage tolerant inputs, Partial power down (Ioff), Very high speed (tpd 5-10ns)

Data rate (max) (Mbps)

100

Rating

Automotive

Operating temperature range (°C)

-40 to 125

Package

VSSOP (DCU)-8-6.2 mm² 2 x 3.1

Features

  • Qualified for Automotive Applications
  • Supports 5-V VCC Operation
  • Inputs Accept Voltages to 5.5 V
  • Low Power Consumption, 15-µA Max ICC
  • ±24-mA Output Drive at 3.3 V
  • Offers Nine Different Logic Functions in a Single Package
  • Ioff Supports Partial-Power-Down Mode Operation
  • Input Hysteresis Allows for Slow Input Transition Time and
    Better Noise Immunity at Input

  • Qualified for Automotive Applications
  • Supports 5-V VCC Operation
  • Inputs Accept Voltages to 5.5 V
  • Low Power Consumption, 15-µA Max ICC
  • ±24-mA Output Drive at 3.3 V
  • Offers Nine Different Logic Functions in a Single Package
  • Ioff Supports Partial-Power-Down Mode Operation
  • Input Hysteresis Allows for Slow Input Transition Time and
    Better Noise Immunity at Input

Description

The SN74LVC1G99-Q1 is operational from 1.65 V to 5.5 V.

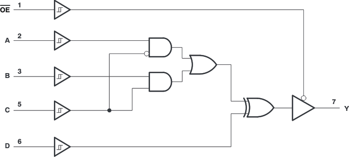
The SN74LVC1G99-Q1 features configurable multiple functions with a 3-state output. The output is disabled when the output-enable (OE) input is high. When OE is low, the output state is determined by 16 patterns of 4-bit input. The user can choose logic functions, such as MUX, AND, OR, NAND, NOR, XOR, XNOR, inverter, and buffer. All inputs can be connected to VCC or GND.

This device functions as an independent inverter, but because of Schmitt action, it has different input threshold levels for positive-going (VT+) and negative-going (VT–) signals.

To ensure the high-impedance state during power up or power down, OE should be tied to VCC through a pullup resistor; the minimum value of the resistor is determined by the current-sinking capability of the driver.

This device is fully specified for partial-power-down applications using Ioff. The Ioff circuitry disables the outputs, preventing damaging current backflow through the device when it is powered down.

The SN74LVC1G99-Q1 is operational from 1.65 V to 5.5 V.

The SN74LVC1G99-Q1 features configurable multiple functions with a 3-state output. The output is disabled when the output-enable (OE) input is high. When OE is low, the output state is determined by 16 patterns of 4-bit input. The user can choose logic functions, such as MUX, AND, OR, NAND, NOR, XOR, XNOR, inverter, and buffer. All inputs can be connected to VCC or GND.

This device functions as an independent inverter, but because of Schmitt action, it has different input threshold levels for positive-going (VT+) and negative-going (VT–) signals.

To ensure the high-impedance state during power up or power down, OE should be tied to VCC through a pullup resistor; the minimum value of the resistor is determined by the current-sinking capability of the driver.

This device is fully specified for partial-power-down applications using Ioff. The Ioff circuitry disables the outputs, preventing damaging current backflow through the device when it is powered down.