0
SN74LVC138A
  • SN74LVC138A
  • SN74LVC138A
  • SN74LVC138A
  • SN74LVC138A
  • SN74LVC138A
  • SN74LVC138A
  • SN74LVC138A
  • SN74LVC138A
  • SN74LVC138A

SN74LVC138A

ACTIVE

3-Line To 8-Line decoder/Demultiplexer

Texas Instruments SN74LVC138A Product Info

1 April 2026 1

Parameters

Technology family

LVC

Number of channels

1

Operating temperature range (°C)

-40 to 85

Rating

Catalog

Supply current (max) (µA)

10

Package

SOIC (D)-16-59.4 mm² 9.9 x 6

Features

  • Operate From 1.65 V to 3.6 V
  • Inputs Accept Voltages to 5.5 V
  • Max tpd of 5.8 ns at 3.3 V
  • Typical VOLP (Output Ground Bounce) < 0.8 V at VCC = 3.3 V, TA = 25°C
  • Typical VOHV (Output VOH Undershoot) > 2 V at VCC = 3.3 V, TA = 25°C
  • Latch-Up Performance Exceeds 250 mA Per JESD 17
  • Operate From 1.65 V to 3.6 V
  • Inputs Accept Voltages to 5.5 V
  • Max tpd of 5.8 ns at 3.3 V
  • Typical VOLP (Output Ground Bounce) < 0.8 V at VCC = 3.3 V, TA = 25°C
  • Typical VOHV (Output VOH Undershoot) > 2 V at VCC = 3.3 V, TA = 25°C
  • Latch-Up Performance Exceeds 250 mA Per JESD 17

Description

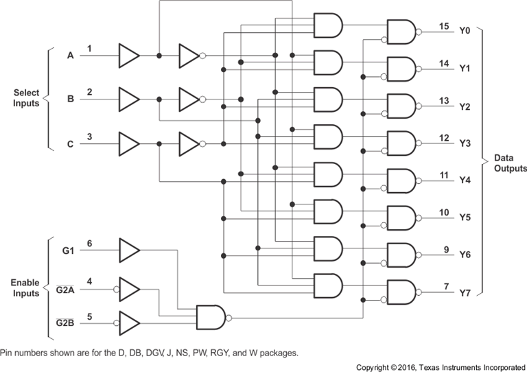
The SN74LVC138A devices are designed for high-performance memory-decoding or data-routing applications requiring very short propagation delay times. In high-performance memory systems, these decoders minimize the effects of system decoding. When employed with high-speed memories using a fast enable circuit, delay times of these decoders and the enable time of the memory usually are less than the typical access time of the memory. This means that the effective system delay introduced by the decoders is negligible.

The SN74LVC138A devices are designed for high-performance memory-decoding or data-routing applications requiring very short propagation delay times. In high-performance memory systems, these decoders minimize the effects of system decoding. When employed with high-speed memories using a fast enable circuit, delay times of these decoders and the enable time of the memory usually are less than the typical access time of the memory. This means that the effective system delay introduced by the decoders is negligible.

Subscribe to Welllinkchips !
Your Name
* Email
Submit a request