0
SN74LV163A
  • SN74LV163A
  • SN74LV163A
  • SN74LV163A
  • SN74LV163A
  • SN74LV163A
  • SN74LV163A
  • SN74LV163A
  • SN74LV163A
  • SN74LV163A

SN74LV163A

ACTIVE

4-Bit Synchronous Binary Counters

Texas Instruments SN74LV163A Product Info

1 April 2026 0

Parameters

Function

Counter

Bits (#)

4

Technology family

LV-A

Supply voltage (min) (V)

2

Supply voltage (max) (V)

5.5

Input type

Standard CMOS

Output type

Push-Pull

Features

Balanced outputs, Over-voltage tolerant inputs, Partial power down (Ioff), Presettable, Very high speed (tpd 5-10ns)

Operating temperature range (°C)

-40 to 85

Rating

Catalog

Package

SOIC (D)-16-59.4 mm² 9.9 x 6

Features

  • 2V to 5.5V VCC operation
  • Max tpd of 9.5ns at 5V
  • Typical VOLP (output ground bounce) <0.8V at VCC = 3.3V, TA = 25°C
  • Typical VOHV (output VOH undershoot) >2.3V at VCC = 3.3V, TA = 25°C
  • Support mixed-mode voltage operation on all ports
  • Internal look ahead for fast counting
  • Carry output for n-bit cascading
  • Synchronous counting
  • Synchronously programmable
  • Ioff supports partial-power-down mode operation
  • Latch-up performance exceeds 100mA per JESD 78, class II
  • 2V to 5.5V VCC operation
  • Max tpd of 9.5ns at 5V
  • Typical VOLP (output ground bounce) <0.8V at VCC = 3.3V, TA = 25°C
  • Typical VOHV (output VOH undershoot) >2.3V at VCC = 3.3V, TA = 25°C
  • Support mixed-mode voltage operation on all ports
  • Internal look ahead for fast counting
  • Carry output for n-bit cascading
  • Synchronous counting
  • Synchronously programmable
  • Ioff supports partial-power-down mode operation
  • Latch-up performance exceeds 100mA per JESD 78, class II

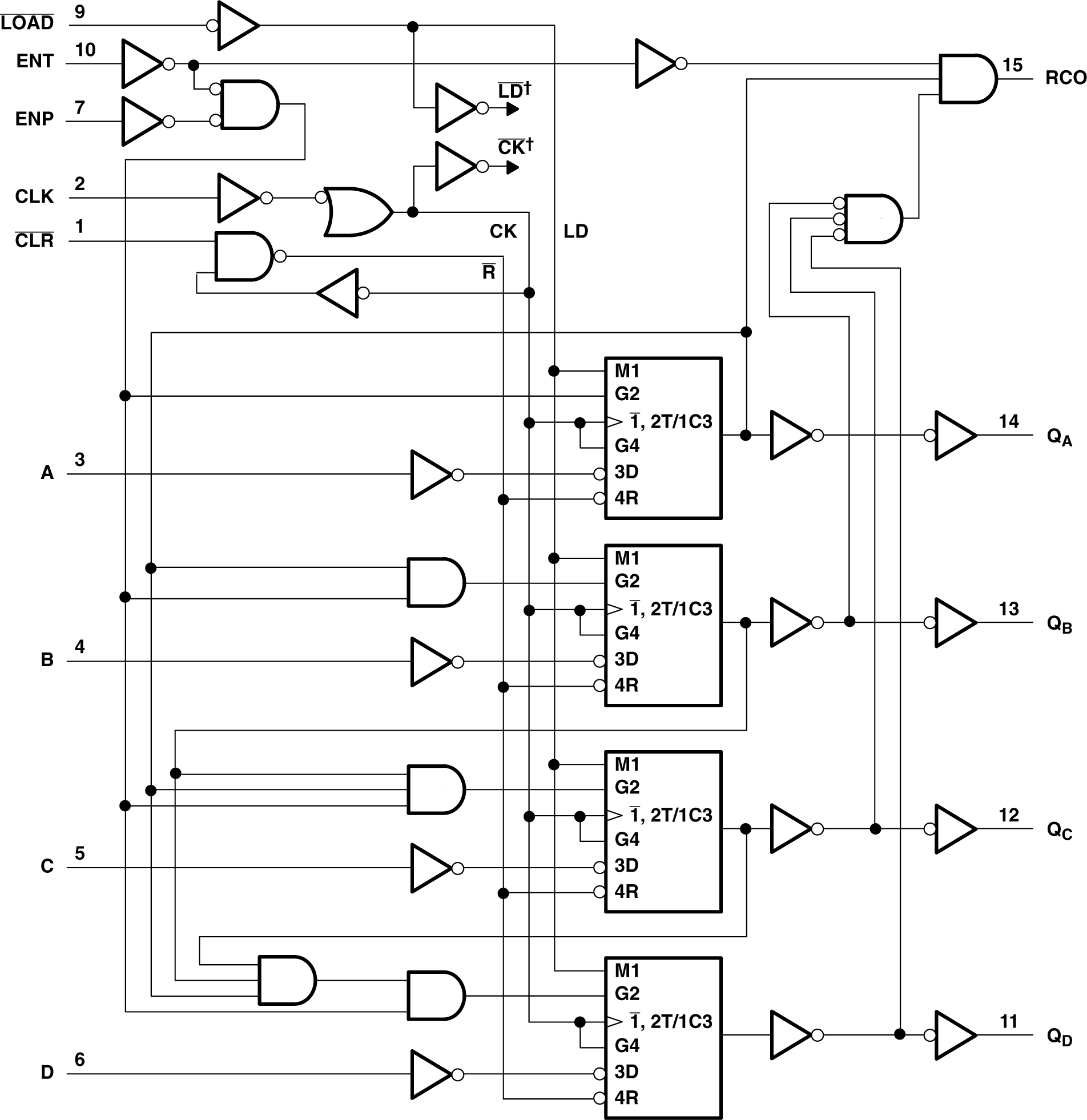
Description

The ’LV163A devices are 4-bit synchronous binary counters designed for 2V to 5.5V VCC operation.

The ’LV163A devices are 4-bit synchronous binary counters designed for 2V to 5.5V VCC operation.

Subscribe to Welllinkchips !
Your Name
* Email
Submit a request