0
LMR23615
  • LMR23615
  • LMR23615

LMR23615

ACTIVE

SIMPLE SWITCHER®, 36-V, 1.5-A Synchronous Step-Down Converter

Texas Instruments LMR23615 Product Info

1 April 2026 0

Parameters

Rating

Catalog

Topology

Buck

Iout (max) (A)

1.5

Vin (max) (V)

36

Vin (min) (V)

4

Vout (max) (V)

28

Vout (min) (V)

1

Features

Enable, Frequency synchronization, Light-load efficiency, Overcurrent protection, Pre-bias startup, Synchronous rectification, UVLO adjustable, Wettable flanks package

Control mode

current mode

Operating temperature range (°C)

-40 to 125

Iq (typ) (A)

0.000075

Duty cycle (max) (%)

97

Package

WSON (DRR)-12-9 mm² 3 x 3

Features

  • 4-V to 36-V input range
  • 1.5-A Continuous output current
  • Integrated synchronous rectification
  • Current-mode control with internal compensation
  • Minimum switch ON-time: 60 ns
  • Adjustable switching frequency
  • PFM mode at light load
  • Frequency synchronization to external clock
  • 75-µA Quiescent current
  • Soft start into a prebiased load
  • High-duty-cycle operation supported
  • Output short-circuit protection with hiccup mode
  • Thermal protection
  • 12-Pin WSON wettable flanks package with PowerPAD™
  • Use the LMZM22602 module for faster time to market
  • Create a custom design using the LMR23615 with the WEBENCH Power Designer
  • 4-V to 36-V input range
  • 1.5-A Continuous output current
  • Integrated synchronous rectification
  • Current-mode control with internal compensation
  • Minimum switch ON-time: 60 ns
  • Adjustable switching frequency
  • PFM mode at light load
  • Frequency synchronization to external clock
  • 75-µA Quiescent current
  • Soft start into a prebiased load
  • High-duty-cycle operation supported
  • Output short-circuit protection with hiccup mode
  • Thermal protection
  • 12-Pin WSON wettable flanks package with PowerPAD™
  • Use the LMZM22602 module for faster time to market
  • Create a custom design using the LMR23615 with the WEBENCH Power Designer

Description

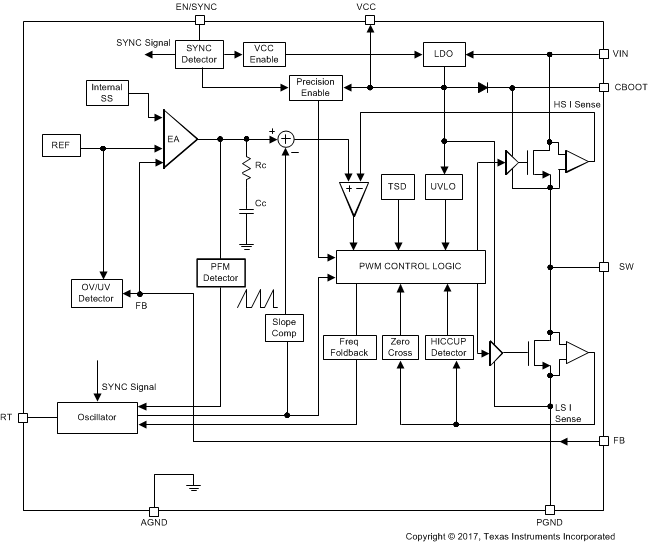
The LMR23615 SIMPLE SWITCHER is an easy-to-use 36-V, 1.5-A synchronous step-down regulator. With a wide input range from 4 V to 36 V, the device is suitable for various industrial applications for power conditioning from unregulated sources. Peak current mode control is employed to achieve simple control-loop compensation and cycle-by-cycle current limiting. A quiescent current of 75 µA makes the device suitable for battery-powered systems. An ultra-low 2-µA shutdown current can further prolong battery life. Internal loop compensation means that the user is free from the tedious task of loop-compensation design and also minimizes the external components needed. An extended family is available in 2.5-A (LMR23625) and 3-A (LMR23630) load-current options in pin-to-pin compatible packages, allowing simple, optimum PCB layout. A precision enable input allows simplification of regulator control and system power sequencing. Protection features include cycle-by-cycle current limit, hiccup-mode short-circuit protection, and thermal shutdown due to excessive power dissipation.

space

space

space

The LMR23615 SIMPLE SWITCHER is an easy-to-use 36-V, 1.5-A synchronous step-down regulator. With a wide input range from 4 V to 36 V, the device is suitable for various industrial applications for power conditioning from unregulated sources. Peak current mode control is employed to achieve simple control-loop compensation and cycle-by-cycle current limiting. A quiescent current of 75 µA makes the device suitable for battery-powered systems. An ultra-low 2-µA shutdown current can further prolong battery life. Internal loop compensation means that the user is free from the tedious task of loop-compensation design and also minimizes the external components needed. An extended family is available in 2.5-A (LMR23625) and 3-A (LMR23630) load-current options in pin-to-pin compatible packages, allowing simple, optimum PCB layout. A precision enable input allows simplification of regulator control and system power sequencing. Protection features include cycle-by-cycle current limit, hiccup-mode short-circuit protection, and thermal shutdown due to excessive power dissipation.

space

space

space

Subscribe to Welllinkchips !
Your Name
* Email
Submit a request