0
SN74HCS16507-Q1
  • SN74HCS16507-Q1
  • SN74HCS16507-Q1
  • SN74HCS16507-Q1

SN74HCS16507-Q1

ACTIVE

Automotive 8-bit parallel-load shift registers

Texas Instruments SN74HCS16507-Q1 Product Info

1 April 2026 1

Parameters

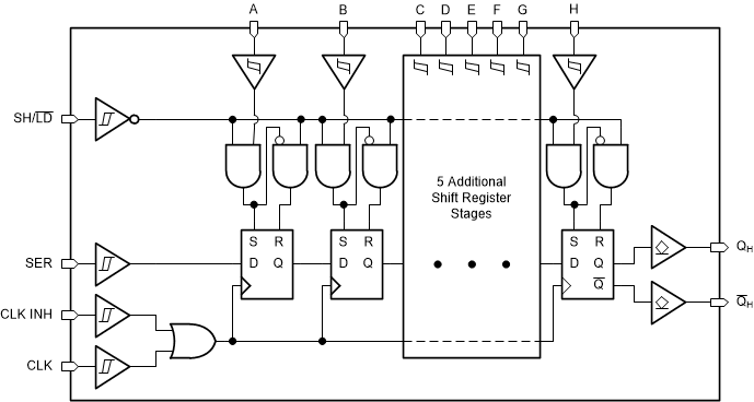
Configuration

Parallel-in, Serial-out

Bits (#)

8

Technology family

HCS

Supply voltage (min) (V)

2

Supply voltage (max) (V)

6

Input type

Schmitt-Trigger

Output type

Open-drain

Clock frequency (MHz)

150

IOL (max) (mA)

7.8

IOH (max) (mA)

-7.8

Supply current (max) (µA)

2

Features

High speed (tpd 10-50ns), Positive input clamp diode

Operating temperature range (°C)

-40 to 125

Rating

Automotive

Package

SOIC (D)-16-59.4 mm² 9.9 x 6

Features

  • AEC-Q100 Qualified for automotive applications:
    • Device temperature grade 1: –40°C to +125°C, TA
    • Device HBM ESD Classification Level 2
    • Device CDM ESD Classifcation Level C6
  • Wide operating voltage range: 2 V to 6 V
  • Schmitt-trigger inputs allow for slow or noisy input signals
  • Low power consumption
    • Typical ICC of 100 nA
    • Typical input leakage current of ±100 nA
  • 7.8-mA output drive at 6 V
  • AEC-Q100 Qualified for automotive applications:
    • Device temperature grade 1: –40°C to +125°C, TA
    • Device HBM ESD Classification Level 2
    • Device CDM ESD Classifcation Level C6
  • Wide operating voltage range: 2 V to 6 V
  • Schmitt-trigger inputs allow for slow or noisy input signals
  • Low power consumption
    • Typical ICC of 100 nA
    • Typical input leakage current of ±100 nA
  • 7.8-mA output drive at 6 V

Description

The is a parallel- or serial-in, serial-out 8-bit shift register with open-drain outputs.

The is a parallel- or serial-in, serial-out 8-bit shift register with open-drain outputs.

Subscribe to Welllinkchips !
Your Name
* Email
Submit a request