0
SN74HC74-Q1
  • SN74HC74-Q1
  • SN74HC74-Q1
  • SN74HC74-Q1

SN74HC74-Q1

ACTIVE

Automotive Catalog Dual D-Type Positive-Edge-Triggered Flip-Flops With Clear and Preset

Texas Instruments SN74HC74-Q1 Product Info

1 April 2026 0

Parameters

Number of channels

2

Technology family

HC

Supply voltage (min) (V)

2

Supply voltage (max) (V)

6

Input type

Standard CMOS

Output type

Push-Pull

Clock frequency (max) (MHz)

29

IOL (max) (mA)

5.2

IOH (max) (mA)

-5.2

Supply current (max) (µA)

40

Features

Balanced outputs, High speed (tpd 10-50ns), Positive input clamp diode

Operating temperature range (°C)

-40 to 125

Rating

Automotive

Package

SOIC (D)-14-51.9 mm² 8.65 x 6

Features

  • AEC-Q100 Qualified for automotive applications:
    • Device temperature grade 1:
      –40°C to +125°C, TA
  • Buffered inputs
  • Positive and negative input clamp diodes
  • Wide operating voltage range: 2 V to 6 V
  • Supports fanout up to 10 LSTTL loads
  • Significant power reduction compared to LSTTL logic ICs
  • AEC-Q100 Qualified for automotive applications:
    • Device temperature grade 1:
      –40°C to +125°C, TA
  • Buffered inputs
  • Positive and negative input clamp diodes
  • Wide operating voltage range: 2 V to 6 V
  • Supports fanout up to 10 LSTTL loads
  • Significant power reduction compared to LSTTL logic ICs

Description

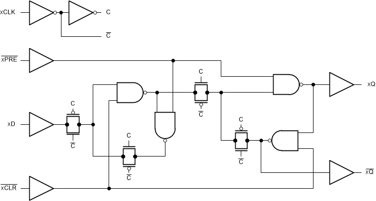
The SN74HC74-Q1 devices contain two independent D-type positive-edge-triggered flip-flops with asynchronous preset and clear pins for each.

The SN74HC74-Q1 devices contain two independent D-type positive-edge-triggered flip-flops with asynchronous preset and clear pins for each.

Subscribe to Welllinkchips !
Your Name
* Email
Submit a request