0
SN74HC4852
  • SN74HC4852
  • SN74HC4852
  • SN74HC4852
  • SN74HC4852
  • SN74HC4852

SN74HC4852

ACTIVE

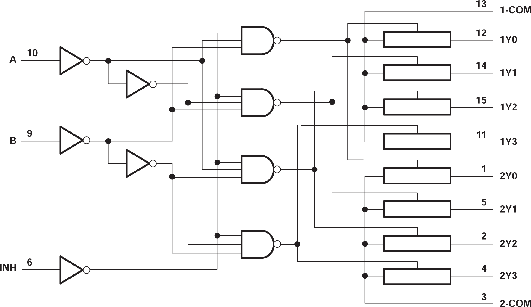
5-V, 4:1, 2-channel analog multiplexer with injection-current effect control

Texas Instruments SN74HC4852 Product Info

1 April 2026 0

Parameters

Configuration

4:1

Number of channels

2

Power supply voltage - single (V)

2.5, 3.3, 5

Protocols

Analog

Ron (typ) (Ω)

150

CON (typ) (pF)

6.7

ON-state leakage current (max) (µA)

1

Supply current (typ) (µA)

2

Operating temperature range (°C)

-40 to 125

Input/output continuous current (max) (A)

0.025

Rating

Catalog

Drain supply voltage (max) (V)

6

Supply voltage (max) (V)

6

Package

PDIP (N)-16-181.42 mm² 19.3 x 9.4

Features

  • Injection current cross−coupling <1mV/mA (see Figure 8-1)
  • Low crosstalk between switches
  • Pin compatible with SN74HC4052, SN74LV4052A, and CD4052B
  • 2V to 5.5V V CC operation
  • Latch-up performance exceeds 100mA per JESD 78, Class II
  • Injection current cross−coupling <1mV/mA (see Figure 8-1)
  • Low crosstalk between switches
  • Pin compatible with SN74HC4052, SN74LV4052A, and CD4052B
  • 2V to 5.5V V CC operation
  • Latch-up performance exceeds 100mA per JESD 78, Class II

Description

This dual 4-to-1 CMOS analog multiplexer/demultiplexer is pin compatible with the 4052 function and also features injection-current effect control. This feature has excellent value in automotive applications where voltages in excess of normal supply voltages are common.

The injection-current effect control allows signals at disabled analog input channels to exceed the supply voltage without affecting the signal of the enabled analog channel. This eliminates the need for external diode/resistor networks typically used to keep the analog channel signals within the supply voltage range.

This dual 4-to-1 CMOS analog multiplexer/demultiplexer is pin compatible with the 4052 function and also features injection-current effect control. This feature has excellent value in automotive applications where voltages in excess of normal supply voltages are common.

The injection-current effect control allows signals at disabled analog input channels to exceed the supply voltage without affecting the signal of the enabled analog channel. This eliminates the need for external diode/resistor networks typically used to keep the analog channel signals within the supply voltage range.

Subscribe to Welllinkchips !
Your Name
* Email
Submit a request