0
SN74HC253-Q1
  • SN74HC253-Q1
  • SN74HC253-Q1
  • SN74HC253-Q1

SN74HC253-Q1

ACTIVE

Automotive Catalog Dual 4-Line To 1-Line Data Selectors/Multiplexers With 3-State Outputs

Texas Instruments SN74HC253-Q1 Product Info

1 April 2026 1

Parameters

Technology family

HC

Function

Digital Multiplexer

Configuration

4:1

Number of channels

2

Operating temperature range (°C)

-40 to 125

Rating

Automotive

Package

SOIC (D)-16-59.4 mm² 9.9 x 6

Features

  • Qualified for automotive applications
  • 3-State Version of ’HC153
  • Wide operating voltage range of 2V to 6V
  • High-current inverting outputs drive up to 15 LSTTL loads
  • Low power consumption, 80µA max ICC
  • Typical tpd = 9ns
  • ±6mA output drive at 5V
  • Low input current of 1µA max
  • Permit multiplexing from n lines to one line
  • Perform parallel-to-serial conversion
  • Qualified for automotive applications
  • 3-State Version of ’HC153
  • Wide operating voltage range of 2V to 6V
  • High-current inverting outputs drive up to 15 LSTTL loads
  • Low power consumption, 80µA max ICC
  • Typical tpd = 9ns
  • ±6mA output drive at 5V
  • Low input current of 1µA max
  • Permit multiplexing from n lines to one line
  • Perform parallel-to-serial conversion

Description

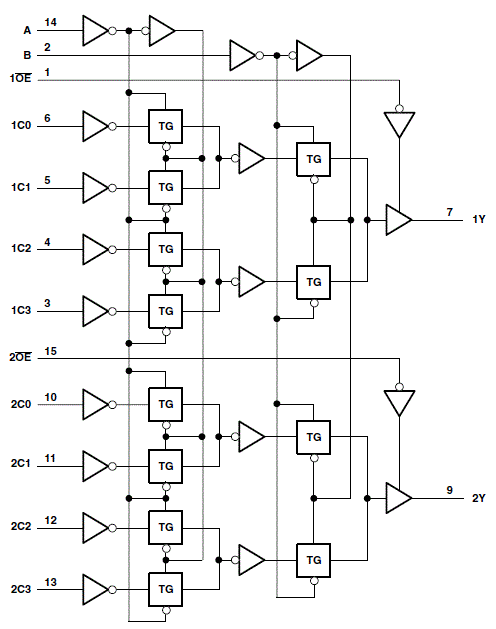
The SN74HC253-Q1 devices contain two independent data selectors/multiplexers with full binary decoding to select 1-of-4 data sources and features strobe- controlled (OE) 3-state outputs.

The SN74HC253-Q1 devices contain two independent data selectors/multiplexers with full binary decoding to select 1-of-4 data sources and features strobe- controlled (OE) 3-state outputs.

Subscribe to Welllinkchips !
Your Name
* Email
Submit a request