0
SN74AC174-Q1
  • SN74AC174-Q1
  • SN74AC174-Q1
  • SN74AC174-Q1
  • SN74AC174-Q1

SN74AC174-Q1

ACTIVE

Automotive hex D-type flip-flops with clear

Texas Instruments SN74AC174-Q1 Product Info

1 April 2026 0

Parameters

Number of channels

6

Technology family

AC

Supply voltage (min) (V)

1.5

Supply voltage (max) (V)

5.5

Input type

Standard CMOS

Output type

Push-Pull

Clock frequency (max) (MHz)

150

IOL (max) (mA)

24

IOH (max) (mA)

-24

Supply current (max) (µA)

200

Features

Balanced outputs, Positive input clamp diode, Very high speed (tpd 5-10ns)

Operating temperature range (°C)

-40 to 125

Rating

Automotive

Package

TSSOP (PW)-16-32 mm² 5 x 6.4

Features

  • AEC-Q100 qualified for automotive applications:
    • Device temperature grade 1: -40°C to +125°C
    • Device HBM ESD classification level 2
    • Device CDM ESD classification level C4B
  • Available in wettable flank QFN package
  • Wide operating range of 1.5V to 6V
  • Inputs accept voltages up to 6V
  • Continuous ±24mA output drive at 5V
  • Supports up to ±75mA output drive at 5Vin short bursts
  • Drives 50Ω transmission lines
  • Maximum tpd of 14.9ns at 5V, 50pF load
  • AEC-Q100 qualified for automotive applications:
    • Device temperature grade 1: -40°C to +125°C
    • Device HBM ESD classification level 2
    • Device CDM ESD classification level C4B
  • Available in wettable flank QFN package
  • Wide operating range of 1.5V to 6V
  • Inputs accept voltages up to 6V
  • Continuous ±24mA output drive at 5V
  • Supports up to ±75mA output drive at 5Vin short bursts
  • Drives 50Ω transmission lines
  • Maximum tpd of 14.9ns at 5V, 50pF load

Description

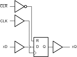
The SN74ACT164-Q1 device contains six D-type flip-flops with shared active-low clear (CLR) and rising-edge triggered clock (CLK) inputs.

The SN74ACT164-Q1 device contains six D-type flip-flops with shared active-low clear (CLR) and rising-edge triggered clock (CLK) inputs.

Subscribe to Welllinkchips !
Your Name
* Email
Submit a request