0
LM2832
  • LM2832
  • LM2832
  • LM2832
  • LM2832

LM2832

ACTIVE

High Frequency 2.0A Load - Step-Down DC-DC Regulator

Texas Instruments LM2832 Product Info

1 April 2026 0

Parameters

Rating

Catalog

Topology

Buck

Iout (max) (A)

2

Vin (max) (V)

5.5

Vin (min) (V)

3

Vout (max) (V)

4.5

Vout (min) (V)

0.6

Features

Enable, Light Load Efficiency, Light load efficiency

Control mode

current mode

Operating temperature range (°C)

-40 to 125

Iq (typ) (A)

0.0028

Duty cycle (max) (%)

96

Package

HVSSOP (DGN)-8-14.7 mm² 3 x 4.9

Features

  • Input Voltage Range of 3.0V to 5.5V
  • Output Voltage Range of 0.6V to 4.5V
  • 2.0A Output Current
  • High Switching Frequencies
    •  1.6MHz (LM2832X)
    •  0.55MHz (LM2832Y)
    •  3.0MHz (LM2832Z)
  • 150mΩ PMOS Switch
  • 0.6V, 2% Internal Voltage Reference
  • Internal Soft-Start
  • Current Mode, PWM Operation
  • Thermal Shutdown
  • Over Voltage Protection

All trademarks are the property of their respective owners.

  • Input Voltage Range of 3.0V to 5.5V
  • Output Voltage Range of 0.6V to 4.5V
  • 2.0A Output Current
  • High Switching Frequencies
    •  1.6MHz (LM2832X)
    •  0.55MHz (LM2832Y)
    •  3.0MHz (LM2832Z)
  • 150mΩ PMOS Switch
  • 0.6V, 2% Internal Voltage Reference
  • Internal Soft-Start
  • Current Mode, PWM Operation
  • Thermal Shutdown
  • Over Voltage Protection

All trademarks are the property of their respective owners.

Description

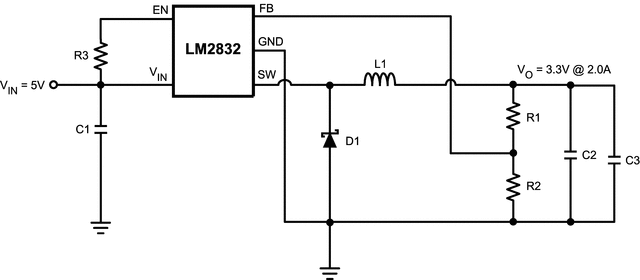
The LM2832 regulator is a monolithic, high frequency, PWM step-down DC/DC converter in a 6 Pin WSON and a 8 Pin eMSOP-PowerPAD package. It provides all the active functions to provide local DC/DC conversion with fast transient response and accurate regulation in the smallest possible PCB area. With a minimum of external components, the LM2832 is easy to use. The ability to drive 2.0A loads with an internal 150 mΩ PMOS switch using state-of-the-art 0.5 µm BiCMOS technology results in the best power density available. The world-class control circuitry allows on-times as low as 30ns, thus supporting exceptionally high frequency conversion over the entire 3V to 5.5V input operating range down to the minimum output voltage of 0.6V. Switching frequency is internally set to 550 kHz, 1.6 MHz, or 3.0 MHz, allowing the use of extremely small surface mount inductors and chip capacitors. Even though the operating frequency is high, efficiencies up to 93% are easy to achieve. External shutdown is included, featuring an ultra-low stand-by current of 30 nA. The LM2832 utilizes current-mode control and internal compensation to provide high-performance regulation over a wide range of operating conditions. Additional features include internal soft-start circuitry to reduce inrush current, pulse-by-pulse current limit, thermal shutdown, and output over-voltage protection.

The LM2832 regulator is a monolithic, high frequency, PWM step-down DC/DC converter in a 6 Pin WSON and a 8 Pin eMSOP-PowerPAD package. It provides all the active functions to provide local DC/DC conversion with fast transient response and accurate regulation in the smallest possible PCB area. With a minimum of external components, the LM2832 is easy to use. The ability to drive 2.0A loads with an internal 150 mΩ PMOS switch using state-of-the-art 0.5 µm BiCMOS technology results in the best power density available. The world-class control circuitry allows on-times as low as 30ns, thus supporting exceptionally high frequency conversion over the entire 3V to 5.5V input operating range down to the minimum output voltage of 0.6V. Switching frequency is internally set to 550 kHz, 1.6 MHz, or 3.0 MHz, allowing the use of extremely small surface mount inductors and chip capacitors. Even though the operating frequency is high, efficiencies up to 93% are easy to achieve. External shutdown is included, featuring an ultra-low stand-by current of 30 nA. The LM2832 utilizes current-mode control and internal compensation to provide high-performance regulation over a wide range of operating conditions. Additional features include internal soft-start circuitry to reduce inrush current, pulse-by-pulse current limit, thermal shutdown, and output over-voltage protection.

Subscribe to Welllinkchips !
Your Name
* Email
Submit a request