0
SN74AHCT244Q
  • SN74AHCT244Q
  • SN74AHCT244Q
  • SN74AHCT244Q
  • SN74AHCT244Q
  • SN74AHCT244Q

SN74AHCT244Q

ACTIVE

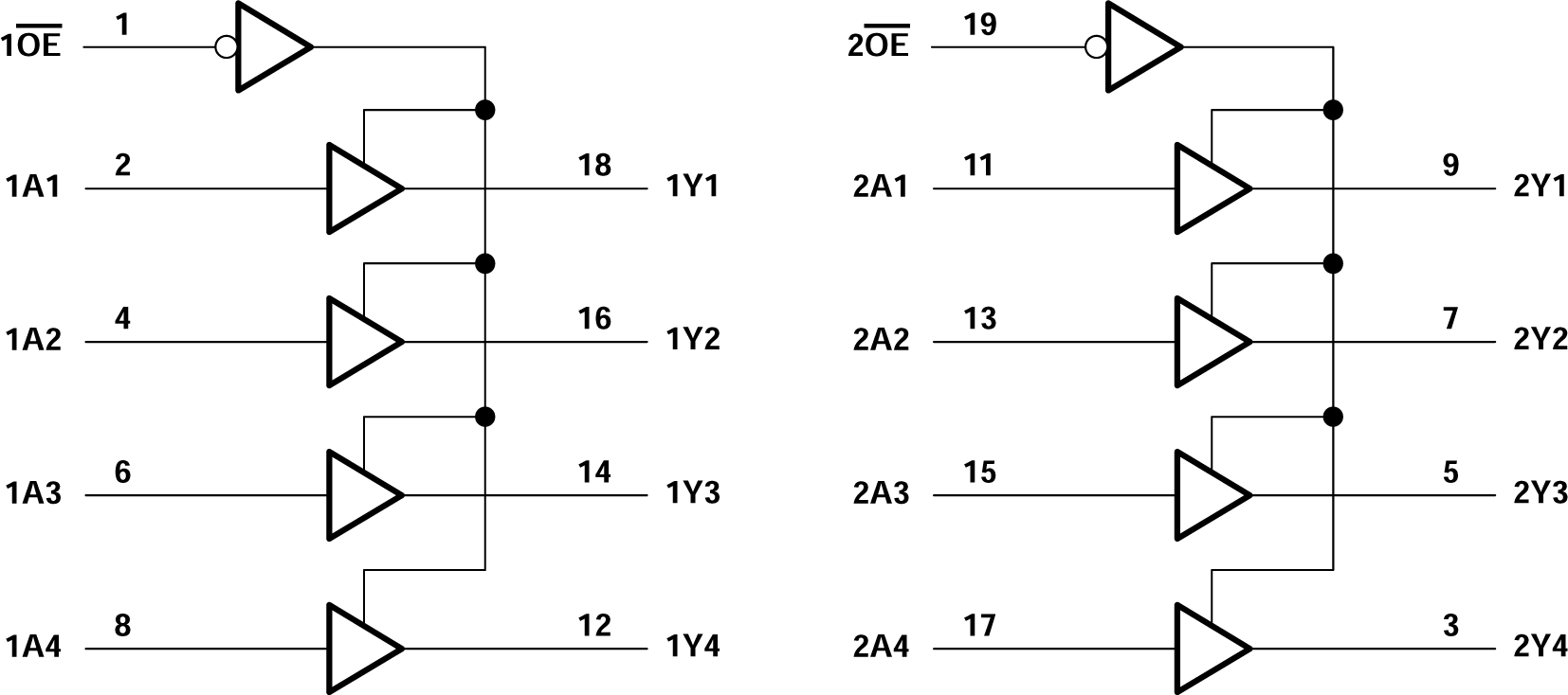
8-ch, 4.5-V to 5.5-V buffers with TTL-compatible CMOS inputs

Texas Instruments SN74AHCT244Q Product Info

1 April 2026 1

Parameters

Technology family

AHCT

Supply voltage (min) (V)

4.5

Supply voltage (max) (V)

5.5

Number of channels

8

IOL (max) (mA)

8

Supply current (max) (µA)

40

IOH (max) (mA)

-8

Input type

TTL-Compatible CMOS

Output type

Push-Pull

Features

Balanced outputs, Over-voltage tolerant inputs, Very high speed (tpd 5-10ns)

Rating

Automotive

Operating temperature range (°C)

-40 to 125

Package

SOIC (DW)-20-131.84 mm² 12.8 x 10.3

Features

  • Q devices meet automotive performance requirements
  • Customer-specific configuration control can be supported along with major-change approval
  • EPIC™ (Enhanced-Performance Implanted CMOS) process
  • Inputs are TTL-Voltage compatible Latch-Up performance exceeds 250 mA per JESD 17
  • Q devices meet automotive performance requirements
  • Customer-specific configuration control can be supported along with major-change approval
  • EPIC™ (Enhanced-Performance Implanted CMOS) process
  • Inputs are TTL-Voltage compatible Latch-Up performance exceeds 250 mA per JESD 17

Description

This octal buffer/driver is designed specifically to improve both the performance and density of 3-state memory-address drivers, clock drivers, and bus-oriented receivers and transmitters.

This octal buffer/driver is designed specifically to improve both the performance and density of 3-state memory-address drivers, clock drivers, and bus-oriented receivers and transmitters.

Subscribe to Welllinkchips !
Your Name
* Email
Submit a request