0
SN74AHC240
  • SN74AHC240
  • SN74AHC240
  • SN74AHC240
  • SN74AHC240
  • SN74AHC240
  • SN74AHC240
  • SN74AHC240
  • SN74AHC240
  • SN74AHC240

SN74AHC240

ACTIVE

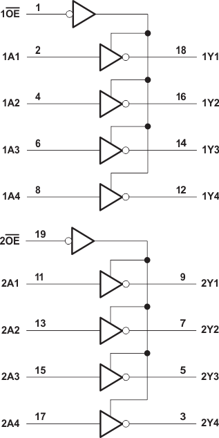
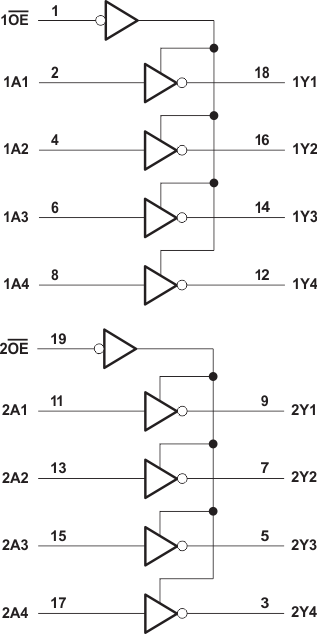
8-ch, 2-V to 5.5-V inverters with 3-state outputs

Texas Instruments SN74AHC240 Product Info

1 April 2026 2

Parameters

Technology family

AHC

Supply voltage (min) (V)

2

Supply voltage (max) (V)

5.5

Number of channels

8

IOL (max) (mA)

8

IOH (max) (mA)

-8

Supply current (max) (µA)

40

Input type

Standard CMOS

Output type

3-State

Features

Balanced outputs, Over-voltage tolerant inputs, Very high speed (tpd 5-10ns)

Rating

Catalog

Operating temperature range (°C)

-40 to 85

Package

PDIP (N)-20-228.702 mm² 24.33 x 9.4

Features

  • Low delay, 4.3ns typ. (25°C, 5V)
  • Latch-up performance exceeds 250mAper JESD 17
  • Low delay, 4.3ns typ. (25°C, 5V)
  • Latch-up performance exceeds 250mAper JESD 17

Description

SN74AHC240:8-ch, 2-V to 5.5-V inverters with 3-state outputs.Package:PDIP (N)-20-228.702 mm² 24.33 x 9.4

Subscribe to Welllinkchips !
Your Name
* Email
Submit a request