0
SN74ACT74
  • SN74ACT74
  • SN74ACT74
  • SN74ACT74
  • SN74ACT74
  • SN74ACT74
  • SN74ACT74
  • SN74ACT74
  • SN74ACT74
  • SN74ACT74

SN74ACT74

ACTIVE

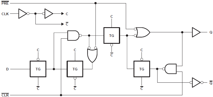
Dual Positive-Edge-Triggered D-Type Flip-Flops With Clear and Preset

Texas Instruments SN74ACT74 Product Info

1 April 2026 1

Parameters

Number of channels

2

Technology family

ACT

Supply voltage (min) (V)

4.5

Supply voltage (max) (V)

5.5

Input type

TTL-Compatible CMOS

Output type

Push-Pull

Clock frequency (max) (MHz)

90

IOL (max) (mA)

24

IOH (max) (mA)

-24

Supply current (max) (µA)

20

Features

Balanced outputs, Positive input clamp diode, Very high speed (tpd 5-10ns)

Operating temperature range (°C)

-40 to 85

Rating

Catalog

Package

PDIP (N)-14-181.42 mm² 19.3 x 9.4

Features

  • 4.5V to 5.5V VCC operation
  • Inputs accept voltages to 5.5V
  • Max tpd of 10.5ns at 5V
  • Inputs are TTL-voltage compatible
  • 4.5V to 5.5V VCC operation
  • Inputs accept voltages to 5.5V
  • Max tpd of 10.5ns at 5V
  • Inputs are TTL-voltage compatible

Description

The ’ACT74 dual positive-edge-triggered devices are D-type flip-flops.

The ’ACT74 dual positive-edge-triggered devices are D-type flip-flops.

Subscribe to Welllinkchips !
Your Name
* Email
Submit a request