0
SN74AC240-Q1
  • SN74AC240-Q1
  • SN74AC240-Q1
  • SN74AC240-Q1

SN74AC240-Q1

ACTIVE

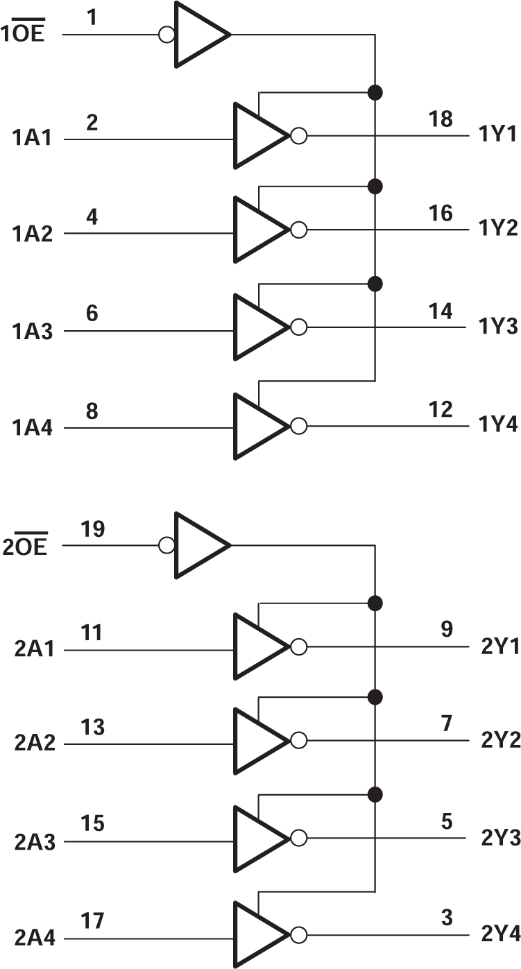
Automotive 8-ch, 2-V to 6-V inverters with 3-state outputs

Texas Instruments SN74AC240-Q1 Product Info

1 April 2026 0

Parameters

Technology family

AC

Supply voltage (min) (V)

2

Supply voltage (max) (V)

6

Number of channels

8

IOL (max) (mA)

24

IOH (max) (mA)

-24

Supply current (max) (µA)

40

Input type

Standard CMOS

Output type

3-State

Features

Balanced outputs, Input clamp diode, Very high speed (tpd 5-10ns)

Rating

Automotive

Operating temperature range (°C)

-40 to 125

Package

TSSOP (PW)-20-41.6 mm² 6.5 x 6.4

Features

  • Qualified for automotive applications
  • Operation of 2V to 6V VCC
  • Inputs accept voltages to 6V
  • Max tpd of 6.5ns at 5V
  • Qualified for automotive applications
  • Operation of 2V to 6V VCC
  • Inputs accept voltages to 6V
  • Max tpd of 6.5ns at 5V

Description

This octal buffer and line driver is designed specifically to improve the performance and density of 3-state memory address drivers, clock drivers, and bus-oriented receivers and transmitters.

This octal buffer and line driver is designed specifically to improve the performance and density of 3-state memory address drivers, clock drivers, and bus-oriented receivers and transmitters.

Subscribe to Welllinkchips !
Your Name
* Email
Submit a request