0
SN74AC240
  • SN74AC240
  • SN74AC240
  • SN74AC240
  • SN74AC240
  • SN74AC240
  • SN74AC240
  • SN74AC240
  • SN74AC240

SN74AC240

ACTIVE

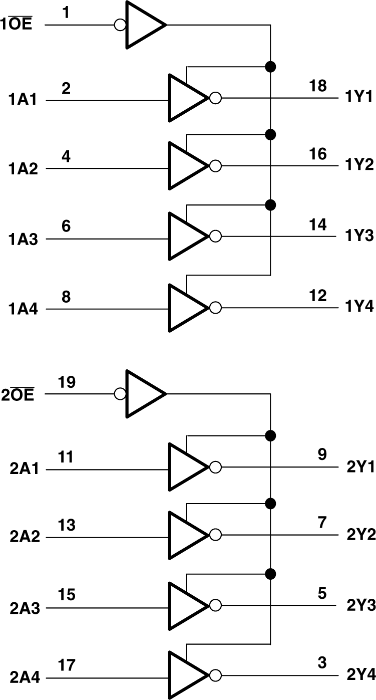
8-ch, 2-V to 6-V inverters with 3-state outputs

Texas Instruments SN74AC240 Product Info

1 April 2026 5

Parameters

Technology family

AC

Supply voltage (min) (V)

2

Supply voltage (max) (V)

6

Number of channels

8

IOL (max) (mA)

24

IOH (max) (mA)

-24

Supply current (max) (µA)

40

Input type

Standard CMOS

Output type

3-State

Features

Balanced outputs, Input clamp diode, Very high speed (tpd 5-10ns)

Rating

Catalog

Operating temperature range (°C)

-40 to 85

Package

PDIP (N)-20-228.702 mm² 24.33 x 9.4

Features

  • VCC operation of 2V to 6V
  • Max tpd of 6.5ns at 5V
  • Inputs accept voltages to 6V
  • VCC operation of 2V to 6V
  • Max tpd of 6.5ns at 5V
  • Inputs accept voltages to 6V

Description

SN74AC240:8-ch, 2-V to 6-V inverters with 3-state outputs.Package:PDIP (N)-20-228.702 mm² 24.33 x 9.4

Subscribe to Welllinkchips !
Your Name
* Email
Submit a request