0
OPA4172-Q1
  • OPA4172-Q1
  • OPA4172-Q1

OPA4172-Q1

ACTIVE

Automotive-grade, quad, 36-V, 10-MHz, low-power operational amplifier

Texas Instruments OPA4172-Q1 Product Info

1 April 2026 0

Parameters

Number of channels

4

Total supply voltage (+5 V = 5, ±5 V = 10) (max) (V)

36

Total supply voltage (+5 V = 5, ±5 V = 10) (min) (V)

4.5

Rail-to-rail

In to V-, Out

GBW (typ) (MHz)

10

Slew rate (typ) (V/µs)

10

Vos (offset voltage at 25°C) (max) (mV)

1

Iq per channel (typ) (mA)

1.6

Vn at 1 kHz (typ) (nV√Hz)

7

Rating

Automotive

Operating temperature range (°C)

-40 to 125

Offset drift (typ) (µV/°C)

0.3

Input bias current (max) (pA)

15

CMRR (typ) (dB)

120

Iout (typ) (A)

0.075

Architecture

CMOS

Input common mode headroom (to negative supply) (typ) (V)

-0.1

Input common mode headroom (to positive supply) (typ) (V)

-2

Output swing headroom (to negative supply) (typ) (V)

0.01

Output swing headroom (to positive supply) (typ) (V)

-0.01

Package

TSSOP (PW)-14-32 mm² 5 x 6.4

Features

  • Qualified for Automotive Applications
  • AEC-Q100 Qualified With the Following Results:
    • Device Temperature Grade 1:
      –40°C to +125°C
      Ambient Operating Temperature Range
    • Device HBM ESD Classification Level 3A
    • Device CDM ESD Classification level C6
  • Wide Supply Range:
    4.5 V to 36 V, ±2.25 V to ±18 V
  • Low Offset Voltage: ±0.2 mV
  • Low Offset Drift: ±0.3 µV/°C
  • Gain Bandwidth: 10 MHz
  • Low Input Bias Current: ±8 pA
  • Low Quiescent Current: 1.6 mA per Amplifier
  • Low Noise: 7 nV/√Hz
  • EMI and RFI Filtered Inputs
  • Input Range Includes the Negative Supply
  • Input Range Operates to Positive Supply
  • Rail-to-Rail Output
  • High Common-Mode Rejection: 120 dB
  • Industry-Standard Packages:
    • VSSOP-8, TSSOP-14
  • Qualified for Automotive Applications
  • AEC-Q100 Qualified With the Following Results:
    • Device Temperature Grade 1:
      –40°C to +125°C
      Ambient Operating Temperature Range
    • Device HBM ESD Classification Level 3A
    • Device CDM ESD Classification level C6
  • Wide Supply Range:
    4.5 V to 36 V, ±2.25 V to ±18 V
  • Low Offset Voltage: ±0.2 mV
  • Low Offset Drift: ±0.3 µV/°C
  • Gain Bandwidth: 10 MHz
  • Low Input Bias Current: ±8 pA
  • Low Quiescent Current: 1.6 mA per Amplifier
  • Low Noise: 7 nV/√Hz
  • EMI and RFI Filtered Inputs
  • Input Range Includes the Negative Supply
  • Input Range Operates to Positive Supply
  • Rail-to-Rail Output
  • High Common-Mode Rejection: 120 dB
  • Industry-Standard Packages:
    • VSSOP-8, TSSOP-14

Description

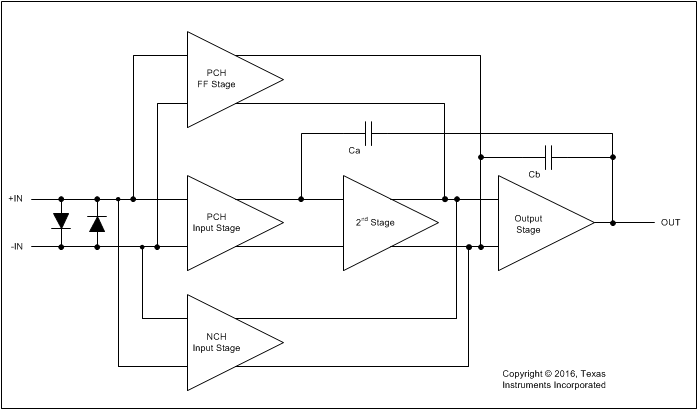
The OPA2172-Q1 and OPA4172-Q1 (OPAx172-Q1) are a family of 36-V, single-supply, low-noise operational amplifiers capable of operating on supplies ranging from 4.5 V (±2.25 V) to 36 V
(±18 V). The OPAx172-Q1 are available in micropackages, and offer low offset, drift, and quiescent current. These devices also offer wide bandwidth, fast slew rate, and high output current drive capability. The dual and quad versions all have identical specifications for maximum design flexibility.

Unlike most op amps that are specified at only one supply voltage, the OPAx172-Q1 family is specified from 4.5 V to 36 V. Input signals beyond the supply rails do not cause phase reversal. The input can operate 100 mV below the negative rail and within 2 V of the top rail during normal operation. Note that these devices can operate with full rail-to-rail input 100 mV beyond the top rail, but with reduced performance within 2 V of the top rail.

The OPAx172-Q1 series of op amps are specified from –40°C to +125°C.

The OPA2172-Q1 and OPA4172-Q1 (OPAx172-Q1) are a family of 36-V, single-supply, low-noise operational amplifiers capable of operating on supplies ranging from 4.5 V (±2.25 V) to 36 V
(±18 V). The OPAx172-Q1 are available in micropackages, and offer low offset, drift, and quiescent current. These devices also offer wide bandwidth, fast slew rate, and high output current drive capability. The dual and quad versions all have identical specifications for maximum design flexibility.

Unlike most op amps that are specified at only one supply voltage, the OPAx172-Q1 family is specified from 4.5 V to 36 V. Input signals beyond the supply rails do not cause phase reversal. The input can operate 100 mV below the negative rail and within 2 V of the top rail during normal operation. Note that these devices can operate with full rail-to-rail input 100 mV beyond the top rail, but with reduced performance within 2 V of the top rail.

The OPAx172-Q1 series of op amps are specified from –40°C to +125°C.

Subscribe to Welllinkchips !
Your Name
* Email
Submit a request