0
DAC5670-SP
  • DAC5670-SP
  • DAC5670-SP

DAC5670-SP

ACTIVE

QMLV, 100-krad, ceramic, 14-bit, single-channel, 2.4-GSPS DAC

Texas Instruments DAC5670-SP Product Info

1 April 2026 0

Parameters

Resolution (Bits)

14

Number of DAC channels

1

Interface type

Parallel LVDS

Sample/update rate (Msps)

2400

Features

Ultra High Speed

Rating

Space

Interpolation

1x, 2x

Power consumption (typ) (mW)

2000

SFDR (dB)

55

Architecture

Current Sink

Operating temperature range (°C)

-55 to 125

Reference type

Int

Package

CBGA (GEM)-192-361 mm² 19 x 19

Features

  • 14-Bit Resolution
  • 2.4-GSPS Max Update Rate DAC
  • Dual Differential Input Ports
    • Even/Odd Demultiplexed Data
    • Maximum 1.2 GSPS Each Port,
      2.4 GSPS Total
    • Dual 14-Bit Inputs + 1 Reference
      Bit
    • DDR Output Clock
    • DLL Optimized Clock Timing
      Synchronized to Reference Bit
    • LVDS and HyperTransport
      Voltage Level Compatible
    • Internal 100-Ω Terminations for
      Data and Reference Bit Inputs
  • Selectable 2× Interpolation With
    Fs / 2 Mixing
  • Differential Scalable Current Outputs:
    5 to 30 mA
  • On-Chip 1.2-V Reference
  • 3.3-V Analog Supply Operation
  • Power Dissipation: 2 W
  • 192-Ball CBGA (GEM) Package
  • QML-V Qualified, SMD 5962-07247
  • Military Temperature Range (–55°C to
    125°C Tcase)
  • APPLICATIONS
    • Test and Measurement: Arbitrary
      Waveform Generator
    • Communications
    • Engineering evaluation (/EM) samples
      are available(1)

(1) These units are intended for engineering evaluation only. They are processed to a non-compliant flow (that is, no burn-in, and so forth) and are tested to a temperature rating of 25°C only. These units are not suitable for qualification, production, radiation testing, or flight use. Parts are not warranted for performance over the full MIL specified temperature range of –55°C to 125°C or operating life.
All other trademarks are the property of their respective owners.

  • 14-Bit Resolution
  • 2.4-GSPS Max Update Rate DAC
  • Dual Differential Input Ports
    • Even/Odd Demultiplexed Data
    • Maximum 1.2 GSPS Each Port,
      2.4 GSPS Total
    • Dual 14-Bit Inputs + 1 Reference
      Bit
    • DDR Output Clock
    • DLL Optimized Clock Timing
      Synchronized to Reference Bit
    • LVDS and HyperTransport
      Voltage Level Compatible
    • Internal 100-Ω Terminations for
      Data and Reference Bit Inputs
  • Selectable 2× Interpolation With
    Fs / 2 Mixing
  • Differential Scalable Current Outputs:
    5 to 30 mA
  • On-Chip 1.2-V Reference
  • 3.3-V Analog Supply Operation
  • Power Dissipation: 2 W
  • 192-Ball CBGA (GEM) Package
  • QML-V Qualified, SMD 5962-07247
  • Military Temperature Range (–55°C to
    125°C Tcase)
  • APPLICATIONS
    • Test and Measurement: Arbitrary
      Waveform Generator
    • Communications
    • Engineering evaluation (/EM) samples
      are available(1)

(1) These units are intended for engineering evaluation only. They are processed to a non-compliant flow (that is, no burn-in, and so forth) and are tested to a temperature rating of 25°C only. These units are not suitable for qualification, production, radiation testing, or flight use. Parts are not warranted for performance over the full MIL specified temperature range of –55°C to 125°C or operating life.
All other trademarks are the property of their respective owners.

Description

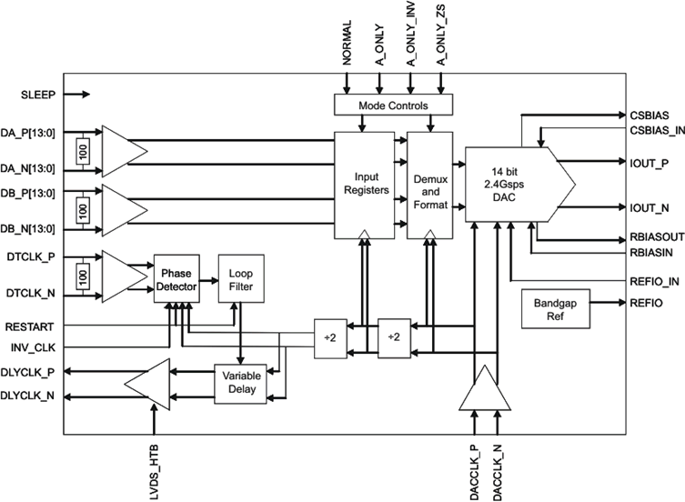
The DAC5670 is a 14-bit 2.4-GSPS DAC with dual demultiplexed differential input ports. The DAC5670 is clocked at the DAC sample rate and the two input ports run at a maximum of 1.2 GSPS. An additional reference bit input sequence is used to adjust the output clock delay to the data source, optimizing the internal data latching clock relative to this reference bit with a delay lock loop (DLL). Alternatively, the DLL may be bypassed and the timing interface managed by controlling DATA setup and hold timing to DLYCLK.

The DAC5670 can also accept data up to 1.2 GSPS using only the A input port. In the single port modes, options include: repeating the input sample (A_ONLY mode), 2× interpolation by zero stuff (A_ONLY_ZS mode), or 2× interpolation by repeating and inverting the input sample (A_ONLY_INV). These modes are used to double the input sample rate up to 2.4 GSPS.

The DAC5670 operates with a single 3- to 3.6-V supply voltage. Power dissipation is 2 W at maximum operating conditions. The DAC5670 provides a nominal full-scale differential current-output of 20 mA, supporting both single-ended and differential applications. An on-chip 1.2-V temperature-compensated bandgap reference and control amplifier allows the user to adjust the full-scale output current from the nominal 20 mA to as low as 5 mA or as high as 30 mA.

The output current can be directly fed to the load with no additional external output buffer required. The device has been specifically designed for a differential transformer-coupled output with a 50-Ω doubly-terminated load.

The DAC5670 is available in a 192-ball CBGA package. The device is characterized for operation over the military temperature range (–55°C to 125°C Tcase).

The DAC5670 is a 14-bit 2.4-GSPS DAC with dual demultiplexed differential input ports. The DAC5670 is clocked at the DAC sample rate and the two input ports run at a maximum of 1.2 GSPS. An additional reference bit input sequence is used to adjust the output clock delay to the data source, optimizing the internal data latching clock relative to this reference bit with a delay lock loop (DLL). Alternatively, the DLL may be bypassed and the timing interface managed by controlling DATA setup and hold timing to DLYCLK.

The DAC5670 can also accept data up to 1.2 GSPS using only the A input port. In the single port modes, options include: repeating the input sample (A_ONLY mode), 2× interpolation by zero stuff (A_ONLY_ZS mode), or 2× interpolation by repeating and inverting the input sample (A_ONLY_INV). These modes are used to double the input sample rate up to 2.4 GSPS.

The DAC5670 operates with a single 3- to 3.6-V supply voltage. Power dissipation is 2 W at maximum operating conditions. The DAC5670 provides a nominal full-scale differential current-output of 20 mA, supporting both single-ended and differential applications. An on-chip 1.2-V temperature-compensated bandgap reference and control amplifier allows the user to adjust the full-scale output current from the nominal 20 mA to as low as 5 mA or as high as 30 mA.

The output current can be directly fed to the load with no additional external output buffer required. The device has been specifically designed for a differential transformer-coupled output with a 50-Ω doubly-terminated load.

The DAC5670 is available in a 192-ball CBGA package. The device is characterized for operation over the military temperature range (–55°C to 125°C Tcase).

Subscribe to Welllinkchips !
Your Name
* Email
Submit a request