0
ADS1262
  • ADS1262
  • ADS1262

ADS1262

ACTIVE

32-bit 38-kSPS 10-ch delta-sigma ADC with PGA and voltage reference for factory automation

Texas Instruments ADS1262 Product Info

1 April 2026 3

Parameters

Resolution (Bits)

32

Sample rate (max) (ksps)

38

Number of input channels

10

Interface type

SPI

Architecture

Delta-Sigma

Input type

Differential, Single-ended

Multichannel configuration

Multiplexed

Rating

Catalog

Reference mode

External, Internal

Input voltage range (max) (V)

2.5, 5

Input voltage range (min) (V)

-2.5, 0

Features

50/60 Hz Rejection, Excitation Current Sources (iDACs), GPIO, Oscillator, PGA, Temp Sensor

Operating temperature range (°C)

-40 to 125

Power consumption (typ) (mW)

27

Analog supply voltage (min) (V)

4.75

Analog supply voltage (max) (V)

5.25

Digital supply (min) (V)

2.7

Digital supply (max) (V)

5.25

Package

TSSOP (PW)-28-62.08 mm² 9.7 x 6.4

Features

  • Precision, 32-bit, ΔΣ ADC
  • Auxiliary 24-bit, ΔΣ ADC (ADS1263)
  • Data rates: 2.5 SPS to 38400 SPS
  • Differential input, CMOS PGA
  • 11 multifunction analog inputs
  • High-accuracy architecture:
    • Offset drift: 1 nV/°C
    • Gain drift: 0.5 ppm/°C
    • Noise: 7 nVRMS (2.5 SPS, gain = 32)
    • Linearity: 3 ppm
  • 2.5-V internal voltage reference:
    • Temperature drift: 2 ppm/°C
  • 50-Hz and 60-Hz rejection
  • Single-cycle settled conversions
  • Dual sensor excitation current sources
  • Internal fault monitors
  • Internal ADC test signal
  • 8 general-purpose inputs/outputs
  • Precision, 32-bit, ΔΣ ADC
  • Auxiliary 24-bit, ΔΣ ADC (ADS1263)
  • Data rates: 2.5 SPS to 38400 SPS
  • Differential input, CMOS PGA
  • 11 multifunction analog inputs
  • High-accuracy architecture:
    • Offset drift: 1 nV/°C
    • Gain drift: 0.5 ppm/°C
    • Noise: 7 nVRMS (2.5 SPS, gain = 32)
    • Linearity: 3 ppm
  • 2.5-V internal voltage reference:
    • Temperature drift: 2 ppm/°C
  • 50-Hz and 60-Hz rejection
  • Single-cycle settled conversions
  • Dual sensor excitation current sources
  • Internal fault monitors
  • Internal ADC test signal
  • 8 general-purpose inputs/outputs

Description

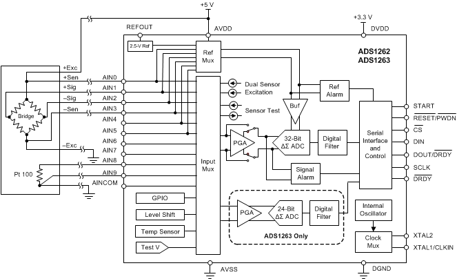
The ADS1262 and ADS1263 (ADS126x) are low-noise, low-drift, 38.4-kSPS, delta-sigma (ΔΣ) ADCs with an integrated PGA, reference, and internal fault monitors. The ADS1263 integrates an auxiliary, 24-bit, ΔΣ ADC intended for background measurements. The sensor-ready ADCs provide complete, high-accuracy, one-chip measurement solutions for the most-demanding sensor applications, including weigh scales, strain-gauge sensors, thermocouples, and resistance temperature devices (RTD).

The ADCs are comprised of a low-noise, CMOS PGA (gains 1 to 32), a ΔΣ modulator, followed by a programmable digital filter. The flexible analog front-end (AFE) incorporates two sensor-excitation current sources suitable for direct RTD measurement.

A single-cycle settling digital filter maximizes multiple-input conversion throughput, while providing 130-dB rejection of 50-Hz and 60-Hz line cycle interference.

The ADS1262 and ADS1263 are pin and functional compatible. These devices are available in a 28-pin TSSOP package and are fully specified over the –40°C to +125°C temperature range.

The ADS1262 and ADS1263 (ADS126x) are low-noise, low-drift, 38.4-kSPS, delta-sigma (ΔΣ) ADCs with an integrated PGA, reference, and internal fault monitors. The ADS1263 integrates an auxiliary, 24-bit, ΔΣ ADC intended for background measurements. The sensor-ready ADCs provide complete, high-accuracy, one-chip measurement solutions for the most-demanding sensor applications, including weigh scales, strain-gauge sensors, thermocouples, and resistance temperature devices (RTD).

The ADCs are comprised of a low-noise, CMOS PGA (gains 1 to 32), a ΔΣ modulator, followed by a programmable digital filter. The flexible analog front-end (AFE) incorporates two sensor-excitation current sources suitable for direct RTD measurement.

A single-cycle settling digital filter maximizes multiple-input conversion throughput, while providing 130-dB rejection of 50-Hz and 60-Hz line cycle interference.

The ADS1262 and ADS1263 are pin and functional compatible. These devices are available in a 28-pin TSSOP package and are fully specified over the –40°C to +125°C temperature range.

Subscribe to Welllinkchips !
Your Name
* Email
Submit a request