0
SM72485
  • SM72485
  • SM72485
  • SM72485
  • SM72485
  • SM72485

SM72485

ACTIVE

100V, 150 mA Constant On-Time Buck Switching Regulator

Texas Instruments SM72485 Product Info

1 April 2026 0

Parameters

Rating

Catalog

Topology

Buck

Iout (max) (A)

0.15

Vin (max) (V)

95

Vin (min) (V)

6

Vout (max) (V)

85

Vout (min) (V)

2.5

Features

Enable

Control mode

Constant on-time (COT)

Operating temperature range (°C)

-40 to 125

Iq (typ) (A)

0.000485

Duty cycle (max) (%)

99

Package

VSSOP (DGK)-8-14.7 mm² 3 x 4.9

Features

  • Operating Input Voltage: 6 V to 95 V
  • Integrated 100-V, N-Channel Buck Switch
  • Internal Start-Up Regulator
  • No Loop Compensation Required
  • Ultra-Fast Transient Response
  • On-time Varies Inversely With Input Voltage
  • Operating Frequency Remains Constant With Varying Line Voltage and Load Current
  • Adjustable Output Voltage From 2.5 V
  • Highly Efficient Operation
  • Precision Internal Reference
  • Low Bias Current
  • Intelligent Current Limit
  • Thermal Shutdown
  • Package
    • VSSOP (3 mm × 3 mm)
    • WSON (4 mm × 4 mm)
  • Operating Input Voltage: 6 V to 95 V
  • Integrated 100-V, N-Channel Buck Switch
  • Internal Start-Up Regulator
  • No Loop Compensation Required
  • Ultra-Fast Transient Response
  • On-time Varies Inversely With Input Voltage
  • Operating Frequency Remains Constant With Varying Line Voltage and Load Current
  • Adjustable Output Voltage From 2.5 V
  • Highly Efficient Operation
  • Precision Internal Reference
  • Low Bias Current
  • Intelligent Current Limit
  • Thermal Shutdown
  • Package
    • VSSOP (3 mm × 3 mm)
    • WSON (4 mm × 4 mm)

Description

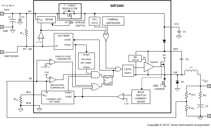
The SM72485 step-down switching regulator features all of the functions required to implement a low cost, efficient, Buck bias regulator. This high voltage regulator contains an 100-V N-channel buck switch. The device is easy to implement and is provided in the VSSOP and the thermally enhanced WSON package. The regulator is based on a control scheme using an on-time inversely proportional to VIN. This feature allows the operating frequency to remain relatively constant. The control scheme requires no loop compensation. An intelligent current limit is implemented with forced off-time, which is inversely proportional to VOUT. This scheme ensures short circuit control while providing minimum foldback. Other features include: Thermal shutdown, VCC undervoltage lockout, gate drive undervoltage lockout, maximum duty cycle limiter, and a precharge switch.

The SM72485 step-down switching regulator features all of the functions required to implement a low cost, efficient, Buck bias regulator. This high voltage regulator contains an 100-V N-channel buck switch. The device is easy to implement and is provided in the VSSOP and the thermally enhanced WSON package. The regulator is based on a control scheme using an on-time inversely proportional to VIN. This feature allows the operating frequency to remain relatively constant. The control scheme requires no loop compensation. An intelligent current limit is implemented with forced off-time, which is inversely proportional to VOUT. This scheme ensures short circuit control while providing minimum foldback. Other features include: Thermal shutdown, VCC undervoltage lockout, gate drive undervoltage lockout, maximum duty cycle limiter, and a precharge switch.

Subscribe to Welllinkchips !
Your Name
* Email
Submit a request