0
BQ24616
  • BQ24616
  • BQ24616

BQ24616

ACTIVE

Standalone 1-6 cell Buck battery charge controller with JEITA compliance

Texas Instruments BQ24616 Product Info

1 April 2026 1

Parameters

Rating

Catalog

Number of series cells

1, 2, 3, 4, 5, 6

Cell chemistry

Li-Ion/Li-Polymer

Charge current (max) (A)

10

Features

BAT temp thermistor monitoring (JEITA profile), IINDPM (Input current limit), Power Path

Vin (min) (V)

5

Vin (max) (V)

28

Absolute max Vin (max) (V)

33

Control topology

Switch-Mode Buck

Battery charge voltage (min) (V)

2.1

Battery charge voltage (max) (V)

26

Control interface

Standalone (RC-Settable)

Operating temperature range (°C)

-40 to 85

Package

VQFN (RGE)-24-16 mm² 4 x 4

Features

  • Battery Thermistor Sense for JEITA Guideline
    Compatible Charger
  • 600-kHz NMOS-NMOS Synchronous Buck
    Converter
  • Stand-Alone Charger Support for Li-Ion or Li-
    Polymer
  • 5-V–28-V VCC Input Operating Range and
    Supports 1 to 6 Battery Cells
  • Up to 10-A Charge Current and Adapter Current
  • High-Accuracy Voltage and Current Regulation
    • ±0.5% Charge Voltage Accuracy
    • ±3% Charge Current Accuracy
    • ±3% Adapter Current Accuracy
  • Integration
    • Automatic System Power Selection From
      Adapter or Battery
    • Internal Loop Compensation
    • Internal Soft-Start
    • Dynamic Power Management
  • Safety Protection
    • Input Overvoltage Protection
    • Battery Detection
    • Reverse Protection Input FET
    • Programmable Safety Timer
    • Charge Overcurrent Protection
    • Battery Short Protection
    • Battery Overvoltage Protection
    • Thermal Shutdown
  • Status Outputs
    • Adapter Present
    • Charger Operation Status
  • Charge Enable Pin
  • 6-V Gate Drive for Synchronous Buck Converter
  • 30-ns Driver Dead-Time and 99.5% Maximum
    Effective Duty Cycle
  • 24-Pin, 4-mm × 4-mm QFN Package
  • Energy Star Low Quiescent Current Iq
    • < 15-µA Off-State Battery Discharge Current
    • < 1.5-mA Off-State Input Quiescent Current
  • Battery Thermistor Sense for JEITA Guideline
    Compatible Charger
  • 600-kHz NMOS-NMOS Synchronous Buck
    Converter
  • Stand-Alone Charger Support for Li-Ion or Li-
    Polymer
  • 5-V–28-V VCC Input Operating Range and
    Supports 1 to 6 Battery Cells
  • Up to 10-A Charge Current and Adapter Current
  • High-Accuracy Voltage and Current Regulation
    • ±0.5% Charge Voltage Accuracy
    • ±3% Charge Current Accuracy
    • ±3% Adapter Current Accuracy
  • Integration
    • Automatic System Power Selection From
      Adapter or Battery
    • Internal Loop Compensation
    • Internal Soft-Start
    • Dynamic Power Management
  • Safety Protection
    • Input Overvoltage Protection
    • Battery Detection
    • Reverse Protection Input FET
    • Programmable Safety Timer
    • Charge Overcurrent Protection
    • Battery Short Protection
    • Battery Overvoltage Protection
    • Thermal Shutdown
  • Status Outputs
    • Adapter Present
    • Charger Operation Status
  • Charge Enable Pin
  • 6-V Gate Drive for Synchronous Buck Converter
  • 30-ns Driver Dead-Time and 99.5% Maximum
    Effective Duty Cycle
  • 24-Pin, 4-mm × 4-mm QFN Package
  • Energy Star Low Quiescent Current Iq
    • < 15-µA Off-State Battery Discharge Current
    • < 1.5-mA Off-State Input Quiescent Current

Description

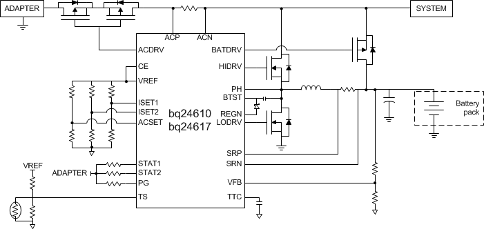
The bq2461x device is a highly integrated, Japan Electronic Information Technology Association (JEITA) guideline-compatible, Li-ion or Li-polymer switched-mode battery charge controller. The device offers a constant-frequency synchronous switching PWM controller with high-accuracy charge current and voltage regulation, charge preconditioning, termination, adapter current regulation, and charge status monitoring

The bq2461x charges the battery in three phases: preconditioning, constant current, and constant voltage. Charge is terminated when the current reaches a minimum user-selectable level. A programmable charge timer provides a safety backup. The bq2461x automatically restarts the charge cycle if the battery voltage falls below an internal threshold, and enters a low quiescent current sleep mode when the input voltage falls below the battery voltage.

The bq2461x device is a highly integrated, Japan Electronic Information Technology Association (JEITA) guideline-compatible, Li-ion or Li-polymer switched-mode battery charge controller. The device offers a constant-frequency synchronous switching PWM controller with high-accuracy charge current and voltage regulation, charge preconditioning, termination, adapter current regulation, and charge status monitoring

The bq2461x charges the battery in three phases: preconditioning, constant current, and constant voltage. Charge is terminated when the current reaches a minimum user-selectable level. A programmable charge timer provides a safety backup. The bq2461x automatically restarts the charge cycle if the battery voltage falls below an internal threshold, and enters a low quiescent current sleep mode when the input voltage falls below the battery voltage.

Subscribe to Welllinkchips !
Your Name
* Email
Submit a request