0
PCA9534A
  • PCA9534A
  • PCA9534A
  • PCA9534A
  • PCA9534A
  • PCA9534A
  • PCA9534A
  • PCA9534A
  • PCA9534A
  • PCA9534A
  • PCA9534A
  • PCA9534A

PCA9534A

ACTIVE

8-bit 2.3- to 5.5-V I2C/SMBus I/O expander with interrupt & config registers

Texas Instruments PCA9534A Product Info

1 April 2026 0

Parameters

Number of I/Os

8

Features

Configuration registers, Interrupt pin

Supply voltage (min) (V)

2.3

Supply voltage (max) (V)

5.5

Addresses

8

Rating

Catalog

Frequency (max) (MHz)

0.4

Operating temperature range (°C)

-40 to 85

Package

SOIC (DW)-16-106.09 mm² 10.3 x 10.3

Features

  • Low standby current consumption of 1 µA max
  • I2C to Parallel port expander
  • Open-drain active-low interrupt output
  • Operating power-supply voltage range of 2.3 V to 5.5 V
  • 5-V Tolerant I/O ports
  • 400-kHz Fast I2C bus
  • Three hardware address pins allow up to eight devices on the I2C/SMBus
  • Allows up to 16 devices on the I2C/SMBus when used in conjunction with the PCA9534 See Section 5 for I2C Expander offerings
  • Input and output configuration register
  • Polarity inversion register
  • Internal power-on reset
  • Power-up with all channels configured as Inputs
  • No glitch on power-up
  • Noise filter on SCL and SDA inputs
  • Latched outputs with high-current drive maximum capability for directly driving LEDs
  • Latch-up performance exceeds 100 mA Per JESD 78, Class II
  • ESD protection exceeds JESD 22
    • 2000-V Human-body Model (A114-A)
    • 200-V Machine Model (A115-A)
    • 1000-V Charged-device model (C101)
  • Low standby current consumption of 1 µA max
  • I2C to Parallel port expander
  • Open-drain active-low interrupt output
  • Operating power-supply voltage range of 2.3 V to 5.5 V
  • 5-V Tolerant I/O ports
  • 400-kHz Fast I2C bus
  • Three hardware address pins allow up to eight devices on the I2C/SMBus
  • Allows up to 16 devices on the I2C/SMBus when used in conjunction with the PCA9534 See Section 5 for I2C Expander offerings
  • Input and output configuration register
  • Polarity inversion register
  • Internal power-on reset
  • Power-up with all channels configured as Inputs
  • No glitch on power-up
  • Noise filter on SCL and SDA inputs
  • Latched outputs with high-current drive maximum capability for directly driving LEDs
  • Latch-up performance exceeds 100 mA Per JESD 78, Class II
  • ESD protection exceeds JESD 22
    • 2000-V Human-body Model (A114-A)
    • 200-V Machine Model (A115-A)
    • 1000-V Charged-device model (C101)

Description

The PCA9534A and PCA9534 are identical, except for their fixed I2C address. This allows for up to 16 of these devices (8 of each) on the same I2C bus.

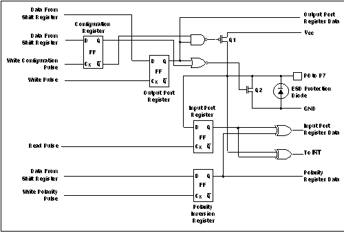
INT can be connected to the interrupt input of a microcontroller. By sending an interrupt signal on this line, the remote I/O can inform the microcontroller if there is incoming data on its ports without having to communicate via the I2C bus. Thus, the PCA9534A can remain a simple slave device.

The device’s outputs (latched) have high-current drive capability for directly driving LEDs. It has low current consumption.

Three hardware pins (A0, A1, and A2) are used to program and vary the fixed I2C address and allow up to eight devices to share the same I2C bus or SMBus.

The PCA9534A is pin-to-pin and I2C address compatible with the PCF8574A. However, software changes are required due to the enhancements in the PCA9534A over the PCF8574A.

The PCA9534A is a low-power version of the PCA9554A. The only difference between the PCA9534A and PCA9554A is that the PCA9534A eliminates an internal I/O pullup resistor, which dramatically reduces power consumption in the standby mode when the I/Os are held low.

The PCA9534A and PCA9534 are identical, except for their fixed I2C address. This allows for up to 16 of these devices (8 of each) on the same I2C bus.

INT can be connected to the interrupt input of a microcontroller. By sending an interrupt signal on this line, the remote I/O can inform the microcontroller if there is incoming data on its ports without having to communicate via the I2C bus. Thus, the PCA9534A can remain a simple slave device.

The device’s outputs (latched) have high-current drive capability for directly driving LEDs. It has low current consumption.

Three hardware pins (A0, A1, and A2) are used to program and vary the fixed I2C address and allow up to eight devices to share the same I2C bus or SMBus.

The PCA9534A is pin-to-pin and I2C address compatible with the PCF8574A. However, software changes are required due to the enhancements in the PCA9534A over the PCF8574A.

The PCA9534A is a low-power version of the PCA9554A. The only difference between the PCA9534A and PCA9554A is that the PCA9534A eliminates an internal I/O pullup resistor, which dramatically reduces power consumption in the standby mode when the I/Os are held low.

Subscribe to Welllinkchips !
Your Name
* Email
Submit a request