0
OPA4376-Q1
  • OPA4376-Q1
  • OPA4376-Q1
  • OPA4376-Q1
  • OPA4376-Q1

OPA4376-Q1

ACTIVE

Automotive-Qualified Precision Op Amp With E-Trim, Low Quiescent Current and Low Noise

Texas Instruments OPA4376-Q1 Product Info

1 April 2026 3

Parameters

Number of channels

4

Total supply voltage (+5 V = 5, ±5 V = 10) (max) (V)

5.5

Total supply voltage (+5 V = 5, ±5 V = 10) (min) (V)

2.2

Vos (offset voltage at 25°C) (max) (mV)

0.025

Offset drift (typ) (µV/°C)

0.32

Input bias current (max) (pA)

10

GBW (typ) (MHz)

5.5

Features

EMI Hardened, e-Trim™

Slew rate (typ) (V/µs)

2

Rail-to-rail

In, Out

Iq per channel (typ) (mA)

0.76

Vn at 1 kHz (typ) (nV√Hz)

7.5

CMRR (typ) (dB)

90

Rating

Automotive

Operating temperature range (°C)

-40 to 125

TI functional safety category

Functional Safety-Capable

Iout (typ) (A)

0.03

Architecture

CMOS

Input common mode headroom (to negative supply) (typ) (V)

-0.1

Input common mode headroom (to positive supply) (typ) (V)

0.1

Output swing headroom (to negative supply) (typ) (V)

0.01

Output swing headroom (to positive supply) (typ) (V)

-0.01

THD + N at 1 kHz (typ) (%)

0.00027

Package

TSSOP (PW)-14-32 mm² 5 x 6.4

Features

Description

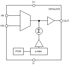
The OPAx376-Q1 family represents a new generation of low-noise e-trim™ operational amplifiers, offering outstanding dc precision and ac performance. Rail-to-rail output, low offset (25 µV maximum), low noise (7.5 nV/√Hz), quiescent current of 950 µA (maximum), and a 5.5-MHz bandwidth make this device very attractive for a variety of precision and portable applications. In addition, this device has a reasonably wide supply range with excellent PSRR, making the OPA376-Q1 an excellent choice for applications that run directly from batteries without regulation.

The OPA376-Q1 (single version) is available in MicroSIZE SC70-5, SOT23-5, and SOIC-8 packages. The OPA2376-Q1 (dual) is offered in the SOIC-8 and VSSOP-8 package. The OPA4376-Q1 (quad) is offered in a TSSOP-14 package. All versions are specified for operation from –40°C to +125°C.

The OPAx376-Q1 family represents a new generation of low-noise e-trim™ operational amplifiers, offering outstanding dc precision and ac performance. Rail-to-rail output, low offset (25 µV maximum), low noise (7.5 nV/√Hz), quiescent current of 950 µA (maximum), and a 5.5-MHz bandwidth make this device very attractive for a variety of precision and portable applications. In addition, this device has a reasonably wide supply range with excellent PSRR, making the OPA376-Q1 an excellent choice for applications that run directly from batteries without regulation.

The OPA376-Q1 (single version) is available in MicroSIZE SC70-5, SOT23-5, and SOIC-8 packages. The OPA2376-Q1 (dual) is offered in the SOIC-8 and VSSOP-8 package. The OPA4376-Q1 (quad) is offered in a TSSOP-14 package. All versions are specified for operation from –40°C to +125°C.

Subscribe to Welllinkchips !
Your Name
* Email
Submit a request