0
OPA140
  • OPA140
  • OPA140
  • OPA140
  • OPA140
  • OPA140
  • OPA140

OPA140

ACTIVE

Single-channel, 11-MHz, low-noise 36-V JFET precision operational amplifier with rail-to-rail output

Texas Instruments OPA140 Product Info

1 April 2026 1

Parameters

Number of channels

1

Total supply voltage (+5 V = 5, ±5 V = 10) (max) (V)

36

Total supply voltage (+5 V = 5, ±5 V = 10) (min) (V)

4.5

Vos (offset voltage at 25°C) (max) (mV)

0.12

Offset drift (typ) (µV/°C)

0.35

Input bias current (max) (pA)

10

GBW (typ) (MHz)

11

Slew rate (typ) (V/µs)

20

Rail-to-rail

In to V-, Out

Iq per channel (typ) (mA)

1.8

Vn at 1 kHz (typ) (nV√Hz)

5.1

CMRR (typ) (dB)

140

Rating

Catalog

Operating temperature range (°C)

-40 to 125

Iout (typ) (A)

0.03

Architecture

FET

Input common mode headroom (to negative supply) (typ) (V)

-0.1

Input common mode headroom (to positive supply) (typ) (V)

-3.5

Output swing headroom (to negative supply) (typ) (V)

0.2

Output swing headroom (to positive supply) (typ) (V)

-0.2

THD + N at 1 kHz (typ) (%)

0.00005

Package

SOIC (D)-8-29.4 mm² 4.9 x 6

Features

  • Very-low offset drift: 1 µV/°C maximum
  • Very-low offset: 120 µV
  • Low input bias current: 10 pA maximum
  • Very-low 1/f noise: 250 nV PP, 0.1 Hz to 10 Hz
  • Low noise: 5.1 nV/√ Hz
  • Slew rate: 20 V/µs
  • Low supply current: 2 mA maximum
  • Input voltage range includes V– supply
  • Single-supply operation: 4.5 V to 36 V
  • Dual-supply operation: ±2.25 V to ±18 V
  • No phase reversal
  • Packages:
    • Industry-standard SOIC, SON, SOT-23, TSSOP, and VSSOP
  • Very-low offset drift: 1 µV/°C maximum
  • Very-low offset: 120 µV
  • Low input bias current: 10 pA maximum
  • Very-low 1/f noise: 250 nV PP, 0.1 Hz to 10 Hz
  • Low noise: 5.1 nV/√ Hz
  • Slew rate: 20 V/µs
  • Low supply current: 2 mA maximum
  • Input voltage range includes V– supply
  • Single-supply operation: 4.5 V to 36 V
  • Dual-supply operation: ±2.25 V to ±18 V
  • No phase reversal
  • Packages:
    • Industry-standard SOIC, SON, SOT-23, TSSOP, and VSSOP

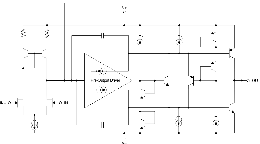
Description

The OPA140, OPA2140, and OPA4140 (OPAx140) operational amplifier (op amp) family is a series of low-power JFET input amplifiers that features good drift and low input bias current. The rail-to-rail output swing and input range that includes V– allow designers to take advantage of the low-noise characteristics of JFET amplifiers while also interfacing to modern, single-supply, precision analog-to-digital converters (ADCs) and digital-to-analog converters (DACs).

The OPA140 achieves 11-MHz unity-gain bandwidth and 20-V/µs slew rate while consuming only 1.8 mA (typical) of quiescent current. This device runs on a single 4.5-V to 36-V supply or dual ±2.25-V to ±18-V supplies.

All versions are fully specified from –40°C to +125°C for use in the most challenging environments. The OPA140 (single) is available in the 5‑pin SOT-23 8‑pin VSSOP and 8‑pin SOIC packages. The OPA2140 (dual) is available in 8‑pin SON, 8‑pin VSSOP, and 8‑pin SOIC packages. The OPA4140 (quad) is available in the 14‑pin SOIC and 14‑pin TSSOP packages.

The OPA140, OPA2140, and OPA4140 (OPAx140) operational amplifier (op amp) family is a series of low-power JFET input amplifiers that features good drift and low input bias current. The rail-to-rail output swing and input range that includes V– allow designers to take advantage of the low-noise characteristics of JFET amplifiers while also interfacing to modern, single-supply, precision analog-to-digital converters (ADCs) and digital-to-analog converters (DACs).

The OPA140 achieves 11-MHz unity-gain bandwidth and 20-V/µs slew rate while consuming only 1.8 mA (typical) of quiescent current. This device runs on a single 4.5-V to 36-V supply or dual ±2.25-V to ±18-V supplies.

All versions are fully specified from –40°C to +125°C for use in the most challenging environments. The OPA140 (single) is available in the 5‑pin SOT-23 8‑pin VSSOP and 8‑pin SOIC packages. The OPA2140 (dual) is available in 8‑pin SON, 8‑pin VSSOP, and 8‑pin SOIC packages. The OPA4140 (quad) is available in the 14‑pin SOIC and 14‑pin TSSOP packages.

Subscribe to Welllinkchips !
Your Name
* Email
Submit a request