0
MSP430F67621A
  • MSP430F67621A
  • MSP430F67621A

MSP430F67621A

ACTIVE

Low-cost polyphase metering SoC with 3 Sigma-Delta ADCs, 10-bit SAR ADC, LCD, 64KB Flash, 4KB RAM

Texas Instruments MSP430F67621A Product Info

1 April 2026 1

Parameters

CPU

MSP430

Frequency (MHz)

25

Flash memory (kByte)

64

RAM (kByte)

4

ADC type

24-bit Sigma Delta

Features

Advanced sensing, LCD, Real-time clock

UART

3

Number of ADC channels

3

SPI

4

USB

No

Operating temperature range (°C)

-40 to 85

Rating

Catalog

Communication interface

I2C, SPI, UART

Operating system

BareMetal (No OS), TI RTOS

Hardware accelerators

0

Nonvolatile memory (kByte)

64

Number of GPIOs

72

Number of I2Cs

1

Security

Secure debug

Package

LQFP (PN)-80-196 mm² 14 x 14

Features

  • Accuracy <0.5% Over 2000:1 Dynamic Range for Phase Current
  • Meets or Exceeds ANSI C12.20 and IEC 63053 Standards
  • Support for Multiple Sensors Such as Current Transformers, Rogowski Coils, or Shunts
  • Power Measurement for up to Three Phases
  • Four-Quadrant Measurement per Phase or Cumulative
  • Exact Phase-Angle Measurements
  • Digital Phase Correction for Current Transformers
  • 40-Hz to 70-Hz Line Frequency Range Using Single Calibration
  • Flexible Power Supply Options With Automatic Switching
  • Display Operates at Very Low Power During AC Mains Failure: 3 µA in LPM3
  • Real-Time Clock (RTC) Module Operating from Dedicated Power Supply (AUXVCC3) Offering Integrated Offset and Temperature Calibration Features
  • Multiple Communication Interfaces for Smart Meter Implementations
  • High-Performance 25-MHz CPU With 32-Bit Multiplier
  • Up to 128KB of Flash With Single-Cycle Execution
  • Up to 8KB of RAM With Single-Cycle Access
  • Up to Three Independent 24-Bit Sigma-Delta Analog-to-Digital Converters (ADCs) With Differential Inputs and Variable Gain
  • System ADC:
    10-Bit 200-ksps 6-Channel Plus Temperature Sensor and Supply Measurement
  • Wide Input Supply-Voltage Range:
    1.8 V to 3.6 V
  • Ultra-Low Power Consumption During Energy Measurement
    • 3.0 mW at 10-MHz Operation (3.0 V)
  • Multiple Low-Power Modes
    • Standby Mode (LPM3): 2.5 µA at 3 V, Wake up in 3 µs (Typical)
    • RTC Mode (LPM3.5): 1.24 µA at 3 V (Typical)
    • Shutdown Mode (LPM4.5): 0.78 µA at 3 V (Typical)
  • LCD Driver With Contrast Control for up to 320 Segments
  • Password-Protected RTC With Crystal Offset Calibration and Temperature Compensation
  • Four Communications Ports
    • Configurable Among Four UART, Three SPI, and One I2C Interfaces
  • Four 16-Bit Timers With Nine Capture/Compare Registers
  • 100-Pin LQFP (PZ) Package With 72 I/O Pins
  • 80-Pin LQFP (PN) Package With 52 I/O Pins
  • Industrial Temperature Range of –40°C to 85°C
  • Development Tool (Also See Tools and Software)
  • Accuracy <0.5% Over 2000:1 Dynamic Range for Phase Current
  • Meets or Exceeds ANSI C12.20 and IEC 63053 Standards
  • Support for Multiple Sensors Such as Current Transformers, Rogowski Coils, or Shunts
  • Power Measurement for up to Three Phases
  • Four-Quadrant Measurement per Phase or Cumulative
  • Exact Phase-Angle Measurements
  • Digital Phase Correction for Current Transformers
  • 40-Hz to 70-Hz Line Frequency Range Using Single Calibration
  • Flexible Power Supply Options With Automatic Switching
  • Display Operates at Very Low Power During AC Mains Failure: 3 µA in LPM3
  • Real-Time Clock (RTC) Module Operating from Dedicated Power Supply (AUXVCC3) Offering Integrated Offset and Temperature Calibration Features
  • Multiple Communication Interfaces for Smart Meter Implementations
  • High-Performance 25-MHz CPU With 32-Bit Multiplier
  • Up to 128KB of Flash With Single-Cycle Execution
  • Up to 8KB of RAM With Single-Cycle Access
  • Up to Three Independent 24-Bit Sigma-Delta Analog-to-Digital Converters (ADCs) With Differential Inputs and Variable Gain
  • System ADC:
    10-Bit 200-ksps 6-Channel Plus Temperature Sensor and Supply Measurement
  • Wide Input Supply-Voltage Range:
    1.8 V to 3.6 V
  • Ultra-Low Power Consumption During Energy Measurement
    • 3.0 mW at 10-MHz Operation (3.0 V)
  • Multiple Low-Power Modes
    • Standby Mode (LPM3): 2.5 µA at 3 V, Wake up in 3 µs (Typical)
    • RTC Mode (LPM3.5): 1.24 µA at 3 V (Typical)
    • Shutdown Mode (LPM4.5): 0.78 µA at 3 V (Typical)
  • LCD Driver With Contrast Control for up to 320 Segments
  • Password-Protected RTC With Crystal Offset Calibration and Temperature Compensation
  • Four Communications Ports
    • Configurable Among Four UART, Three SPI, and One I2C Interfaces
  • Four 16-Bit Timers With Nine Capture/Compare Registers
  • 100-Pin LQFP (PZ) Package With 72 I/O Pins
  • 80-Pin LQFP (PN) Package With 52 I/O Pins
  • Industrial Temperature Range of –40°C to 85°C
  • Development Tool (Also See Tools and Software)

Description

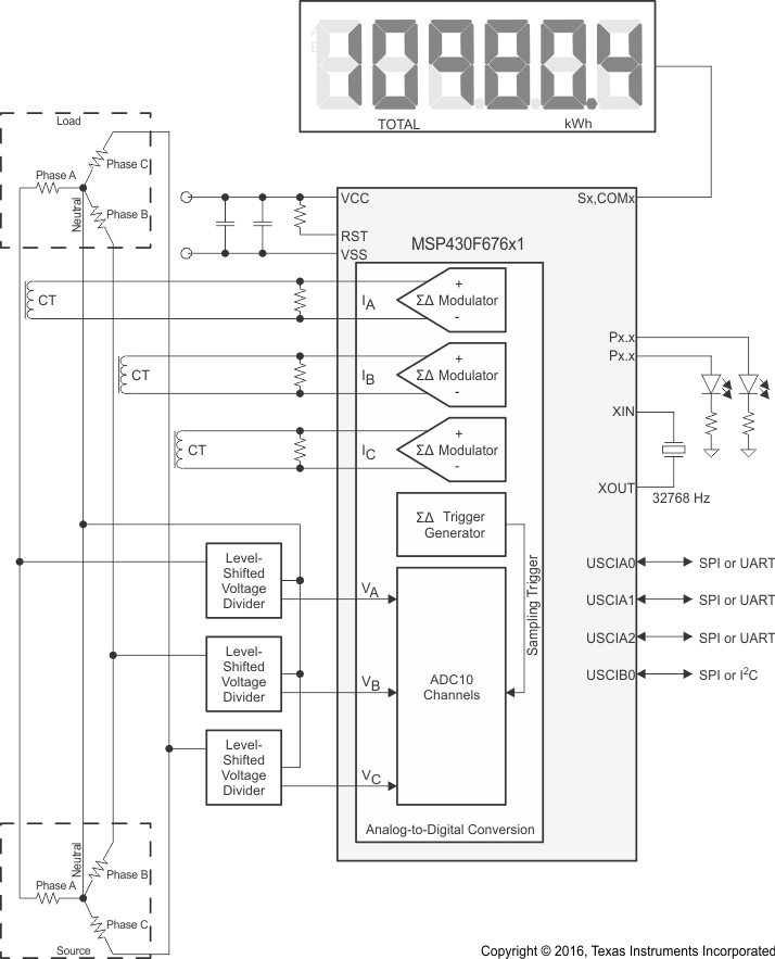
The TI MSP430F676x1A polyphase metering SoCs are powerful highly integrated solutions for revenue meters that offer accuracy and low system cost with few external components. The MSP430F676x1A uses the low-power MSP430™ CPU with a 32-bit multiplier to perform all energy calculations, metering applications such as tariff rate management, and communications with AMR or AMI modules.

The MSP430F676x1A features TI’s 24-bit sigma-delta converter technology, which provides better than 0.5% accuracy. Family members include up to 128KB of flash and 8KB of RAM and an LCD controller with support for up to 320 segments. The ultra-low-power nature of the MSP430F676x1A means that the system power supply can be minimized to reduce overall cost. Lowest standby power means that backup energy storage can be minimized, and critical data retained longer in case of a mains power failure.

The MSP430F676x1A family executes the TI energy measurement software library, which calculates all relevant energy and power results. The energy measurement software library is available with the MSP430F676x1A at no cost. Industry-standard development tools and hardware platforms are available to speed development of meters that meet all of the ANSI and IEC standards globally.

For complete module descriptions, see the MSP430F5xx and MSP430F6xx Family User’s Guide.

The TI MSP430F676x1A polyphase metering SoCs are powerful highly integrated solutions for revenue meters that offer accuracy and low system cost with few external components. The MSP430F676x1A uses the low-power MSP430™ CPU with a 32-bit multiplier to perform all energy calculations, metering applications such as tariff rate management, and communications with AMR or AMI modules.

The MSP430F676x1A features TI’s 24-bit sigma-delta converter technology, which provides better than 0.5% accuracy. Family members include up to 128KB of flash and 8KB of RAM and an LCD controller with support for up to 320 segments. The ultra-low-power nature of the MSP430F676x1A means that the system power supply can be minimized to reduce overall cost. Lowest standby power means that backup energy storage can be minimized, and critical data retained longer in case of a mains power failure.

The MSP430F676x1A family executes the TI energy measurement software library, which calculates all relevant energy and power results. The energy measurement software library is available with the MSP430F676x1A at no cost. Industry-standard development tools and hardware platforms are available to speed development of meters that meet all of the ANSI and IEC standards globally.

For complete module descriptions, see the MSP430F5xx and MSP430F6xx Family User’s Guide.

Subscribe to Welllinkchips !
Your Name
* Email
Submit a request