0
LP8867C-Q1
  • LP8867C-Q1
  • LP8867C-Q1
  • LP8867C-Q1
  • LP8867C-Q1

LP8867C-Q1

ACTIVE

Highly-integrated 4-channel 120-mA automotive LED driver

Texas Instruments LP8867C-Q1 Product Info

1 April 2026 0

Parameters

Number of channels

4

Topology

Boost with Current Sink

Rating

Automotive

TI functional safety category

Functional Safety-Capable

Operating temperature range (°C)

-40 to 125

Vin (min) (V)

4.5

Vin (max) (V)

40

Vout (min) (V)

6

Vout (max) (V)

45

Iout (max) (A)

0.48

Iq (typ) (mA)

4.5

Switching frequency (max) (kHz)

2200

Features

Adjustable Switch Frequency, Boost Sync, Current Derating, Enable/Shutdown, Fault Detection, Global dimming, Integrated Switch, LED Open Detection, LED Shorted Detection, Soft Start, Spread Spectrum, Synchronization Pin, Thermal shutdown

Package

HTSSOP (PWP)-20-41.6 mm² 6.5 x 6.4

Features

  • AEC-Q100 Qualified for automotive applications:
    • Device temperature grade 1:
      –40°C to +125°C, TA
  • 3-, 4-Channel 120-mA LED driver for automotive LCD display
    • High dimming ratio of 10 000:1 at 100 Hz
    • Current matching 1% (typical)
    • LED String current up to 120 mA per channel
    • Outputs can be combined externally for higher current per string
  • Integrated boost and SEPIC converter for LED string power
    • Input voltage operating range 4.5 V to 40 V
    • Output voltage up to 45 V
    • Integrated 3.3-A Switch FET
    • Switching frequency 300 kHz to 2.2 MHz
    • Switching synchronization input
    • Spread spectrum for lower EMI
  • Protection and fault detection
    • Fault output
    • Input voltage OVP, UVLO
    • Boost OVP
    • SW OVP
    • LED Open and short fault detection
    • Thermal shutdown
  • AEC-Q100 Qualified for automotive applications:
    • Device temperature grade 1:
      –40°C to +125°C, TA
  • 3-, 4-Channel 120-mA LED driver for automotive LCD display
    • High dimming ratio of 10 000:1 at 100 Hz
    • Current matching 1% (typical)
    • LED String current up to 120 mA per channel
    • Outputs can be combined externally for higher current per string
  • Integrated boost and SEPIC converter for LED string power
    • Input voltage operating range 4.5 V to 40 V
    • Output voltage up to 45 V
    • Integrated 3.3-A Switch FET
    • Switching frequency 300 kHz to 2.2 MHz
    • Switching synchronization input
    • Spread spectrum for lower EMI
  • Protection and fault detection
    • Fault output
    • Input voltage OVP, UVLO
    • Boost OVP
    • SW OVP
    • LED Open and short fault detection
    • Thermal shutdown

Description

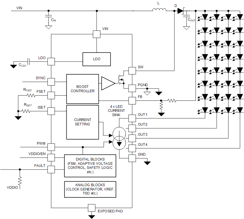
The LP8867C-Q1, LP8869C-Q1 is an automotive highly-integrated, low-EMI, easy-to-use LED driver with DC-DC converter. The DC-DC converter supports both boost and SEPIC mode operation. The device has four or three high-precision current sinks that can be combined for higher current capability.

The DC-DC converter has adaptive output voltage control based on the LED forward voltages. This feature minimizes the power consumption by adjusting the voltage to the lowest sufficient level in all conditions. For EMI reduction DC-DC supports spread spectrum for switching frequency and an external synchronization with dedicated pin. A wide-range adjustable frequency allows the LP886xC-Q1 to avoid disturbance for sensitive frequency band.

The input voltage range for the LP886xC-Q1 is from 4.5 V to 40 V to support automotive stop, start and load dump condition. The LP886xC-Q1 integrates extensive fault detection features.

The LP8867C-Q1, LP8869C-Q1 is an automotive highly-integrated, low-EMI, easy-to-use LED driver with DC-DC converter. The DC-DC converter supports both boost and SEPIC mode operation. The device has four or three high-precision current sinks that can be combined for higher current capability.

The DC-DC converter has adaptive output voltage control based on the LED forward voltages. This feature minimizes the power consumption by adjusting the voltage to the lowest sufficient level in all conditions. For EMI reduction DC-DC supports spread spectrum for switching frequency and an external synchronization with dedicated pin. A wide-range adjustable frequency allows the LP886xC-Q1 to avoid disturbance for sensitive frequency band.

The input voltage range for the LP886xC-Q1 is from 4.5 V to 40 V to support automotive stop, start and load dump condition. The LP886xC-Q1 integrates extensive fault detection features.

Subscribe to Welllinkchips !
Your Name
* Email
Submit a request