0
LP5522
  • LP5522
  • LP5522
  • LP5522
  • LP5522

LP5522

ACTIVE

Single channel programmable LED driver

Texas Instruments LP5522 Product Info

1 April 2026 1

Parameters

Number of channels

1

LED current per channel (mA)

20

LED configuration

Single

Program memory

Yes

Topology

Linear

Programmable ramp control

No

Vin (min) (V)

2.7

Vin (max) (V)

5.5

Iout (max) (A)

0.02

Features

Constant current, GPIO interface

Iq (typ) (mA)

0.04

Shutdown current (ISD) (typ) (µA)

0.2

Operating temperature range (°C)

-30 to 85

Rating

Catalog

Package

DSBGA (YFQ)-6-1.4000000000000001 mm² 1.4000000000000001 x 1

Features

  • Programmable Blinking Sequence
    • 1 to 3 Programmable Pulses
    • 1 ms to 255 ms LED on Time
    • 10 ms to 2500 ms LED Off Time
    • Single or Continuous Run of Programmed Blinking Sequence
  • Constant Current High Side Output Driver
  • Adjustable Current with External Resistor
  • 0.2 µA Typical Shutdown Current
  • Autonomous Operation without External Clock
  • DSBGA-6 Package with 0.4 mm Pitch:
    • 1.215 mm x 0.815 mm x 0.6 mm (LxWxH)

All trademarks are the property of their respective owners.

  • Programmable Blinking Sequence
    • 1 to 3 Programmable Pulses
    • 1 ms to 255 ms LED on Time
    • 10 ms to 2500 ms LED Off Time
    • Single or Continuous Run of Programmed Blinking Sequence
  • Constant Current High Side Output Driver
  • Adjustable Current with External Resistor
  • 0.2 µA Typical Shutdown Current
  • Autonomous Operation without External Clock
  • DSBGA-6 Package with 0.4 mm Pitch:
    • 1.215 mm x 0.815 mm x 0.6 mm (LxWxH)

All trademarks are the property of their respective owners.

Description

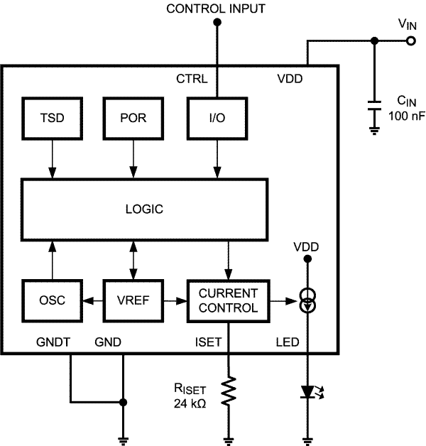
The LP5522 is a simple single wire programmable LED controller in six bump DSBGA package. It provides constant current flow through high side driver. Output current can be set from 1 mA to 20 mA by using an external resistor on the ISET pin. If no external resistor is used, output current is set to 5 mA default current. The LP5522 is controlled using only one signal. The signal controls either directly the LED driver or it launches previously programmed blinking sequence.

The LP5522 works autonomously without a clock signal from the master device. Very low LED driver headroom voltage makes possible to use supply voltages close to LED forward voltage. Current consumption of the LP5522 is minimized when LED is turned off and once controller is disabled all supporting functions are also shut down. Very small DSBGA package together with minimum number of external components is a best fit for handheld devices.

The LP5522 is a simple single wire programmable LED controller in six bump DSBGA package. It provides constant current flow through high side driver. Output current can be set from 1 mA to 20 mA by using an external resistor on the ISET pin. If no external resistor is used, output current is set to 5 mA default current. The LP5522 is controlled using only one signal. The signal controls either directly the LED driver or it launches previously programmed blinking sequence.

The LP5522 works autonomously without a clock signal from the master device. Very low LED driver headroom voltage makes possible to use supply voltages close to LED forward voltage. Current consumption of the LP5522 is minimized when LED is turned off and once controller is disabled all supporting functions are also shut down. Very small DSBGA package together with minimum number of external components is a best fit for handheld devices.

Subscribe to Welllinkchips !
Your Name
* Email
Submit a request