0
LMZ21701
  • LMZ21701
  • LMZ21701

LMZ21701

ACTIVE

3V to 17V, 1A Step-Down DC/DC Power Module in 3.5mm × 3.5mm Package

Texas Instruments LMZ21701 Product Info

1 April 2026 1

Parameters

Rating

Catalog

Topology

Buck, Synchronous Buck

Iout (max) (A)

1

Vin (max) (V)

17

Vin (min) (V)

3

Vout (max) (V)

6

Vout (min) (V)

0.9

Features

EMI Tested, Enable, Light-load efficiency, Power good

Operating temperature range (°C)

-40 to 125

Type

Module

Duty cycle (max) (%)

100

Control mode

Constant on-time (COT), DCS-Control

Switching frequency (min) (kHz)

1250

Switching frequency (max) (kHz)

2500

Package

USIP (SIL)-8-See data sheet

Features

  • Integrated Inductor
  • Miniature 3.5 mm × 3.5 mm × 1.75 mm Package
  • 35-mm² Solution Size (Single Sided)
  • -40°C to 125°C Junction Temperature Range
  • Adjustable Output Voltage
  • Integrated Compensation
  • Adjustable Soft-Start Function
  • Starts into Prebiased Loads
  • Power Good and Enable Pins
  • Seamless Transition to Power-Save Mode
  • Up to 1000 mA Output Current
  • Input Voltage Range 3 V to 17 V
  • Output Voltage Range 0.9 V to 6 V
  • Efficiency up to 95 %
  • 1.5-µA Shutdown Current
  • 17-µA Quiescent Current
  • Create a Custom Design Using the LMZ21701 With WEBENCH® Power Designer
  • Integrated Inductor
  • Miniature 3.5 mm × 3.5 mm × 1.75 mm Package
  • 35-mm² Solution Size (Single Sided)
  • -40°C to 125°C Junction Temperature Range
  • Adjustable Output Voltage
  • Integrated Compensation
  • Adjustable Soft-Start Function
  • Starts into Prebiased Loads
  • Power Good and Enable Pins
  • Seamless Transition to Power-Save Mode
  • Up to 1000 mA Output Current
  • Input Voltage Range 3 V to 17 V
  • Output Voltage Range 0.9 V to 6 V
  • Efficiency up to 95 %
  • 1.5-µA Shutdown Current
  • 17-µA Quiescent Current
  • Create a Custom Design Using the LMZ21701 With WEBENCH® Power Designer

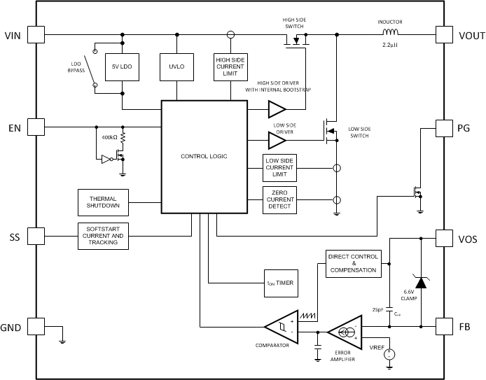
Description

The LMZ21701 nano module is an easy-to-use step-down DC/DC solution capable of driving up to 1000-mA load in space-constrained applications. Only an input capacitor, an output capacitor, a soft-start capacitor, and two resistors are required for basic operation.

The LMZ21701 nano module is an easy-to-use step-down DC/DC solution capable of driving up to 1000-mA load in space-constrained applications. Only an input capacitor, an output capacitor, a soft-start capacitor, and two resistors are required for basic operation.

Subscribe to Welllinkchips !
Your Name
* Email
Submit a request