0
LMV393
  • LMV393
  • LMV393
  • LMV393
  • LMV393
  • LMV393

LMV393

ACTIVE

Dual General Purpose Low-Voltage Comparator

Texas Instruments LMV393 Product Info

1 April 2026 0

Parameters

Number of channels

2

Output type

Open-collector, Open-drain

Propagation delay time (µs)

0.2

Vs (max) (V)

5.5

Vs (min) (V)

2.7

Rating

Catalog

Features

Small Size, Standard comparator

Iq per channel (typ) (mA)

0.0425

Vos (offset voltage at 25°C) (max) (mV)

7

Rail-to-rail

In to V-

Operating temperature range (°C)

-40 to 125

Input bias current (±) (max) (nA)

250

VICR (max) (V)

4.2

VICR (min) (V)

-0.1

Package

SOIC (D)-8-29.4 mm² 4.9 x 6

Features

  • 2.7V and 5V performance
  • Low supply current
    • LMV331 26µA typical
    • LMV393 50µA typical
    • LMV339 100µA typical
  • Input common-mode voltage range includes ground
  • Low output saturation voltage 150mV typical
  • Open-collector output for maximum flexibility
  • 2.7V and 5V performance
  • Low supply current
    • LMV331 26µA typical
    • LMV393 50µA typical
    • LMV339 100µA typical
  • Input common-mode voltage range includes ground
  • Low output saturation voltage 150mV typical
  • Open-collector output for maximum flexibility

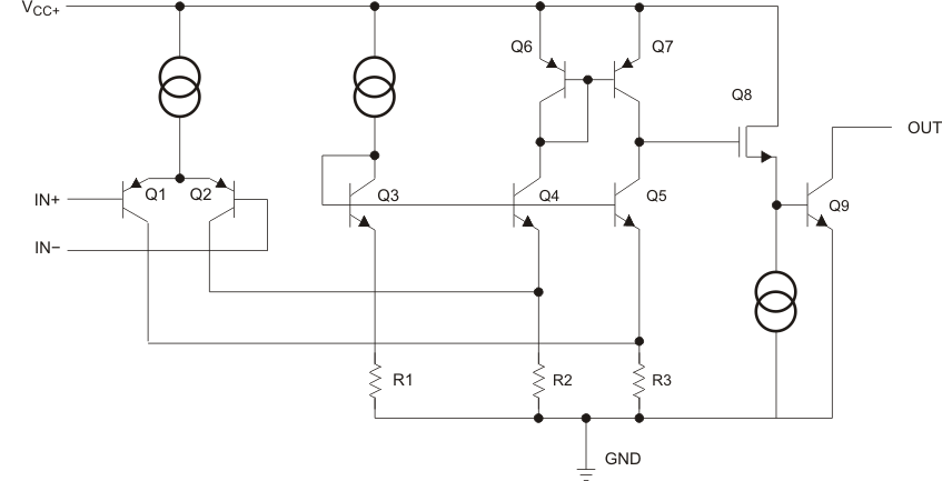
Description

The LMV393 and LMV339 devices are low-voltage (2.7V to 5.5V) versions of the dual and quad comparators, LM393 and LM339, which operate from 5V to 30V. The LMV331 is the single-comparator version.

The LMV331, LMV339, and LMV393 are the most cost-effective devices for applications where low-voltage operation, low power, and space saving are the primary specifications in circuit design for portable consumer products. These devices offer specifications that meet or exceed the familiar LM339 and LM393 devices at a fraction of the supply current.

The LMV393 and LMV339 devices are low-voltage (2.7V to 5.5V) versions of the dual and quad comparators, LM393 and LM339, which operate from 5V to 30V. The LMV331 is the single-comparator version.

The LMV331, LMV339, and LMV393 are the most cost-effective devices for applications where low-voltage operation, low power, and space saving are the primary specifications in circuit design for portable consumer products. These devices offer specifications that meet or exceed the familiar LM339 and LM393 devices at a fraction of the supply current.

Subscribe to Welllinkchips !
Your Name
* Email
Submit a request