0
LMR23630
  • LMR23630
  • LMR23630
  • LMR23630
  • LMR23630

LMR23630

ACTIVE

SIMPLE SWITCHER®, 36V 3A Synchronous Step-Down Converter

Texas Instruments LMR23630 Product Info

1 April 2026 0

Parameters

Rating

Catalog

Topology

Buck

Iout (max) (A)

3

Vin (max) (V)

36

Vin (min) (V)

4.5

Vout (max) (V)

30

Vout (min) (V)

1

Features

Enable, Forced PWM, Frequency synchronization, Light Load Efficiency, Over Current Protection, Pre-Bias Start-Up, Synchronous Rectification, UVLO adjustable, Wettable flanks package

Control mode

current mode

Operating temperature range (°C)

-40 to 125

Iq (typ) (A)

0.000075

Duty cycle (max) (%)

97

Package

HSOIC (DDA)-8-29.4 mm² 4.9 x 6

Features

  • 4-V to 36-V Input range
  • 3-A Continuous output current
  • Integrated synchronous rectification
  • Current-mode control
  • Minimum switch on-time: 60 ns
  • Internal compensation for ease of use
  • 400-kHz Switching frequency and adjustable frequency options
  • PFM and forced PWM mode options
  • Frequency synchronization to external clock
  • 75-µA Quiescent current at no load for PFM option
  • Soft start into a prebiased load
  • High duty-cycle operation supported
  • Precision enable input
  • Output short-circuit protection with hiccup mode
  • Thermal protection
  • 8-Pin HSOIC with PowerPAD™ package
  • 12-Pin WSON wettable flanks package with PowerPAD™
  • Use the LMZM33603 module for faster time to market
  • Create a custom design using the LMR23625 with the WEBENCH Power Designer
  • 4-V to 36-V Input range
  • 3-A Continuous output current
  • Integrated synchronous rectification
  • Current-mode control
  • Minimum switch on-time: 60 ns
  • Internal compensation for ease of use
  • 400-kHz Switching frequency and adjustable frequency options
  • PFM and forced PWM mode options
  • Frequency synchronization to external clock
  • 75-µA Quiescent current at no load for PFM option
  • Soft start into a prebiased load
  • High duty-cycle operation supported
  • Precision enable input
  • Output short-circuit protection with hiccup mode
  • Thermal protection
  • 8-Pin HSOIC with PowerPAD™ package
  • 12-Pin WSON wettable flanks package with PowerPAD™
  • Use the LMZM33603 module for faster time to market
  • Create a custom design using the LMR23625 with the WEBENCH Power Designer

Description

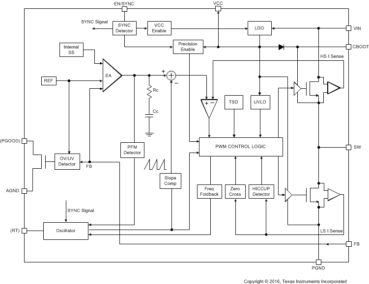
The LMR23630 SIMPLE SWITCHER is an easy-to-use 36 V, 3 A synchronous step-down regulator. With a wide input range from 4 V to 36 V, it is suitable for various industrial applications for power conditioning from unregulated sources. Peak-current-mode control is employed to achieve simple control-loop compensation and cycle-by-cycle current limiting. A quiescent current of 75 µA makes the device suitable for battery-powered systems. An ultra-low 2 µA shutdown current can further prolong battery life. Internal loop compensation means that the user is free from the tedious task of loop compensation design. This also minimizes the external components. The device has an option for constant frequency FPWM mode to achieve small output-voltage ripple at light load. An extended family (HSOIC) is available in 1-A (LMR23610) and 2.5-A (LMR23625) load-current options in a pin-to-pin compatible package allowing simple, optimum PCB layout. A precision enable input allows simplification of regulator control and system power sequencing. Protection features include cycle-by-cycle current limit, hiccup-mode short-circuit protection, and thermal shutdown due to excessive power dissipation.

The LMR23630 SIMPLE SWITCHER is an easy-to-use 36 V, 3 A synchronous step-down regulator. With a wide input range from 4 V to 36 V, it is suitable for various industrial applications for power conditioning from unregulated sources. Peak-current-mode control is employed to achieve simple control-loop compensation and cycle-by-cycle current limiting. A quiescent current of 75 µA makes the device suitable for battery-powered systems. An ultra-low 2 µA shutdown current can further prolong battery life. Internal loop compensation means that the user is free from the tedious task of loop compensation design. This also minimizes the external components. The device has an option for constant frequency FPWM mode to achieve small output-voltage ripple at light load. An extended family (HSOIC) is available in 1-A (LMR23610) and 2.5-A (LMR23625) load-current options in a pin-to-pin compatible package allowing simple, optimum PCB layout. A precision enable input allows simplification of regulator control and system power sequencing. Protection features include cycle-by-cycle current limit, hiccup-mode short-circuit protection, and thermal shutdown due to excessive power dissipation.

Subscribe to Welllinkchips !
Your Name
* Email
Submit a request