0
AMC7832
  • AMC7832
  • AMC7832

AMC7832

ACTIVE

12-Bit High-Density Analog Monitor and Control (AMC) Solution

Texas Instruments AMC7832 Product Info

1 April 2026 0

Parameters

Number of ADC channels

17

ADC resolution (bps)

12

Number of DAC channels

12

DAC resolution (bps)

12

Temperature sensing

Local

Number of GPIOs

8

Interface type

SPI

Features

GPIO, Temp Sensor

Operating temperature range (°C)

-40 to 125

Rating

Catalog

ADC sampling rate (ksps)

87

ADC analog input range (min) (V)

-12.5

ADC analog input range (max) (V)

12.5

DAC settling time (µs)

10

DAC output full-scale (min) (V)

-10

DAC output full-scale (max) (V)

10

Package

HTQFP (PAP)-64-144 mm² 12 x 12

Features

  • Twelve Monotonic 12-Bit DACs
    • Selectable Ranges: 0 to +5-V, 0 to +10-V and
      –10 to 0-V
    • High Current Drive Capability: up to ±15-mA
    • Selectable Clamp Voltage
  • One 12-Bit SAR ADC
    • 17 External Analog Inputs
      • 12 Bipolar Inputs: –12.5-V to +12.5-V Range
      • 5 High Precision Inputs: 0 to +5-V Range
    • Programmable Out-of-Range Alarms
  • Internal +2.5-V Reference
  • Internal Temperature Sensor
    • –40°C to +125°C Operation
    • ±2.5°C Accuracy
  • Eight General Purpose I/O Ports (GPIOs)
  • Low Power SPI Compatible Serial Interface
    • 4-Wire Mode, +1.8-V to +5.5-V Operation
  • Operating Temperature Range: –40°C to +125°C
  • Available in 64-Terminal HTQFP PowerPAD Package
  • Twelve Monotonic 12-Bit DACs
    • Selectable Ranges: 0 to +5-V, 0 to +10-V and
      –10 to 0-V
    • High Current Drive Capability: up to ±15-mA
    • Selectable Clamp Voltage
  • One 12-Bit SAR ADC
    • 17 External Analog Inputs
      • 12 Bipolar Inputs: –12.5-V to +12.5-V Range
      • 5 High Precision Inputs: 0 to +5-V Range
    • Programmable Out-of-Range Alarms
  • Internal +2.5-V Reference
  • Internal Temperature Sensor
    • –40°C to +125°C Operation
    • ±2.5°C Accuracy
  • Eight General Purpose I/O Ports (GPIOs)
  • Low Power SPI Compatible Serial Interface
    • 4-Wire Mode, +1.8-V to +5.5-V Operation
  • Operating Temperature Range: –40°C to +125°C
  • Available in 64-Terminal HTQFP PowerPAD Package

Description

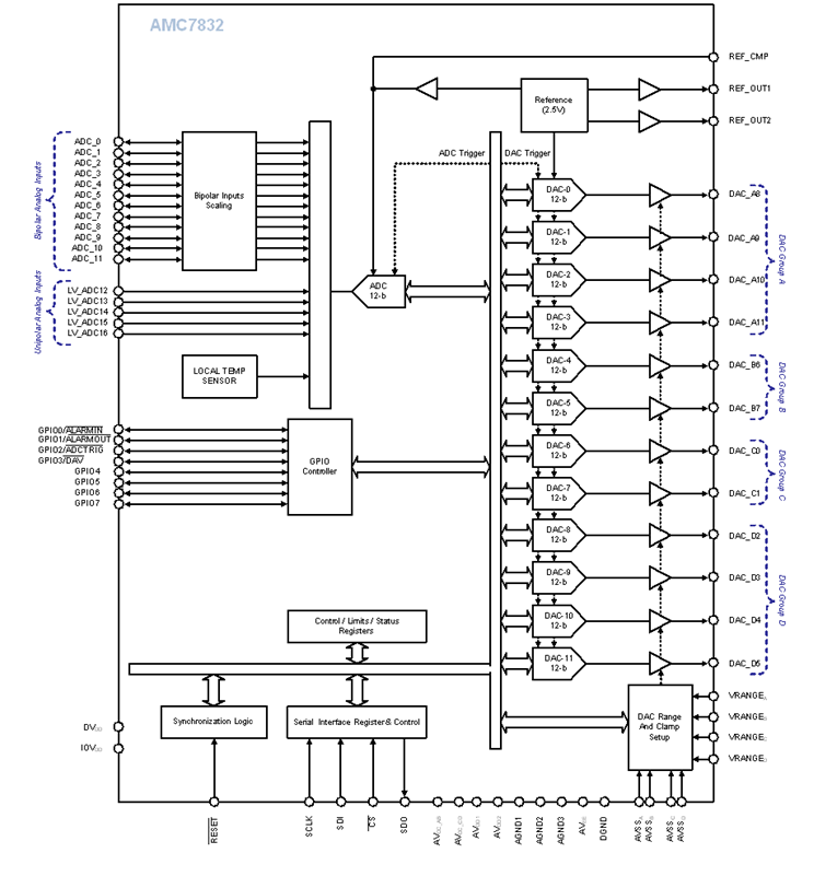
The AMC7832 is a highly integrated, low-power, analog monitoring and control solution that includes a 17-channel, 12-bit analog-to-digital converter (ADC) with programmable alarms, twelve 12-bit digital-to-analog converters (DACs) with output ranges of either 0 to +5-V, 0 to +10-V or –10 to 0-V, eight GPIOs, internal reference and a local temperature sensor channel. The AMC7832 high level of integration significantly reduces component count and simplifies closed-loop system designs.

The AMC7832 is ideal for multichannel applications where board space, size, and low power are critical.

The AMC7832’s low power, high-integration and wide operating temperature range make it an ideal all-in-one, low-cost, bias control circuit for the power amplifiers (PA) found in multi-channel RF communication systems. The flexible DAC output ranges allow the device to be used as a biasing solution for a large variety of transistor technologies such as LDMOS, GaAs and GaN. The AMC7832 feature set is similarly beneficial in general purpose monitor and control systems.

For applications that require a different channel count, additional features, or converter resolutions, Texas Instruments offers a complete family of Analog Monitor and Control (AMC) products. Visit http://www.ti.com/amc for more information.

The AMC7832 is a highly integrated, low-power, analog monitoring and control solution that includes a 17-channel, 12-bit analog-to-digital converter (ADC) with programmable alarms, twelve 12-bit digital-to-analog converters (DACs) with output ranges of either 0 to +5-V, 0 to +10-V or –10 to 0-V, eight GPIOs, internal reference and a local temperature sensor channel. The AMC7832 high level of integration significantly reduces component count and simplifies closed-loop system designs.

The AMC7832 is ideal for multichannel applications where board space, size, and low power are critical.

The AMC7832’s low power, high-integration and wide operating temperature range make it an ideal all-in-one, low-cost, bias control circuit for the power amplifiers (PA) found in multi-channel RF communication systems. The flexible DAC output ranges allow the device to be used as a biasing solution for a large variety of transistor technologies such as LDMOS, GaAs and GaN. The AMC7832 feature set is similarly beneficial in general purpose monitor and control systems.

For applications that require a different channel count, additional features, or converter resolutions, Texas Instruments offers a complete family of Analog Monitor and Control (AMC) products. Visit http://www.ti.com/amc for more information.

Subscribe to Welllinkchips !
Your Name
* Email
Submit a request