0
LMH6521
  • LMH6521
  • LMH6521
  • LMH6521
  • LMH6521

LMH6521

ACTIVE

High Performance Dual DVGA

Texas Instruments LMH6521 Product Info

1 April 2026 2

Parameters

2nd harmonic (dBc)

-84

3rd harmonic (dBc)

83

Frequency of harmonic distortion measurement (MHz)

200

Acl, min spec gain (V/V)

0.53

Architecture

Fully Differential ADC Driver, VGA

BW at Acl (MHz)

1400

Gain (max) (dB)

26

Gain (min) (dB)

-5.5

Step size (dB)

0.5

Type

RF VGA

Iq per channel (typ) (mA)

113

Number of channels

2

Rating

Catalog

Operating temperature range (°C)

-40 to 85

Total supply voltage (+5 V = 5, ±5 V = 10) (max) (V)

5.25

Total supply voltage (+5 V = 5, ±5 V = 10) (min) (V)

4.75

Vs (min) (V)

4.75

Vs (max) (V)

5.25

Package

WQFN (RTV)-32-25 mm² 5 x 5

Features

  • OIP3 of 48.5 dBm at 200 MHz
  • Maximum Voltage Gain of 26 dB
  • Gain Range: 31.5 dB with 0.5-dB Step Size
  • Channel Gain Matching of ±0.04 dB
  • Noise Figure: 7.3 dB at Maximum Gain
  • –3-dB Bandwidth of 1200 MHz
  • Low Power Dissipation
  • Independent Channel Power Down
  • Three Gain Control Modes:
    • Parallel Interface
    • Serial Interface (SPI)
    • Pulse Mode Interface
  • Temperature Range: –40°C to +85°C
  • Thermally-Enhanced, 32-Pin WQFN Package
  • OIP3 of 48.5 dBm at 200 MHz
  • Maximum Voltage Gain of 26 dB
  • Gain Range: 31.5 dB with 0.5-dB Step Size
  • Channel Gain Matching of ±0.04 dB
  • Noise Figure: 7.3 dB at Maximum Gain
  • –3-dB Bandwidth of 1200 MHz
  • Low Power Dissipation
  • Independent Channel Power Down
  • Three Gain Control Modes:
    • Parallel Interface
    • Serial Interface (SPI)
    • Pulse Mode Interface
  • Temperature Range: –40°C to +85°C
  • Thermally-Enhanced, 32-Pin WQFN Package

Description

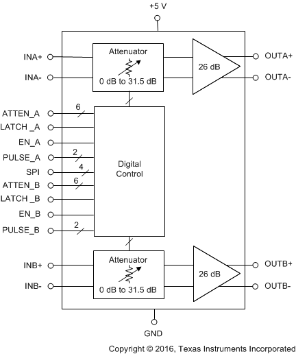
The LMH6521 contains two high performance, digitally controlled variable gain amplifiers (DVGA).

Both channels of the LMH6521 have an independent, digitally controlled attenuator followed by a high linearity, differential output amplifier. Each block has been optimized for low distortion and maximum system design flexibility. Each channel has a high speed power down mode.

The internal digitally controlled attenuator provides precise 0.5-dB gain steps over a 31.5-dB range. Serial and parallel programming options are provided. Serial mode programming uses the SPI interface. A pulse mode is also offered where simple up or down commands can change the gain one step at a time.

The output amplifier has a differential output allowing 10-VPPD signal swings on a single 5-V supply. The low impedance output provides maximum flexibility when driving filters or analog to digital converters.

The LMH6521 contains two high performance, digitally controlled variable gain amplifiers (DVGA).

Both channels of the LMH6521 have an independent, digitally controlled attenuator followed by a high linearity, differential output amplifier. Each block has been optimized for low distortion and maximum system design flexibility. Each channel has a high speed power down mode.

The internal digitally controlled attenuator provides precise 0.5-dB gain steps over a 31.5-dB range. Serial and parallel programming options are provided. Serial mode programming uses the SPI interface. A pulse mode is also offered where simple up or down commands can change the gain one step at a time.

The output amplifier has a differential output allowing 10-VPPD signal swings on a single 5-V supply. The low impedance output provides maximum flexibility when driving filters or analog to digital converters.

Subscribe to Welllinkchips !
Your Name
* Email
Submit a request