0
LMR23610
  • LMR23610
  • LMR23610
  • LMR23610

LMR23610

ACTIVE

SIMPLE SWITCHER, 36V 1A Synchronous Step-Down Converter

Texas Instruments LMR23610 Product Info

1 April 2026 1

Parameters

Rating

Catalog

Topology

Buck

Iout (max) (A)

1

Vin (max) (V)

36

Vin (min) (V)

4.5

Vout (max) (V)

30

Vout (min) (V)

1

Features

Enable, Frequency synchronization, Light-load efficiency, Overcurrent protection, Pre-bias startup, Synchronous rectification, UVLO adjustable

Control mode

current mode

Operating temperature range (°C)

-40 to 125

Iq (typ) (A)

0.000075

Duty cycle (max) (%)

97

Package

HSOIC (DDA)-8-29.4 mm² 4.9 x 6

Features

  • 4-V to 36-V Input Range
  • 1-A Continuous Output Current
  • Integrated Synchronous Rectification
  • Current Mode Control
  • Minimum Switch-On Time: 60 ns
  • 400-kHz Switching Frequency With PFM Mode
  • Frequency Synchronization to External Clock
  • Internal Compensation for Ease of Use
  • 75-µA Quiescent Current at No Load
  • Soft Start into a Prebiased Load
  • High Duty-Cycle Operation Supported
  • Precision Enable Input
  • Output Short-Circuit Protection With Hiccup Mode
  • Thermal Protection
  • 8-Pin HSOIC With PowerPAD™ Package
  • Create a Custom Design Using the LMR23610 With the WEBENCH® Power Designer
  • 4-V to 36-V Input Range
  • 1-A Continuous Output Current
  • Integrated Synchronous Rectification
  • Current Mode Control
  • Minimum Switch-On Time: 60 ns
  • 400-kHz Switching Frequency With PFM Mode
  • Frequency Synchronization to External Clock
  • Internal Compensation for Ease of Use
  • 75-µA Quiescent Current at No Load
  • Soft Start into a Prebiased Load
  • High Duty-Cycle Operation Supported
  • Precision Enable Input
  • Output Short-Circuit Protection With Hiccup Mode
  • Thermal Protection
  • 8-Pin HSOIC With PowerPAD™ Package
  • Create a Custom Design Using the LMR23610 With the WEBENCH® Power Designer

Description

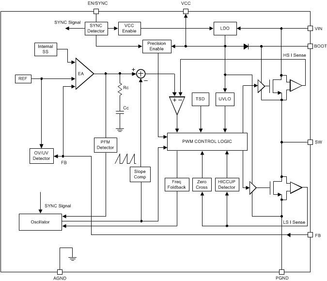
The LMR23610 SIMPLE SWITCHER® device is an easy-to-use 36-V, 1-A synchronous step down regulator. With a wide input range from 4 V to 36 V, it is suitable for various applications from industrial to automotive for power conditioning from unregulated sources. Peak current mode control is employed to achieve simple control loop compensation and cycle-by-cycle current limiting. A quiescent current of 75 µA makes it suitable for battery-powered systems. An ultra-low 2 µA shutdown current can further prolong battery life. Internal loop compensation means that the user is free from the tedious task of loop compensation design. This also minimizes the external components. An extended family is available in 2.5 A (LMR23625) and 3 A (LMR23630) load-current options in pin-to-pin compatible packages, which allow simple, optimum PCB layout. A precision enable input allows simplification of regulator control and system power sequencing. Protection features include cycle-by-cycle current limit, hiccup-mode short-circuit protection and thermal shutdown due to excessive power dissipation.

The LMR23610 SIMPLE SWITCHER® device is an easy-to-use 36-V, 1-A synchronous step down regulator. With a wide input range from 4 V to 36 V, it is suitable for various applications from industrial to automotive for power conditioning from unregulated sources. Peak current mode control is employed to achieve simple control loop compensation and cycle-by-cycle current limiting. A quiescent current of 75 µA makes it suitable for battery-powered systems. An ultra-low 2 µA shutdown current can further prolong battery life. Internal loop compensation means that the user is free from the tedious task of loop compensation design. This also minimizes the external components. An extended family is available in 2.5 A (LMR23625) and 3 A (LMR23630) load-current options in pin-to-pin compatible packages, which allow simple, optimum PCB layout. A precision enable input allows simplification of regulator control and system power sequencing. Protection features include cycle-by-cycle current limit, hiccup-mode short-circuit protection and thermal shutdown due to excessive power dissipation.

Subscribe to Welllinkchips !
Your Name
* Email
Submit a request