0
LMR14030
  • LMR14030
  • LMR14030
  • LMR14030

LMR14030

ACTIVE

SIMPLE SWITCHER® 40-V, 3.5-A, 2.2-MHz step-down converter with 40-uA IQ

Texas Instruments LMR14030 Product Info

1 April 2026 1

Parameters

Rating

Catalog

Topology

Buck

Iout (max) (A)

3.5

Vin (max) (V)

40

Vin (min) (V)

4

Vout (max) (V)

36

Vout (min) (V)

1

Features

Enable, Frequency synchronization, Light Load Efficiency, Over Current Protection, Power good, Pre-Bias Start-Up, Soft Start Adjustable, Tracking, UVLO adjustable

Control mode

current mode

Operating temperature range (°C)

-40 to 125

Iq (typ) (A)

0.00004

Duty cycle (max) (%)

98

Package

HSOIC (DDA)-8-29.4 mm² 4.9 x 6

Features

  • 4V to 40V input range
  • 3.5A continuous output current
  • Ultra-low 40µA operating quiescent current
  • 90mΩ high-side MOSFET
  • 75ns minimum switch-on time
  • Current mode control
  • Adjustable switching frequency from 200kHz to 2.5MHz
  • Frequency synchronization to external clock
  • Internal compensation for ease of use
  • High duty cycle operation supported
  • Precision enable input
  • 1µA shutdown current
  • External soft start
  • Thermal, overvoltage, and short protection
  • 8-pin HSOIC with PowerPAD™ package
  • 4V to 40V input range
  • 3.5A continuous output current
  • Ultra-low 40µA operating quiescent current
  • 90mΩ high-side MOSFET
  • 75ns minimum switch-on time
  • Current mode control
  • Adjustable switching frequency from 200kHz to 2.5MHz
  • Frequency synchronization to external clock
  • Internal compensation for ease of use
  • High duty cycle operation supported
  • Precision enable input
  • 1µA shutdown current
  • External soft start
  • Thermal, overvoltage, and short protection
  • 8-pin HSOIC with PowerPAD™ package

Description

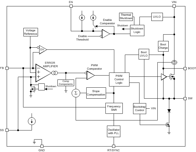
The LMR14030 is a 40V, 3.5A, step-down regulator with an integrated high-side MOSFET. With a wide input range from 4V to 40V, the device is designed for various applications from industrial to automotive for power conditioning from unregulated sources. The regulator quiescent current is 40µA in sleep mode, which is designed for battery powered systems. An ultra-low 1µA current in shutdown mode can further prolong battery life. A wide adjustable switching frequency range allows either efficiency or external component size to be optimized. Internal loop compensation means that the user is free from the tedious task of loop compensation design. This also minimizes the external components of the device. A precision enable input allows simplification of regulator control and system power sequencing. The device also has built-in protection features such as cycle-by-cycle current limit, thermal sensing and shutdown due to excessive power dissipation, and output overvoltage protection.

space

The LMR14030 is a 40V, 3.5A, step-down regulator with an integrated high-side MOSFET. With a wide input range from 4V to 40V, the device is designed for various applications from industrial to automotive for power conditioning from unregulated sources. The regulator quiescent current is 40µA in sleep mode, which is designed for battery powered systems. An ultra-low 1µA current in shutdown mode can further prolong battery life. A wide adjustable switching frequency range allows either efficiency or external component size to be optimized. Internal loop compensation means that the user is free from the tedious task of loop compensation design. This also minimizes the external components of the device. A precision enable input allows simplification of regulator control and system power sequencing. The device also has built-in protection features such as cycle-by-cycle current limit, thermal sensing and shutdown due to excessive power dissipation, and output overvoltage protection.

space

Subscribe to Welllinkchips !
Your Name
* Email
Submit a request