0
DRV5055-Q1
  • DRV5055-Q1
  • DRV5055-Q1
  • DRV5055-Q1
  • DRV5055-Q1
  • DRV5055-Q1

DRV5055-Q1

ACTIVE

Automotive, ratiometric linear Hall-effect sensor with analog output

Texas Instruments DRV5055-Q1 Product Info

1 April 2026 1

Parameters

Type

Ratiometric bipolar

Sensitivity (typ) (mV/mT)

-100, 12.5, 25, 50, 100

Sensitivity error (%)

5

Supply voltage (max) (V)

5.5

Supply voltage (min) (V)

3

Bandwidth (kHz)

20

Output

0.2 V to Vcc

Rating

Automotive

Operating temperature range (°C)

-40 to 150

Package

SOT-23 (DBZ)-3-6.9204 mm² 2.92 x 2.37

Features

  • Ratiometric linear Hall-effect magnetic sensor
  • Operates from 3.3V and 5V power supplies
  • Analog output with VCC / 2 quiescent offset
  • Magnetic sensitivity options (At VCC = 5V):
    • A1: 100mV/mT, ±21mT range
    • A2/Z2: 50mV/mT, ±42mT range
    • A3: 25mV/mT, ±85mT range
    • A4: 12.5mV/mT, ±169mT range
    • A5: –100mV/mT, ±21mT range
  • Fast 20kHz sensing bandwidth
  • Low-noise output with ±1mA drive
  • Compensation for magnet temperature drift for A versions and none for Z versions
  • AEC-Q100 Qualified for Automotive Applications:
    • Temperature Grade 0: –40°C to 150°C
  • Standard industry packages:
    • Surface-mount SOT-23
    • Through-hole TO-92
  • Ratiometric linear Hall-effect magnetic sensor
  • Operates from 3.3V and 5V power supplies
  • Analog output with VCC / 2 quiescent offset
  • Magnetic sensitivity options (At VCC = 5V):
    • A1: 100mV/mT, ±21mT range
    • A2/Z2: 50mV/mT, ±42mT range
    • A3: 25mV/mT, ±85mT range
    • A4: 12.5mV/mT, ±169mT range
    • A5: –100mV/mT, ±21mT range
  • Fast 20kHz sensing bandwidth
  • Low-noise output with ±1mA drive
  • Compensation for magnet temperature drift for A versions and none for Z versions
  • AEC-Q100 Qualified for Automotive Applications:
    • Temperature Grade 0: –40°C to 150°C
  • Standard industry packages:
    • Surface-mount SOT-23
    • Through-hole TO-92

Description

The DRV5055-Q1 is a linear Hall-effect sensor that responds proportionally to magnetic flux density. The device can be used for accurate position sensing in a wide range of applications.

The device operates from 3.3V or 5V power supplies. When no magnetic field is present, the analog output drives half of VCC. The output changes linearly with the applied magnetic flux density, and various sensitivity options enable maximal output voltage swing based on the required sensing range. North and south magnetic poles produce unique voltages.

Magnetic flux perpendicular to the top of the package is sensed, and the two package options provide different sensing directions.

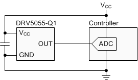
The device uses a ratiometric architecture that can eliminate error from VCC tolerance when the external analog-to-digital converter (ADC) uses the same VCC for its reference. Additionally, the device features magnet temperature compensation to counteract how magnets drift for linear performance across a wide –40°C to +150°C temperature range.

The DRV5055-Q1 is a linear Hall-effect sensor that responds proportionally to magnetic flux density. The device can be used for accurate position sensing in a wide range of applications.

The device operates from 3.3V or 5V power supplies. When no magnetic field is present, the analog output drives half of VCC. The output changes linearly with the applied magnetic flux density, and various sensitivity options enable maximal output voltage swing based on the required sensing range. North and south magnetic poles produce unique voltages.

Magnetic flux perpendicular to the top of the package is sensed, and the two package options provide different sensing directions.

The device uses a ratiometric architecture that can eliminate error from VCC tolerance when the external analog-to-digital converter (ADC) uses the same VCC for its reference. Additionally, the device features magnet temperature compensation to counteract how magnets drift for linear performance across a wide –40°C to +150°C temperature range.

Subscribe to Welllinkchips !
Your Name
* Email
Submit a request