0
ADC12DL065
  • ADC12DL065
  • ADC12DL065
  • ADC12DL065

ADC12DL065

ACTIVE

Dual-Channel, 12-Bit, 65-MSPS Analog-to-Digital Converter (ADC) Key Specifications Key Specifications

Texas Instruments ADC12DL065 Product Info

1 April 2026 0

Parameters

Sample rate (max) (Msps)

65

Resolution (Bits)

12

Number of input channels

2

Interface type

Parallel CMOS, TTL

Analog input BW (MHz)

250

Features

Low Power

Rating

Catalog

Peak-to-peak input voltage range (V)

2

Power consumption (typ) (mW)

360

Architecture

Pipeline

SNR (dB)

69

ENOB (Bits)

11.1

SFDR (dB)

86

Operating temperature range (°C)

-40 to 85

Input buffer

No

Package

TQFP (PAG)-64-144 mm² 12 x 12

Features

  • Single +3.3V Supply operation
  • Internal Sample-and-Hold
  • Internal Reference
  • Outputs 2.4V to 3.6V Compatible
  • Power Down Mode
  • Duty Cycle Stabilizer
  • Multiplexed Output Mode

Key Specifications

  • Resolution: 12 Bits
  • DNL: ±0.4 LSB (typ)
  • SNR (fIN = 10 MHz): 69 dB (typ)
  • SFDR (fIN = 10 MHz): 86 dB (typ)
  • Data Latency: 7 Clock Cycles
  • Power Consumption
    • Operating: 360 mW (typ)
    • Power Down Mode: 36 mW (typ)

All trademarks are the property of their respective owners.

  • Single +3.3V Supply operation
  • Internal Sample-and-Hold
  • Internal Reference
  • Outputs 2.4V to 3.6V Compatible
  • Power Down Mode
  • Duty Cycle Stabilizer
  • Multiplexed Output Mode

Key Specifications

  • Resolution: 12 Bits
  • DNL: ±0.4 LSB (typ)
  • SNR (fIN = 10 MHz): 69 dB (typ)
  • SFDR (fIN = 10 MHz): 86 dB (typ)
  • Data Latency: 7 Clock Cycles
  • Power Consumption
    • Operating: 360 mW (typ)
    • Power Down Mode: 36 mW (typ)

All trademarks are the property of their respective owners.

Description

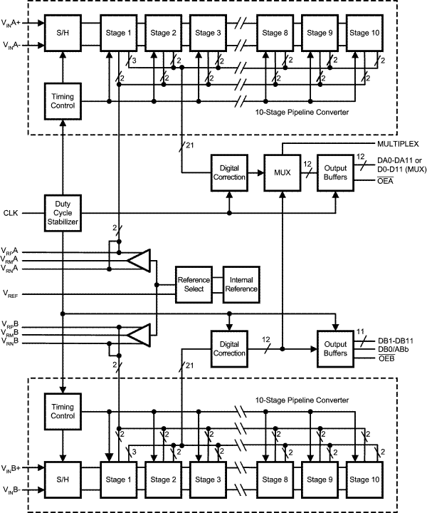
The ADC12DL065 is a dual, low power monolithic CMOS analog-to-digital converter capable of converting analog input signals into 12-bit digital words at 65 Megasamples per second (MSPS). This converter uses a differential, pipeline architecture with digital error correction and an on-chip sample-and-hold circuit to minimize power consumption while providing excellent dynamic performance and a 250 MHz Full Power Bandwidth. Operating on a single +3.3V power supply, the ADC12DL065 achieves 11.0 effective bits at nyquist and consumes just 360 mW at 65 MSPS, including the reference current. The Power Down feature reduces power consumption to 36 mW.

The differential inputs provide a full scale differential input swing equal to 2 times VREF with the possibility of a single-ended input. Full use of the differential input is recommended for optimum performance. The digital outputs from the two ADC's are available on a single multiplexed 12-bit bus or on separate buses. Duty cycle stabilization and output data format are selectable using a quad state function pin. The output data can be set for offset binary or two's complement.

To ease interfacing to lower voltage systems, the digital output driver power pins of the ADC12DL065 can be connected to a separate supply voltage in the range of 2.4V to the analog supply voltage. This device is available in the 64-lead TQFP package and will operate over the industrial temperature range of −40°C to +85°C. An evaluation board is available to ease the evaluation process.

The ADC12DL065 is a dual, low power monolithic CMOS analog-to-digital converter capable of converting analog input signals into 12-bit digital words at 65 Megasamples per second (MSPS). This converter uses a differential, pipeline architecture with digital error correction and an on-chip sample-and-hold circuit to minimize power consumption while providing excellent dynamic performance and a 250 MHz Full Power Bandwidth. Operating on a single +3.3V power supply, the ADC12DL065 achieves 11.0 effective bits at nyquist and consumes just 360 mW at 65 MSPS, including the reference current. The Power Down feature reduces power consumption to 36 mW.

The differential inputs provide a full scale differential input swing equal to 2 times VREF with the possibility of a single-ended input. Full use of the differential input is recommended for optimum performance. The digital outputs from the two ADC's are available on a single multiplexed 12-bit bus or on separate buses. Duty cycle stabilization and output data format are selectable using a quad state function pin. The output data can be set for offset binary or two's complement.

To ease interfacing to lower voltage systems, the digital output driver power pins of the ADC12DL065 can be connected to a separate supply voltage in the range of 2.4V to the analog supply voltage. This device is available in the 64-lead TQFP package and will operate over the industrial temperature range of −40°C to +85°C. An evaluation board is available to ease the evaluation process.

Subscribe to Welllinkchips !
Your Name
* Email
Submit a request