0
LM98722
  • LM98722
  • LM98722
  • LM98722
  • LM98722

LM98722

ACTIVE

3 Ch 16-Bit 45 MSPS AFE w/ LVDS/CMOS Output & Integrated CCD/CIS Sensor Timing Generator

Texas Instruments LM98722 Product Info

1 April 2026 0

Parameters

Resolution (Bits)

16

Number of channels

3

Sample rate (Msps)

45

Gain (min) (dB)

-4.3

Gain (max) (dB)

18.4

Pd (typ) (mW)

600

Supply voltage (max) (V)

3.3

Operating temperature range (°C)

0 to 70

Output data format

CMOS, LVDS

Rating

Catalog

Package

TSSOP (DGG)-56-113.4 mm² 14 x 8.1

Features

  • LVDS/CMOS Outputs
  • LVDS/CMOS/Crystal Clock Source with PLL
    Multiplication
  • Integrated Flexible Spread Spectrum Clock
    Generation
  • CDS or S/H Processing for CCD or CIS sensors
  • Independent Gain/Offset Correction for Each
    Channel
  • Automatic per-Channel Gain and Offset
    Calibration
  • Programmable Input Clamp Voltage
  • Flexible CCD/CIS Sensor Timing Generator
  • LVDS/CMOS Outputs
  • LVDS/CMOS/Crystal Clock Source with PLL
    Multiplication
  • Integrated Flexible Spread Spectrum Clock
    Generation
  • CDS or S/H Processing for CCD or CIS sensors
  • Independent Gain/Offset Correction for Each
    Channel
  • Automatic per-Channel Gain and Offset
    Calibration
  • Programmable Input Clamp Voltage
  • Flexible CCD/CIS Sensor Timing Generator

Description

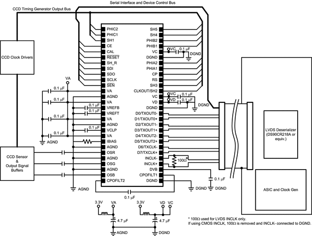
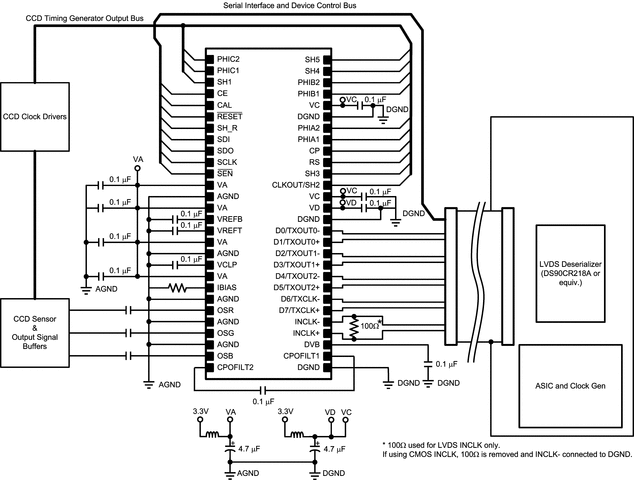
The LM98722 is a fully integrated, high performance 16-Bit, 45 MSPS signal processing solution for digital color copiers, scanners, and other image processing applications. High-speed signal throughput is achieved with an innovative architecture utilizing Correlated Double Sampling (CDS), typically employed with CCD arrays, or Sample and Hold (S/H) inputs (for higher speed CCD or CMOS image sensors). The signal paths utilize 8 bit Programmable Gain Amplifiers (PGA), a +/–9-Bit offset correction DAC and independently controlled Digital Black Level correction loops for each input. The PGA and offset DAC are programmed independently allowing unique values of gain and offset for each of the three analog inputs. The signals are then routed to a 45-MHz high performance analog-to-digital converter (ADC). The fully differential processing channel shows exceptional noise immunity, having a very low noise floor of –74dB. The 16-bit ADC has excellent dynamic performance making the LM98722 transparent in the image reproduction chain.

A very flexible integrated Spread Spectrum Clock Generation (SSCG) modulator is included to assist with EM compliance and reduce system costs.

The LM98722 is a fully integrated, high performance 16-Bit, 45 MSPS signal processing solution for digital color copiers, scanners, and other image processing applications. High-speed signal throughput is achieved with an innovative architecture utilizing Correlated Double Sampling (CDS), typically employed with CCD arrays, or Sample and Hold (S/H) inputs (for higher speed CCD or CMOS image sensors). The signal paths utilize 8 bit Programmable Gain Amplifiers (PGA), a +/–9-Bit offset correction DAC and independently controlled Digital Black Level correction loops for each input. The PGA and offset DAC are programmed independently allowing unique values of gain and offset for each of the three analog inputs. The signals are then routed to a 45-MHz high performance analog-to-digital converter (ADC). The fully differential processing channel shows exceptional noise immunity, having a very low noise floor of –74dB. The 16-bit ADC has excellent dynamic performance making the LM98722 transparent in the image reproduction chain.

A very flexible integrated Spread Spectrum Clock Generation (SSCG) modulator is included to assist with EM compliance and reduce system costs.

Subscribe to Welllinkchips !
Your Name
* Email
Submit a request