0
LM5072
  • LM5072
  • LM5072
  • LM5072
  • LM5072

LM5072

ACTIVE

Class 4 non-standard PoE PD with flyback DC-DC controller & 12V-57V adapter priority Package Package

Texas Instruments LM5072 Product Info

1 April 2026 1

Parameters

PoE standards supported

802.3at Type 1 (802.3af)

PD power level

25W

DC/DC control

PD and DC/DC

Vin (max) (V)

70

Vin (min) (V)

9

PoE current limit (min) (mA)

800

PoE inrush limit (mA) (typ) (A)

Programmable

rDS(on) per FET (typ) (mΩ)

700

Features

Error amplifier, Primary-side adapter priority, Thermal shutdown

Fault response

Thermal Cycling

Operating temperature range (°C)

-40 to 125

Rating

Catalog

Package

HTSSOP (PWP)-16-32 mm² 5 x 6.4

Features

  • PD Interface
    • Fully Compliant IEEE 802.3af PD Interface
    • Versatile Auxiliary Power Options
    • 9V Minimum Auxiliary Power Operating Range
    • 100V Maximum Input Voltage Rating
    • Programmable DC Current Limit Up To 800mA
    • 100V, 0.7Ω Hot Swap MOSFET
    • Integrated PD Signature Resistor
    • Integrated PoE Input UVLO
    • Programmable Inrush Current Limit
    • PD Classification Capability
    • Power Good Indicator
    • Thermal Shutdown Protection
  • PWM Controller
    • Current Mode PWM Controller
    • 100V Start-Up Regulator
    • Error Amplifier with 2% Voltage Reference
    • Supports Isolated and Non-Isolated Applications
    • Programmable Oscillator Frequency
    • Programmable Soft-Start
    • 800 mA Peak Gate Driver
    • 80% Maximum Duty Cycle with Built-in Slope Compensation (-80 Device)
    • 50% Maximum Duty Cycle, No Slope Compensation (-50 Device)

Package

  • TSSOP-16 EP (Exposed Pad)

All trademarks are the property of their respective owners.

  • PD Interface
    • Fully Compliant IEEE 802.3af PD Interface
    • Versatile Auxiliary Power Options
    • 9V Minimum Auxiliary Power Operating Range
    • 100V Maximum Input Voltage Rating
    • Programmable DC Current Limit Up To 800mA
    • 100V, 0.7Ω Hot Swap MOSFET
    • Integrated PD Signature Resistor
    • Integrated PoE Input UVLO
    • Programmable Inrush Current Limit
    • PD Classification Capability
    • Power Good Indicator
    • Thermal Shutdown Protection
  • PWM Controller
    • Current Mode PWM Controller
    • 100V Start-Up Regulator
    • Error Amplifier with 2% Voltage Reference
    • Supports Isolated and Non-Isolated Applications
    • Programmable Oscillator Frequency
    • Programmable Soft-Start
    • 800 mA Peak Gate Driver
    • 80% Maximum Duty Cycle with Built-in Slope Compensation (-80 Device)
    • 50% Maximum Duty Cycle, No Slope Compensation (-50 Device)

Package

  • TSSOP-16 EP (Exposed Pad)

All trademarks are the property of their respective owners.

Description

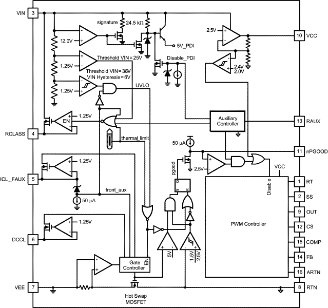
The LM5072 Powered Device (PD) interface and Pulse-Width-Modulation (PWM) controller provides a complete power solution, fully compliant to IEEE 802.3af, for the PD connecting into Power over Ethernet (PoE) networks. This controller integrates all functions necessary to implement both a PD powered interface and DC-DC converter with a minimum number of external components. The LM5072 provides the flexibility for the PD to also accept power from auxiliary sources such as AC adapters in a variety of configurations. The low RDS(ON) PD interface hot swap MOSFET and programmable DC current limit extend the range of LM5072 applications up to twice the power level of 802.3af compliant PD devices. The 100V maximum voltage rating simplifies selection of the transient voltage suppressor that protects the PD from network transients. The LM5072 includes an easy-to-use PWM controller that facilitates the various single-ended power supply topologies including the flyback, forward and buck. The PWM control scheme is based on peak current mode control, which provides inherent advantages including line feed-forward, cycle-by-cycle current limit, and simplified feedback loop compensation. Two versions of the LM5072 provide either an 80% maximum duty cycle (-80 suffix), or a 50% maximum duty cycle (-50 suffix).

The LM5072 Powered Device (PD) interface and Pulse-Width-Modulation (PWM) controller provides a complete power solution, fully compliant to IEEE 802.3af, for the PD connecting into Power over Ethernet (PoE) networks. This controller integrates all functions necessary to implement both a PD powered interface and DC-DC converter with a minimum number of external components. The LM5072 provides the flexibility for the PD to also accept power from auxiliary sources such as AC adapters in a variety of configurations. The low RDS(ON) PD interface hot swap MOSFET and programmable DC current limit extend the range of LM5072 applications up to twice the power level of 802.3af compliant PD devices. The 100V maximum voltage rating simplifies selection of the transient voltage suppressor that protects the PD from network transients. The LM5072 includes an easy-to-use PWM controller that facilitates the various single-ended power supply topologies including the flyback, forward and buck. The PWM control scheme is based on peak current mode control, which provides inherent advantages including line feed-forward, cycle-by-cycle current limit, and simplified feedback loop compensation. Two versions of the LM5072 provide either an 80% maximum duty cycle (-80 suffix), or a 50% maximum duty cycle (-50 suffix).

Subscribe to Welllinkchips !
Your Name
* Email
Submit a request